电脑桌面
添加小米粒文库到电脑桌面
安装后可以在桌面快捷访问

电气安装工程施工质量检验及评定范围划分表

电气安装工程施工质量检验及评定范围划分表_第1页
1/22
电气安装工程施工质量检验及评定范围划分表_第2页
2/22
电气安装工程施工质量检验及评定范围划分表_第3页
3/22
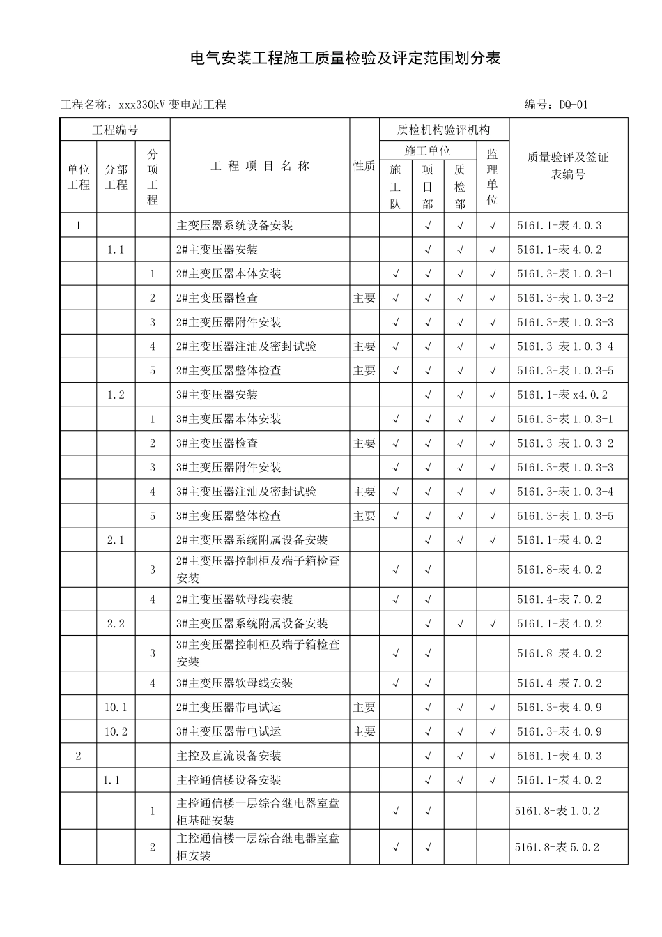
xxx330kV 供电工程 xxx330kV 变电站工程 电气安装工程施工质量检验及 评定范围划分表 xxx 送变电工程公司 xxx330kV 变电站项目部 xxx.06 xxx330kV 变电站工程 电气安装工程施工质量检验及评定范围划分表 一、 编制依据 1、中华人民共和国电力行业标准《电气装置工程质量检验及评定规范》DL/T5161.1~5161.17-2002 2、xxx 省电力设计院设计的《xxx330kV 变电站工程施工蓝图》 二、 单位、分部及分项工程汇总表 序号 单位工程名称 分部工 程数量 分项工 程数量 1 主变压器系统设备安装 6 14 2 主控及直流设备安装 3 15 3 配电装置安装 33 80 4 封闭式组合电器安装 65 134 5 35kV、10kV、0.4kV 及站用配电装置安装 19 61 6 无功补偿装置安装 5 24 7 全站电缆施工 7 15 8 全站防雷及接地装置安装 2 18 合计 单位工程8 个 分部工程140 个 分项工程361 个 电气安装工程施工质量检验及评定范围划分表 工程名称:xxx330kV 变电站工程 编号:DQ-01 工程编号 工 程 项 目 名 称 性质 质检机构验评机构 质量验评及签证 表编号 单位工程 分部工程 分项工程 施工单位 监理单位 施 工 队 项目部 质检部 1 主变压器系统设备安装 √ √ √ 5161.1-表4.0.3 1.1 2#主变压器安装 √ √ √ 5161.1-表4.0.2 1 2#主变压器本体安装 √ √ √ √ 5161.3-表1.0.3-1 2 2#主变压器检查 主要 √ √ √ √ 5161.3-表1.0.3-2 3 2#主变压器附件安装 √ √ √ √ 5161.3-表1.0.3-3 4 2#主变压器注油及密封试验 主要 √ √ √ √ 5161.3-表1.0.3-4 5 2#主变压器整体检查 主要 √ √ √ √ 5161.3-表1.0.3-5 1.2 3#主变压器安装 √ √ √ 5161.1-表x4.0.2 1 3#主变压器本体安装 √ √ √ √ 5161.3-表1.0.3-1 2 3#主变压器检查 主要 √ √ √ √ 5161.3-表1.0.3-2 3 3#主变压器附件安装 √ √ √ √ 5161.3-表1.0.3-3 4 3#主变压器注油及密封试验 主要 √ √ √ √ 5161.3-表1.0.3-4 5 3#主变压器整体检查 主要 √ √ √ √ 5161.3-表1.0.3-5 2.1 2#主变压器系统附属设备安装 √ √ √ 5161.1-表4.0.2 3 2#主变压器控制柜及端子箱检查安装 √ √ 5161.8-表4.0.2 4 2#主变压器软母线安装 √ √ 5161.4-表7.0.2 2.2 3#主变压器系统附属设备安装 √ √ √ 5161.1-...

1、当您付费下载文档后,您只拥有了使用权限,并不意味着购买了版权,文档只能用于自身使用,不得用于其他商业用途(如 [转卖]进行直接盈利或[编辑后售卖]进行间接盈利)。
2、本站所有内容均由合作方或网友上传,本站不对文档的完整性、权威性及其观点立场正确性做任何保证或承诺!文档内容仅供研究参考,付费前请自行鉴别。
3、如文档内容存在违规,或者侵犯商业秘密、侵犯著作权等,请点击“违规举报”。

碎片内容

电气安装工程施工质量检验及评定范围划分表

您可能关注的文档

小辰9+ 关注
实名认证
内容提供者

出售各种资料和文档

确认删除?
VIP
微信客服
  • 扫码咨询
会员Q群
  • 会员专属群点击这里加入QQ群
客服邮箱
回到顶部