电脑桌面
添加小米粒文库到电脑桌面
安装后可以在桌面快捷访问

电气工程图例及符号

电气工程图例及符号_第1页
1/52
电气工程图例及符号_第2页
2/52
电气工程图例及符号_第3页
3/52
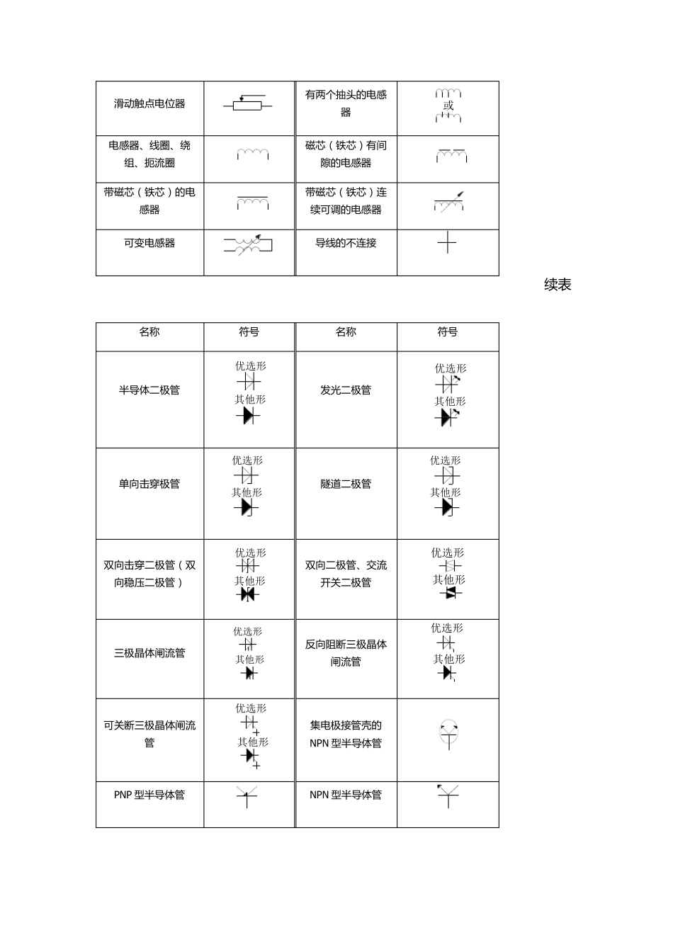
第 九 章 、电气工程图例及符号 一、常用电气图形符号 名 称 符 号 名 称 符 号 直 流 或 中 性 线 N 交 流 中 间 线 M 交 直 流 正 极 具 有 交 流 分 量 的 整 流电 流 负 极 低 频 ( 工 频 ) 手 动 操 作 中 频 ( 音 频 ) 脚 踏 操 作 高 频 ( 超 声 频 、载频或射频 ) 贮存机械能操 作 故障 凸轮操 作 闪络、击穿 电 动 机操 作 M 导线 间 绝缘击穿 气动 或液压操 作 导线 对机壳绝缘击穿 接地一般符 号 导线 对地绝缘击穿 无噪声 接地 理想电 流 源 保护接地 理想电 压源 接机壳或接底板 或 导线 、电 缆和母线 的一般符 号 三根导线 的 单线 表示 或3 柔 软 导 线 二 股 绞 合 导 线 同 轴 电 缆 端 子 屏 蔽 导 线 永 久 磁 铁 续 表 名 称 符 号 名 称 符 号 导 线 的 连 接 或 导 线 的 多 线 连 接 或 插 头 和 插 座 优选形其他形 电 容 器 的 一般符 号 优选形其他形 极性电 容 器 优选形其他形 可变电 容 器 优选形其他形 微调电 容 器 优选形其他形 电 阻器 的 一般符 号 优选形其他形 接 通的 连 接 片 或 可变电 阻器 断开的 连 接 片 压敏电 阻器 U 两个固定抽头 的 可变电 阻器 热敏电 阻器 θ可用 t°代替 θ 两个固定抽头 的 电 阻器 滑线 式变阻器 电 缆 终端 头 等电 位 分流器 预调电 位器 滑 动 触 点 电 位 器 有 两 个 抽 头 的 电 感器 或 电 感 器 、线圈、绕组、扼流圈 磁芯(铁芯)有 间隙的 电 感 器 带磁芯(铁芯)的 电感 器 带磁芯(铁芯)连续可调的 电 感 器 可变电 感 器 导线的 不连接 续表 名称 符号 名称 符号 半导体二极管 优选形其他形 发光二极管 优选形其他形 单向击穿极管 优选形其他形 隧道二极管 优选形其他形 双向击穿二极管(双向稳压二极管) 优选形其他形 双向二极管、交流开关二极管 优选形其他形 三极晶体闸流管 优选形其他形 反向阻断三极晶体闸流管 优选形其他形 可关断三极晶体闸流管 优选形其他形 集电 极接管壳的NPN 型半导体管 PNP型半导体管 NPN 型半导体管 光 电 二 极 管 光 敏 电 阻 光 电 池 两 相 绕 组 三个独立绕 组 3或 电 机...

1、当您付费下载文档后,您只拥有了使用权限,并不意味着购买了版权,文档只能用于自身使用,不得用于其他商业用途(如 [转卖]进行直接盈利或[编辑后售卖]进行间接盈利)。
2、本站所有内容均由合作方或网友上传,本站不对文档的完整性、权威性及其观点立场正确性做任何保证或承诺!文档内容仅供研究参考,付费前请自行鉴别。
3、如文档内容存在违规,或者侵犯商业秘密、侵犯著作权等,请点击“违规举报”。

碎片内容

电气工程图例及符号

确认删除?
VIP
微信客服
  • 扫码咨询
会员Q群
  • 会员专属群点击这里加入QQ群
客服邮箱
回到顶部