电脑桌面
添加小米粒文库到电脑桌面
安装后可以在桌面快捷访问

电气控制与PLC试题及答案

电气控制与PLC试题及答案_第1页
1/35
电气控制与PLC试题及答案_第2页
2/35
电气控制与PLC试题及答案_第3页
3/35
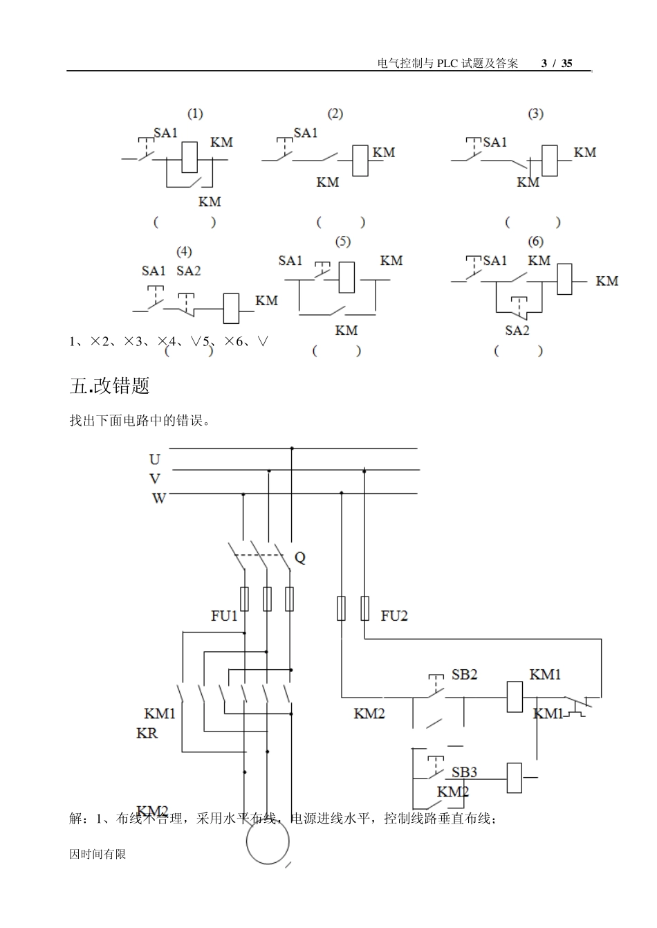
电气控制与PLC 试题及答案 1 / 35 因时间有限,本资料整理有不全与错误之处,敬请原谅。——谭建涛 2011 年 7 月 11 日 20:28:31 电气控制与PLC 试题及答案 一.填空题 1.电气设备图纸有 电气原理图 图、 电气接线图 图、 电气元件布置图 图。 2.长动与点动的主要区别是控制电器能否 保持 。 3.电气控制线路中最基本的控制环节为 保护 、 辅助 、 连锁 环节。 4.常用的短路保护元件是 熔断器 和 短路保护器 ,常用的过载保护元件是 自动保护开关 。 5.交流接触器线圈不能 串联 联使用。 6.CPM1A 中有 127 条指令,用户地址容量为 2k ,存储器形式有 数据存储器 、 用户程序存储器 和 系统程序存储器 ,普通计时器的计时范围为 0~999.9s ,计数器的计数范围为 0~9999 。 7.CPM1A 开机后,必须先输入 系统设置 ,键入操作顺序为 机型、通讯协议、数据盘 8.在绘制电气控制线路图纸时必须使用国家统一规定的 文字 符号和 图像 符号。 9.电气控制线路分为 主 电路、 辅助 电路和 保护 电路。 10.电气控制线路的全部触点都按 初始 状态绘出。 11.交流接触器结构上主要有 线圈 、 触头 和 灭弧装置 三部分。 12.一台 4KW 的三相交流异步电动机其额定电流为 12 安培,选择交流接触器的额定电流为 20 安培,选择熔断器的额定电流为 20 安培。 13.C20P 中有 256 个中间辅助继电器、 128 个断电保持继电器、 64 个计时/计数器,主机单元有 12 个输入点和 8 输出点。 14.可编程序控制器输出电路有三种形式,即 半导体 、 可控硅 、 晶体管 。 二.逻辑化简题 写出下面电路的逻辑表达式,然后化简,画出化简后的电路。 解:Km=A+CB+C=AB+BC+AC+C=AB+C…….(5 分) 电气控制与PLC 试题及答案 2 / 3 5 因时间有限,本资料整理有不全与错误之处,敬请原谅。——谭建涛 2011 年 7 月 11 日 20:28:31 三.证明题 证明下面两程序逻辑关系相等。 解: ______ ___ ____________________ ___ ___1221JABCJA B CJA B CABCJ 四.判断题 试问下列电路能否实现点动控制: 电气控制与PLC 试题及答案 3 / 3 5 因时间有限,本资料整理有不全与错误之处,敬请原谅。——谭建涛 2011 年7 月11 日20:28:31 1、×2、×3、×4、∨5、×6、∨ 五.改错题 找出下面电路中的错误。 解:1、布线不合理,采用水平...

1、当您付费下载文档后,您只拥有了使用权限,并不意味着购买了版权,文档只能用于自身使用,不得用于其他商业用途(如 [转卖]进行直接盈利或[编辑后售卖]进行间接盈利)。
2、本站所有内容均由合作方或网友上传,本站不对文档的完整性、权威性及其观点立场正确性做任何保证或承诺!文档内容仅供研究参考,付费前请自行鉴别。
3、如文档内容存在违规,或者侵犯商业秘密、侵犯著作权等,请点击“违规举报”。

碎片内容

电气控制与PLC试题及答案

您可能关注的文档

小辰4+ 关注
实名认证
内容提供者

出售各种资料和文档

确认删除?
VIP
微信客服
  • 扫码咨询
会员Q群
  • 会员专属群点击这里加入QQ群
客服邮箱
回到顶部