电脑桌面
添加小米粒文库到电脑桌面
安装后可以在桌面快捷访问

电气控制柜检验规程

电气控制柜检验规程_第1页
1/7
电气控制柜检验规程_第2页
2/7
电气控制柜检验规程_第3页
3/7
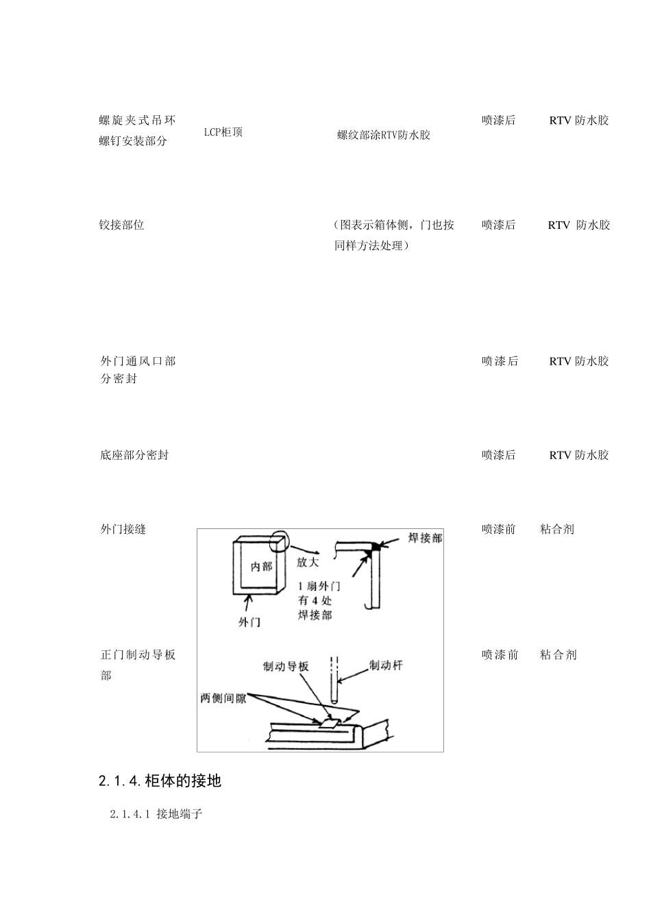
电气控制柜检验规程 LZY-ZB-8.2.4-01 1 . 范围 本规程只适用于电气控制柜检验的要求。 2 .检验内容及要求 2 .1 .柜体 2 .1 .1 材料 门、柜体和内部用的弯板类部件,所采用的厚度是否为 2.5mm 的抛光薄钢板。如有特殊要求可采用不锈钢薄钢板。底架采用槽钢焊接而成。柜体的切割、开孔等处要去毛刺。 2.1.2 尺寸和结构 尺寸必须符合结构设计员出的结构图和 LCP 外形图要求。LCP 必须用角钢或者适当的方法加固,使得能够承受在电站正常运行时可能存在的0.5G 的水平加速度。此外,LCP还必须有承受运输过程中产生的3G 的加速度的能力。地角螺栓对角尺寸应满足标准规定。 柜体应采用全焊接结构,不得采用拼装结构。 2 .1 .3 柜体的敛缝 目的是防止控制盘内外部生锈。 工序 处理技术 处理时期 敛缝材料 内部接缝部位密封(但是,地板部分除外) 框架及控制盘内部接缝 角部 喷漆前 粘合剂 底板部分密封 焊接 喷漆前 粘合剂 螺栓固定 喷漆后 只在 箱体内侧实施 ,粘合剂 外门通风口部分密封 喷漆后 RTV 防水胶 底座部分密封 喷漆后 RTV 防水胶 外门接缝 喷漆前 粘合剂 正门制动导板部 喷漆前 粘合剂 2.1.4.柜体的接地 2.1.4.1 接地端子 螺旋夹式吊环螺钉安装部分 LCP柜顶螺纹部涂RTV防水胶 喷漆后 RTV 防水胶 铰接部位 (图表示箱体侧,门也按 同样方法处理) 喷漆后 RTV 防水胶 接地端子应按照下图可靠焊接在柜体的外部,如有特殊要求,也可安装在柜体的内部。 主要由接地座(K6953386#001)、接地端子(K6953381#001)、螺栓三部分组成,相关材料和表面处理 见下表。 部件 材料 表面处理 接地座/接地端子 钢或铜 在钢的表面进行防腐处理 螺栓 M12,长度任意,F71(热镀锌) 户内使用同左 2.1.4.2 接地母线 接地母线采用4mm×40mm 铜排,在铜排中心每隔 30mm 钻 M5 的通孔,然后镀银或镀镍,用螺钉 紧固联接在柜体上。固定时应注意,去除涂漆的范围不应超出接地排的宽度。 接地排不得分段,应可靠的联接成为整体。如接地排较长时,应增加接地排支撑点,接地排上应有明显接地标示。如下图所示。 柜体构架 接地装置 去除涂漆的范围不应超出接地排的宽度 注 意 : 接 地 排 距 柜 体 底 板 的 距 离 最 小 为 50mm。 连 接 柜 门 与 柜 体 之 间 的 接 地 线 , 在 连 接 前 必 须 清 除 接 地 螺 栓 外 ...

1、当您付费下载文档后,您只拥有了使用权限,并不意味着购买了版权,文档只能用于自身使用,不得用于其他商业用途(如 [转卖]进行直接盈利或[编辑后售卖]进行间接盈利)。
2、本站所有内容均由合作方或网友上传,本站不对文档的完整性、权威性及其观点立场正确性做任何保证或承诺!文档内容仅供研究参考,付费前请自行鉴别。
3、如文档内容存在违规,或者侵犯商业秘密、侵犯著作权等,请点击“违规举报”。

碎片内容

电气控制柜检验规程

您可能关注的文档

确认删除?
VIP
微信客服
  • 扫码咨询
会员Q群
  • 会员专属群点击这里加入QQ群
客服邮箱
回到顶部