电脑桌面
添加小米粒文库到电脑桌面
安装后可以在桌面快捷访问

电气照明施工图内容

电气照明施工图内容_第1页
1/9
电气照明施工图内容_第2页
2/9
电气照明施工图内容_第3页
3/9
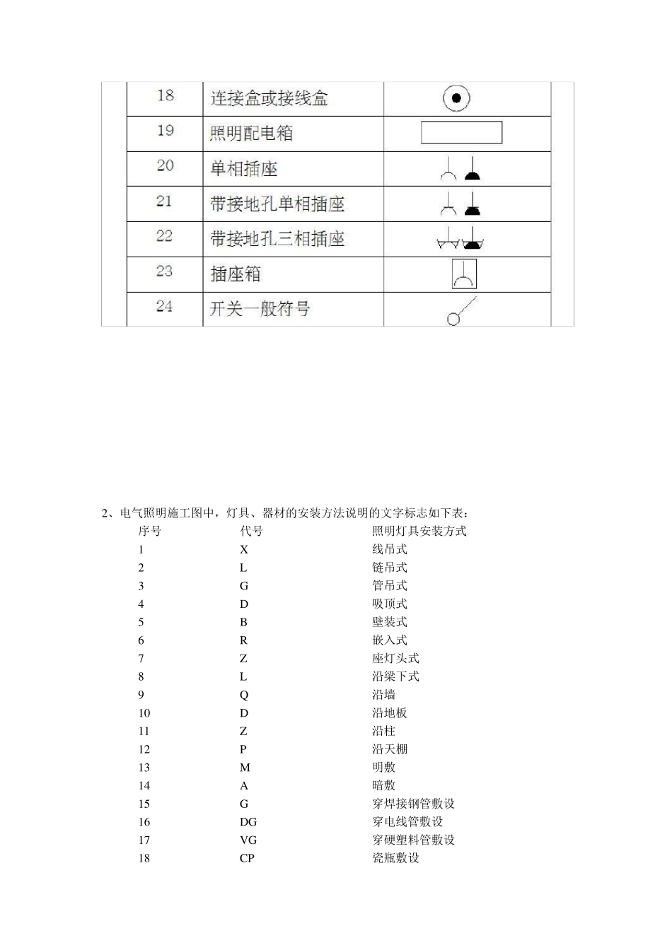
一、室内电气照明施工图应包括的内容 1 、 图纸目录及设计说明 ①目录表明电气照明施工图的编制顺序及每张图的图名,便于查询; ②设计说明中主要说明电源来路,线路材料及敷设方法,材料及设备规格、数量、技术参数、供货厂家,施工中的有关技术要求等。 2 、 电气原理图 电气照明施工图具有很强的原理性,其接线原理应按电工学的有关规定执行。电气原理图主要表明下列内容: ①建筑物内的配电系统的组成和连接的原理; ②各回路配电装置的组成,用电容量值; ③导线和器材的型号、规格、根数、辐射方法、穿线管的名称、管径; ④各回路的去向; ⑤线路中设备、器材的接地方式。 3 、 电器照明施工平面图: 电气照明施工图是在建筑平面图的基础上绘制而成的,主要表明下列内容: ①电源进户线的位置,导线规格,型号根数,引入方法(架空引入时注明架空高度,从地下敷设引入时注明穿管材料、名称、管径等); ②配电箱的位置(包括主配电箱、分配电箱等); ③各用电器材、设备的平面位置、安装高度、安装方法、用电功率等; ④线路的敷设方法,穿线器材的名称、管径、导线名称、规格、根数; ⑤从各配电箱引出回路的编号; ⑥屋顶防雷平面图及室外接地平面图,还反映防雷带布置平面,选用材料、名称、规格、防雷引下方法,接地极材料、规格、安装要求等。 4 、 电气安装大样图 电气安装大样图是表明电气工程中某一部位的具体安装节点详图或安装要求的图样,通常参见现有的安装手册,除特殊情况外,图纸中一般不予画出。 二、室内电气照明施工图的识读及注意事项 1 、常用电气照明线路及灯具、器材的图例如下表: 2、电气照明施工图中,灯具、器材的安装方法说明的文字标志如下表: 序号 代号 照明灯具安装方式 1 X 线吊式 2 L 链吊式 3 G 管吊式 4 D 吸顶式 5 B 壁装式 6 R 嵌入式 7 Z 座灯头式 8 L 沿梁下式 9 Q 沿墙 10 D 沿地板 11 Z 沿柱 12 P 沿天棚 13 M 明敷 14 A 暗敷 15 G 穿焊接钢管敷设 16 DG 穿电线管敷设 17 VG 穿硬塑料管敷设 18 CP 瓷瓶敷设 19 QD 卡钉敷设 20 S 用钢索敷设 21 CB 槽板敷设 22 P 乳白玻璃平罩灯 23 J 水晶底罩灯 24 W 碗型罩灯 25 S 搪瓷伞形罩灯 26 T 圆筒形罩灯 3、识读方法 要正确识读室内电气照明施工图,可从以下几方面招手: ① 从设计说明入手,了解整个设计的意图及有关要求; ...

1、当您付费下载文档后,您只拥有了使用权限,并不意味着购买了版权,文档只能用于自身使用,不得用于其他商业用途(如 [转卖]进行直接盈利或[编辑后售卖]进行间接盈利)。
2、本站所有内容均由合作方或网友上传,本站不对文档的完整性、权威性及其观点立场正确性做任何保证或承诺!文档内容仅供研究参考,付费前请自行鉴别。
3、如文档内容存在违规,或者侵犯商业秘密、侵犯著作权等,请点击“违规举报”。

碎片内容

电气照明施工图内容

您可能关注的文档

确认删除?
VIP
微信客服
  • 扫码咨询
会员Q群
  • 会员专属群点击这里加入QQ群
客服邮箱
回到顶部