电脑桌面
添加小米粒文库到电脑桌面
安装后可以在桌面快捷访问

电源实训报告

电源实训报告_第1页
1/6
电源实训报告_第2页
2/6
电源实训报告_第3页
3/6
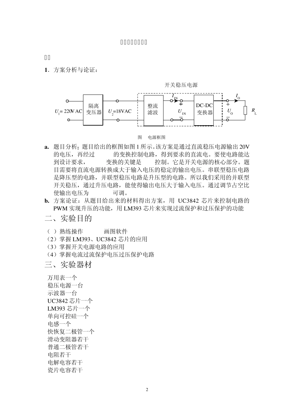
1 电源技术实训报告 实训课题:开关稳压电源制作 系 别:机电工程系 班 级:08 通信 姓 名:董金灯 学 号:0806090129 指导老师:郭农斐 时 间:2010 年 12 月 2 开关稳压电源制作 一、 1.方案分析与论证: UORLU1= 220VACU2=18VAC隔离变压器DC-DC变换器IO整流滤波U INIIN开关稳压电源 图1 电源框图 a. 题目分析: 题目给出的框图如图1 所示。该方案是通过直流稳压电源输出20V的电压,再经过DC-DC的变换控制电路,得到要求的直流电。要使电路能达到设计要求,DC-DC变换的关键是PWM控制。它是开关电源的核心部分。题目需要将直流电源转换成大于输入电压的稳定的输出电压。串联型稳压电路是降压型的电路,并联型稳压电路是升压型的电路。所以我们采用的并联型开关稳压,通过升压电路,能使得输出电压大于输入电压。通过调节占空比使输出电压为30V-36V可调。 b. 方案论证:从题目给出来的材料得出方案,用UC3842 芯片来控制电路的PW M 实现升压的功能,用LM393 芯片来实现过流保护和过压保护的功能 二、实验目的 (1)熟练操作 protel画图软件 (2)掌握 LM393、UC3842 芯片的应用 (3)掌握开关电源电路的应用 (4)掌握电流过流保护电压过压保护电路 三、实验器材 万用表一个 稳压电源一台 示波器一台 UC3842 芯片一个 LM393 芯片一个 单向可控硅一个 电感一个 快恢复二极管一个 滑动变阻器若干 普通二极管若干 电阻若干 电解电容若干 瓷片电容若干 3 四、实验原理 (1)下图是 uc3842 的内部原理图 由图可以看出 第 1,2 脚接一个瓷片电容可以组成积分电路 第 3 脚电流取样 第 4,8 脚可以组成一个振荡电路 第 5 脚接地 第 6 脚是脉冲控制信号的输出 第 7 脚要有 18V 以上的开机启动电压(2)下图是 LM393 的内部原理图; 4 LM393 里面集成的两个比较器在本实验中是用来做过流保护和过压保护的 (3)实验原理图 (4)电路设计与分析 如图所示在用稳压电源输入20V 的电压后经过滤波在经过一个470 欧姆的电阻降压后再经过滤波接到UC3842 的第7 管脚给UC3842 芯片提供工作电压,第1,2 管脚之间并上的一个1M 电阻跟芯片里面的形成积分电路和104 瓷片电容在电图正常工作的时候防止产生出来的信号波形漂移。在第4,8 脚并上一个10K的电阻和第4 脚的瓷片电容(472)还有 uc3842 形成一个振荡电路,在第8 脚接上一个104 的瓷片电容用来滤波...

1、当您付费下载文档后,您只拥有了使用权限,并不意味着购买了版权,文档只能用于自身使用,不得用于其他商业用途(如 [转卖]进行直接盈利或[编辑后售卖]进行间接盈利)。
2、本站所有内容均由合作方或网友上传,本站不对文档的完整性、权威性及其观点立场正确性做任何保证或承诺!文档内容仅供研究参考,付费前请自行鉴别。
3、如文档内容存在违规,或者侵犯商业秘密、侵犯著作权等,请点击“违规举报”。

碎片内容

电源实训报告

您可能关注的文档

确认删除?
VIP
微信客服
  • 扫码咨询
会员Q群
  • 会员专属群点击这里加入QQ群
客服邮箱
回到顶部