电脑桌面
添加小米粒文库到电脑桌面
安装后可以在桌面快捷访问

电线电缆型号命名方法

电线电缆型号命名方法_第1页
1/10
电线电缆型号命名方法_第2页
2/10
电线电缆型号命名方法_第3页
3/10
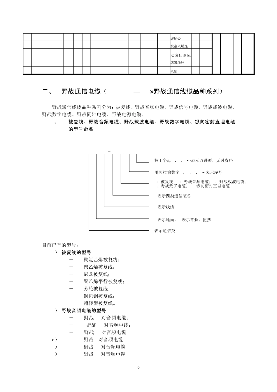
5 电线电缆型号命名方法 一、 射频电缆(GJB973A-2004柔软和半硬射频电缆通用规范等) 射频电缆型号结构示意图如下,其中近似介质芯外径一般按照四舍五入原则修约成整数: 分类代号 导体 绝缘 外导体 护套 派生-标称特性阻抗-近似介质芯外径-结构序号 其它 表1 电缆型号代号及意义 分类 内导体 绝缘 外导体 护套 派生特性 标称特性阻抗 绝缘 外径 结构序号 其它 代号 意义 代号 意义 代号 意义 代号 意义 代号 意义 代号 意义 S 同轴射频电缆 省略 铜 D 聚乙烯空气 编织和皱纹 B 玻璃丝编织浸有机硅漆 K 铠装 按四舍五入原则修约后的整数,用阿拉伯数字表示。 由分规范或详细规范规定。 (英寸)(当有时) SE 对称射频电缆 镀银铜 F 聚四氟乙烯实心(PTFE) T 铜管 D 涤纶丝 Z 自承式 SG 高压同轴射频电缆 镀锡铜 F46 聚全氟乙丙烯(FEP) X 浸锡 F 氟 四氟 乙烯实心(PTFE) SLC 耦合型漏泄同轴射频电缆 铜合金 FC 微孔聚四氟乙烯半空气 F46 聚全 氟 乙丙烯(FEP) SLR 辐射型漏泄同轴射频电缆 镀银铜合金 FF 发泡聚全氟乙丙烯(FEP) FK 可 溶 性聚四氟乙烯(PFA) SM 水密同轴射频电缆 铜包钢 R 交联聚乙烯实心 G 硅橡胶 SW 稳相同轴射频电缆 镀银铜包钢 U 氟塑料空气 H 橡皮 ST 特种射频电缆 L 铝 Y 聚乙烯实心 HL 氯丁橡胶 镀银铝 YD 垫片小管聚乙烯半空气 J 聚氨酯 YF 发泡聚乙烯半空气 JL 锦纶丝 YK 纵孔聚乙烯半空气 K 芳纶 YS 绳管聚乙烯半空气 R 交联聚乙烯 YW 物理发泡聚乙烯半空气 (仅用于CATV电缆) S 热缩管 T 乙丙弹性体 V 聚氯乙烯 VZ 阻燃 聚氯 乙烯 6 二、 野战通信电缆(GJB 424A—200×野战通信线缆品种系列) 野战通信线缆品种系列分为:被复线、野战音频电缆、野战信号电缆、野战载波电缆、野战数字电缆、野战同轴电缆、野战电源电缆。 1、 被复线、野战音频电缆、野战载波电缆、野战数字电缆、纵向密封直埋电缆的型号命名 T G E – X X X X 目前已有的型号: 1) 被复线的型号 a) TGE-701 聚氯乙烯被复线; b) TGE-702 聚乙烯被复线; c) TGE-704 尼龙被复线; d) TGE-705 聚乙烯平行被复线; e) TGE-706 芳纶被复线; f) TGE-707 铜包钢被复线; g) TGE-708 超轻型被复线。 2) 野战音频电缆的型号 a) TGE-712 野...

1、当您付费下载文档后,您只拥有了使用权限,并不意味着购买了版权,文档只能用于自身使用,不得用于其他商业用途(如 [转卖]进行直接盈利或[编辑后售卖]进行间接盈利)。
2、本站所有内容均由合作方或网友上传,本站不对文档的完整性、权威性及其观点立场正确性做任何保证或承诺!文档内容仅供研究参考,付费前请自行鉴别。
3、如文档内容存在违规,或者侵犯商业秘密、侵犯著作权等,请点击“违规举报”。

碎片内容

电线电缆型号命名方法

小辰7+ 关注
实名认证
内容提供者

出售各种资料和文档

相关文档

确认删除?
VIP
微信客服
  • 扫码咨询
会员Q群
  • 会员专属群点击这里加入QQ群
客服邮箱
回到顶部