电脑桌面
添加小米粒文库到电脑桌面
安装后可以在桌面快捷访问

电缆敷设工程作业指导书

电缆敷设工程作业指导书_第1页
1/10
电缆敷设工程作业指导书_第2页
2/10
电缆敷设工程作业指导书_第3页
3/10
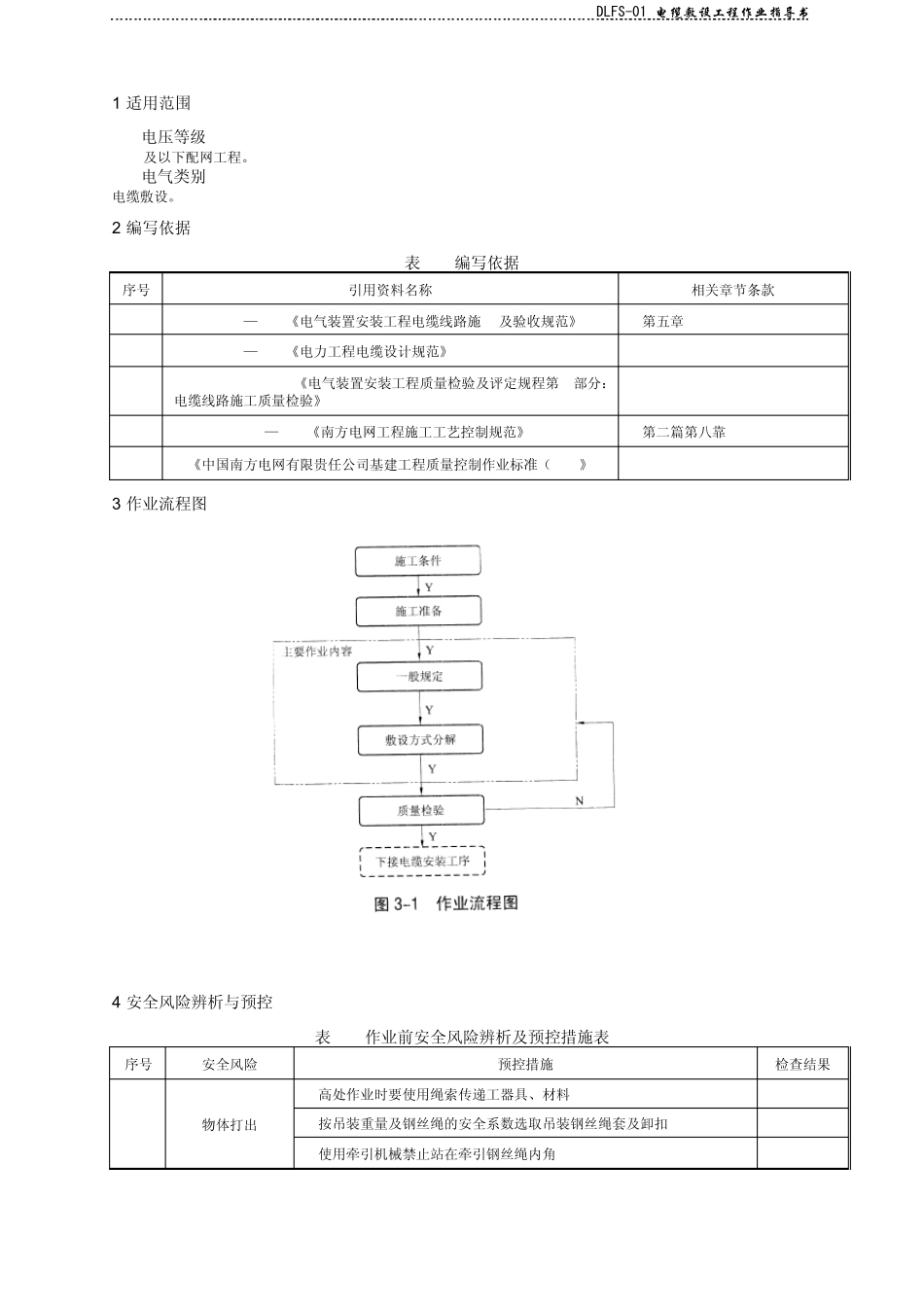
中国南方电网有限责任公司电网建设施工作业指导书 第 4部分:配网工程 目次 1适用范围 ......................................................................................... 2 2编写依据 ......................................................................................... 2 3作业流程图 ....................................................................................... 2 4安全风险辨析与预控 ............................................................................... 2 5作业内容 ......................................................................................... 4 DLFS-01 电缆敷设工程作业指导书 1 适用范围 1.1电压等级 35kV及以下配网工程。 1.2电气类别 电缆敷设。 2 编写依据 表2-1编写依据 序号 引用资料名称 相关章节条款 1 GB 50168—2006《电气装置安装工程电缆线路施 1:及验收规范》 第五章 2 GB 50217—2007《电力工程电缆设计规范》 3 DL/T 5161.5-2002《电气装置安装工程质量检验及评定规程第 5部分:电缆线路施工质量检验》 4 Q/CSG 11105—2008《南方电网工程施工工艺控制规范》 第二篇第八靠 5 《中国南方电网有限贵任公司基建工程质量控制作业标准(WHS)》 3 作业流程图 4 安全风险辨析与预控 表4-1作业前安全风险辨析及预控措施表 序号 安全风险 预控措施 检查结果 1 物体打出 高处作业时要使用绳索传递工器具、材料 按吊装重量及钢丝绳的安全系数选取吊装钢丝绳套及卸扣 使用牵引机械禁止站在牵引钢丝绳内角 中国南方电网有限责任公司电网建设施工作业指导书 第 4部分:配网工程 表 4-1 (续) 序号 安全风险 预控措施 检査结果 1 物体打击 使用符合规定的钢丝绳,防止钢丝绳断裂伤人 敷设电缆时,电缆盘设专人监护,并有可靠制动措施 禁止在敷设中的电缆旁边停留,防止电缆压伤手脚 2 起重伤害 起重机应按吊装工作半径就位,回转半径内严禁站人;各支腿承点必须牢固可靠,在各支腿下应加木,上质松软的地方应加垫钢板 吊臂及重物下严禁站人 电缆盘装卸起吊点要合适、绑扎牢同 吊钩的防脱钩装置必须完整友效 起重机起吊重物期间,操作员不能离幵操作台 3 高处坠落 安全带应系在牢同的构件上,卨处作业转位时,不得失去安全带保护 路边敷设电缆,施工现场必须做好安全围蔽...

1、当您付费下载文档后,您只拥有了使用权限,并不意味着购买了版权,文档只能用于自身使用,不得用于其他商业用途(如 [转卖]进行直接盈利或[编辑后售卖]进行间接盈利)。
2、本站所有内容均由合作方或网友上传,本站不对文档的完整性、权威性及其观点立场正确性做任何保证或承诺!文档内容仅供研究参考,付费前请自行鉴别。
3、如文档内容存在违规,或者侵犯商业秘密、侵犯著作权等,请点击“违规举报”。

碎片内容

电缆敷设工程作业指导书

确认删除?
VIP
微信客服
  • 扫码咨询
会员Q群
  • 会员专属群点击这里加入QQ群
客服邮箱
回到顶部