电脑桌面
添加小米粒文库到电脑桌面
安装后可以在桌面快捷访问

电缆桥架相关技术参数

电缆桥架相关技术参数_第1页
1/8
电缆桥架相关技术参数_第2页
2/8
电缆桥架相关技术参数_第3页
3/8
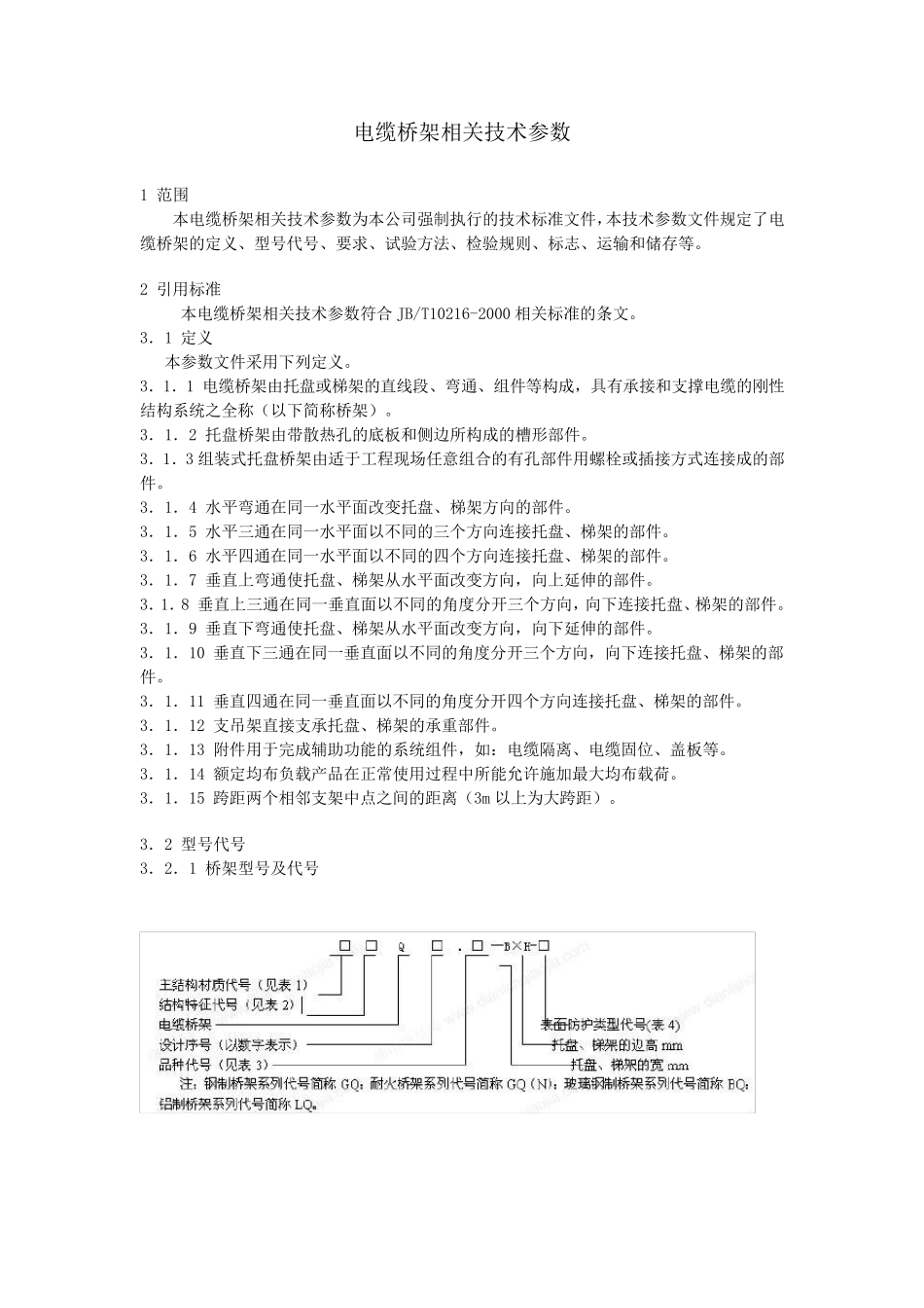
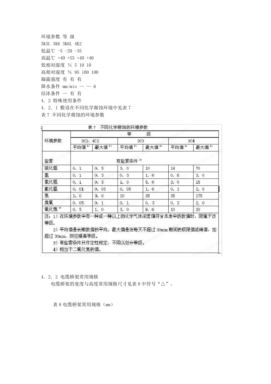
电缆桥架相关技术参数 1 范围 本电缆桥架相关技术参数为本公司强制执行的技术标准文件,本技术参数文件规定了电缆桥架的定义、型号代号、要求、试验方法、检验规则、标志、运输和储存等。 2 引用标准 本电缆桥架相关技术参数符合 JB/T10216-2000 相关标准的条文。 3.1 定义 本参数文件采用下列定义。 3.1.1 电缆桥架由托盘或梯架的直线段、弯通、组件等构成,具有承接和支撑电缆的刚性结构系统之全称(以下简称桥架)。 3.1.2 托盘桥架由带散热孔的底板和侧边所构成的槽形部件。 3.1.3 组装式托盘桥架由适于工程现场任意组合的有孔部件用螺栓或插接方式连接成的部件。 3.1.4 水平弯通在同一水平面改变托盘、梯架方向的部件。 3.1.5 水平三通在同一水平面以不同的三个方向连接托盘、梯架的部件。 3.1.6 水平四通在同一水平面以不同的四个方向连接托盘、梯架的部件。 3.1.7 垂直上弯通使托盘、梯架从水平面改变方向,向上延伸的部件。 3.1.8 垂直上三通在同一垂直面以不同的角度分开三个方向,向下连接托盘、梯架的部件。 3.1.9 垂直下弯通使托盘、梯架从水平面改变方向,向下延伸的部件。 3.1.10 垂直下三通在同一垂直面以不同的角度分开三个方向,向下连接托盘、梯架的部件。 3.1.11 垂直四通在同一垂直面以不同的角度分开四个方向连接托盘、梯架的部件。 3.1.12 支吊架直接支承托盘、梯架的承重部件。 3.1.13 附件用于完成辅助功能的系统组件,如:电缆隔离、电缆固位、盖板等。 3.1.14 额定均布负载产品 在正 常 使用过 程中 所能允 许 施 加 最 大 均布载荷 。 3.1.15 跨 距 两 个相邻 支架中 点 之间 的距 离(3m 以上为大 跨 距 )。 3.2 型号代号 3.2.1 桥架型号及 代号 3.2.2 桥架型号示例 举例: 型号:XQJ-P1-200×50TH 含义:200mm×50mm 钢制汇线有孔托盘直线段电缆桥架,设计序号1,防护类型为湿热型。 4 要求 4.1 正常使用条件 4.1.1 安装地点的海拔高度不超过 2000m。 4.1.2 不同气候环境等级的参数见表 6。 表 6 不同气候环境等级的参数 环境参数 等 级 3K5L 3K6 3K6L 4K2 低温℃ -5 -20 -35 高温℃ +40 +55 +40 +40 低相对湿度 % 5 10 10 高相对湿度 % 95 100 100 凝露强度 有 有 有 降水条件 mm/min — — 6 结冰条件 — 有 有 4.2 特殊使用...

1、当您付费下载文档后,您只拥有了使用权限,并不意味着购买了版权,文档只能用于自身使用,不得用于其他商业用途(如 [转卖]进行直接盈利或[编辑后售卖]进行间接盈利)。
2、本站所有内容均由合作方或网友上传,本站不对文档的完整性、权威性及其观点立场正确性做任何保证或承诺!文档内容仅供研究参考,付费前请自行鉴别。
3、如文档内容存在违规,或者侵犯商业秘密、侵犯著作权等,请点击“违规举报”。

碎片内容

电缆桥架相关技术参数

确认删除?
VIP
微信客服
  • 扫码咨询
会员Q群
  • 会员专属群点击这里加入QQ群
客服邮箱
回到顶部