电脑桌面
添加小米粒文库到电脑桌面
安装后可以在桌面快捷访问

电缆电气试验标准化作业指导书

电缆电气试验标准化作业指导书_第1页
1/14
电缆电气试验标准化作业指导书_第2页
2/14
电缆电气试验标准化作业指导书_第3页
3/14
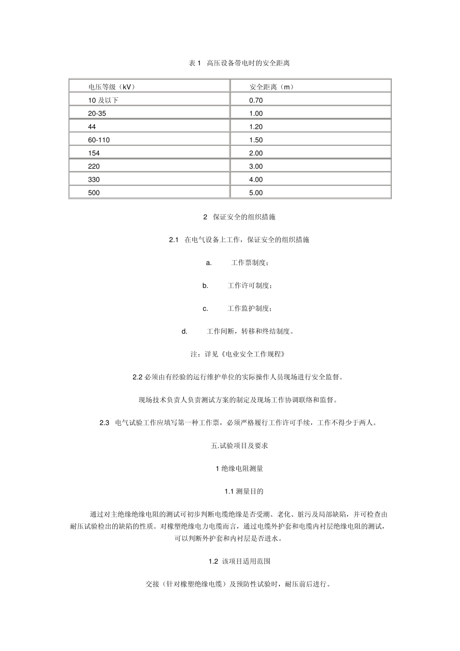
电缆电气试验标准化作业指导书(试行) 电缆电气试验标准化作业指导书(试行) 一 适用范围 1、本指导书适用于 1kV 及以上电缆(包括橡塑绝缘电缆和油纸绝缘电缆)的交接、预防性试验。 二 引用的标准和规程 GB 50150-91 电气设备交接试验标准 DL/T596-96 《电力设备预防性试验规程》 三 试验仪器、仪表及材料 1. 交接及大修后(新作终端或接头后)试验所需仪器及设备材料: 序号 试验所用设备(材料) 数量 序号 试验所用设备(材料) 数量 1 500V、1000V、2500V 兆欧表 各1块 11 带有屏蔽层的测量导线 1根 2 调压器 1只 12 试验导线 若干 3 试验变压器 1台 13 交流试验变压器 1台 4 高压硅堆 1根 14 干湿温度计 1只 5 保护电阻 1只 15 电源盘 2只 6 电压表 1块 16 平口螺丝刀 1把 7 微安表 1块 17 梅花螺丝刀 1把 8 数字万用表 1块 18 计算器 1只 9 双臂电桥 1只 19 试验原始记录 1本 10 串联谐振试验设备 1套 2. 预防性试验所需仪器及设备材料: 序号 试验所用设备(材料) 数量 序号 试验所用设备(材料) 数量 1 500V、1000V、2500V 兆欧表 各1块 10 带有屏蔽层的测量导线 1根 2 调压器 1只 11 试验导线 若干 3 试验变压器 1台 12 交流试验变压器 1台 4 高压硅堆 1根 13 干湿温度计 1只 5 保护电阻 1只 14 电源盘 2只 6 电压表 1块 15 平口螺丝刀 1把 7 微安表 1块 16 梅花螺丝刀 1把 8 双臂电桥 1只 17 计算器 1只 9 串联谐振试验设备 1套 18 试验原始记录 1本 注: 如果使用直流高压发生器一套时,也可不需2~7 所列设备 四 安全工作的一般要求 1 基本要求 1.1 为了保证工作人员在现场试验中的安全和健康,电力系统发、供、配电气设备的安全运行,必须严格执行 DL409-1991《电业安全工作规程》。 1.2 加压前必须认真检查试验接线,表计倍率、量程,通知有关人员离开被试设备,加压时,必须将被测设备从各方面断开,验明无电压,确实证明设备无人工作,且电缆的另一端已派专人看守后,方可进行。在加压过程中,试验人员应精力集中,操作人应站在绝缘垫上。 1.3 摇测电缆绝缘电阻时,测量完毕,仍然要摇动摇表,使其保持转速,待引线与被试品分开后,才能停止摇动,以防止由于试品电容积聚的电荷反放电损坏兆欧表。 1.4 变更接线或绝缘电阻试验以及直流耐压结束后应对电...

1、当您付费下载文档后,您只拥有了使用权限,并不意味着购买了版权,文档只能用于自身使用,不得用于其他商业用途(如 [转卖]进行直接盈利或[编辑后售卖]进行间接盈利)。
2、本站所有内容均由合作方或网友上传,本站不对文档的完整性、权威性及其观点立场正确性做任何保证或承诺!文档内容仅供研究参考,付费前请自行鉴别。
3、如文档内容存在违规,或者侵犯商业秘密、侵犯著作权等,请点击“违规举报”。

碎片内容

电缆电气试验标准化作业指导书

您可能关注的文档

确认删除?
VIP
微信客服
  • 扫码咨询
会员Q群
  • 会员专属群点击这里加入QQ群
客服邮箱
回到顶部