电脑桌面
添加小米粒文库到电脑桌面
安装后可以在桌面快捷访问

电阻电容的分类与特性选择

电阻电容的分类与特性选择_第1页
1/12
电阻电容的分类与特性选择_第2页
2/12
电阻电容的分类与特性选择_第3页
3/12
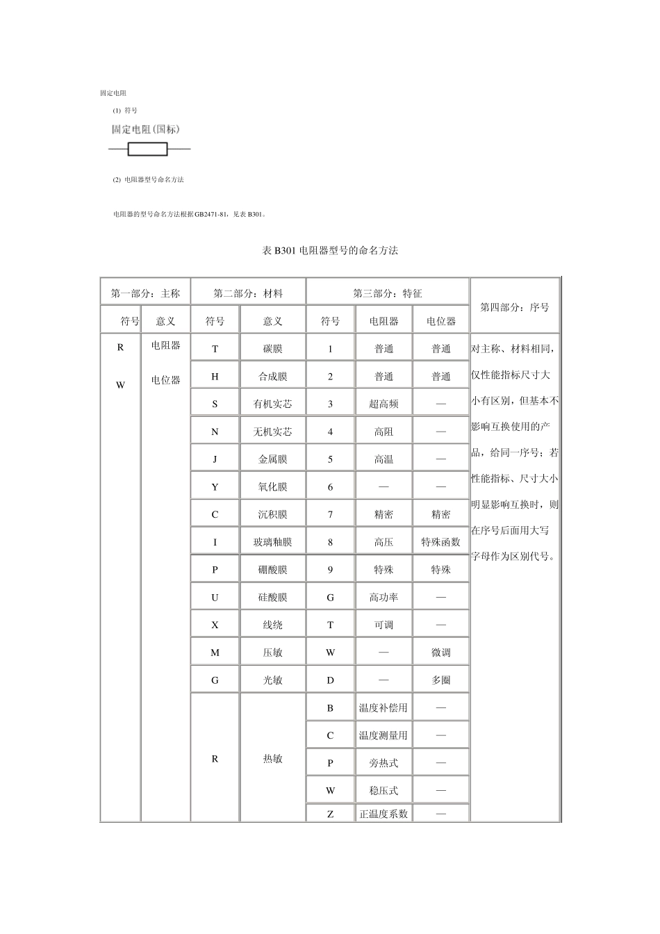
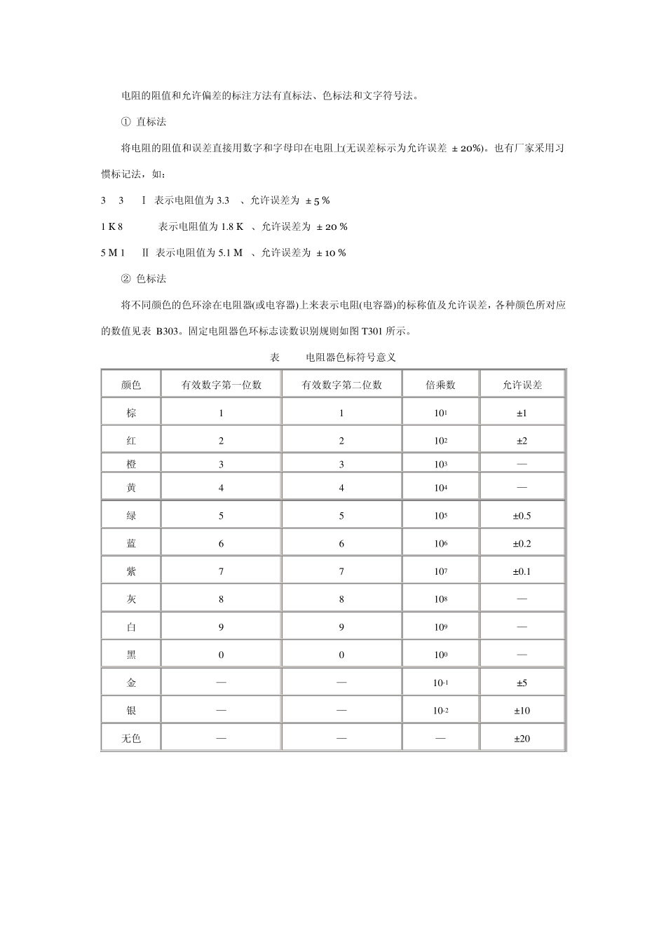
固定电阻 (1) 符号 (2) 电阻器型号命名方法 电阻器的型号命名方法根据GB2471-81,见表B301。 表B301 电阻器型号的命名方法 第一部分:主称 第二部分:材料 第三部分:特征 第四部分:序号 符号 意义 符号 意义 符号 电阻器 电位器 R W 电阻器 电位器 T 碳膜 1 普通 普通 对主称、材料相同,仅性能指标尺寸大小有区别,但基本不影响互换使用的产品,给同一序号;若性能指标、尺寸大小明显影响互换时,则在序号后面用大写字母作为区别代号。 H 合成膜 2 普通 普通 S 有机实芯 3 超高频 — N 无机实芯 4 高阻 — J 金属膜 5 高温 — Y 氧化膜 6 — — C 沉积膜 7 精密 精密 I 玻璃釉膜 8 高压 特殊函数 P 硼酸膜 9 特殊 特殊 U 硅酸膜 G 高功率 — X 线绕 T 可调 — M 压敏 W — 微调 G 光敏 D — 多圈 R 热敏 B 温度补偿用 — C 温度测量用 — P 旁热式 — W 稳压式 — Z 正温度系数 — (3) 电阻值的标识 例如:按部颁标准规定,电阻值的标称值应为表B302 所列数字的10n 倍,其中,n 为正整数、负整数或零。 精密金属膜电阻器 R J 7 3 第四部分:序号 第三部分:类别(精密) 第二部分:材料(金属膜) 第一部分:主称(电阻器) 表B302 电阻器(电位器、电容器)标称系列及误差表 系列 允许误差 电 阻 器 的 标 称 值 E24 Ⅰ级(±5%) 1.0 1.1 1.2 1.3 1.5 1.6 1.8 2.0 2.2 2.4 2.7 3.0 3.3 3.6 3.9 4.3 4.7 5.1 5.6 6.2 6.8 7.5 8.2 9.1 E12 Ⅱ 级(±10%) 1.0 1.2 1.5 1.8 2.2 2.7 3.3 3.9 4.7 5.6 6.8 8.2 E6 Ⅲ 级(±20%) 1.0 1.5 2.2 3.3 4.7 6.8 多圈线绕电位器 W X D 3 序号 多圈 线绕 电位器 电阻的阻值和允许偏差的标注方法有直标法、色标法和文字符号法。 ① 直标法 将电阻的阻值和误差直接用数字和字母印在电阻上(无误差标示为允许误差 ± 20%)。也有厂家采用习惯标记法,如: 3 Ω 3 Ⅰ 表示电阻值为3.3 Ω、允许误差为 ± 5 % 1 K 8 表示电阻值为1.8 KΩ、允许误差为 ± 20 % 5 M 1 Ⅱ 表示电阻值为5.1 MΩ、允许误差为 ± 10 % ② 色标法 将不同颜色的色环涂在电阻器(或电容器)上来表示电阻(电容器)的标称值及允许误差,各种颜色所对应的数值见表 B303。固定电阻器色环标志读数识别规则如图T301 所示...

1、当您付费下载文档后,您只拥有了使用权限,并不意味着购买了版权,文档只能用于自身使用,不得用于其他商业用途(如 [转卖]进行直接盈利或[编辑后售卖]进行间接盈利)。
2、本站所有内容均由合作方或网友上传,本站不对文档的完整性、权威性及其观点立场正确性做任何保证或承诺!文档内容仅供研究参考,付费前请自行鉴别。
3、如文档内容存在违规,或者侵犯商业秘密、侵犯著作权等,请点击“违规举报”。

碎片内容

电阻电容的分类与特性选择

小辰8+ 关注
实名认证
内容提供者

出售各种资料和文档

确认删除?
VIP
微信客服
  • 扫码咨询
会员Q群
  • 会员专属群点击这里加入QQ群
客服邮箱
回到顶部