电脑桌面
添加小米粒文库到电脑桌面
安装后可以在桌面快捷访问

界面仪安装使用说明

界面仪安装使用说明_第1页
1/9
界面仪安装使用说明_第2页
2/9
界面仪安装使用说明_第3页
3/9
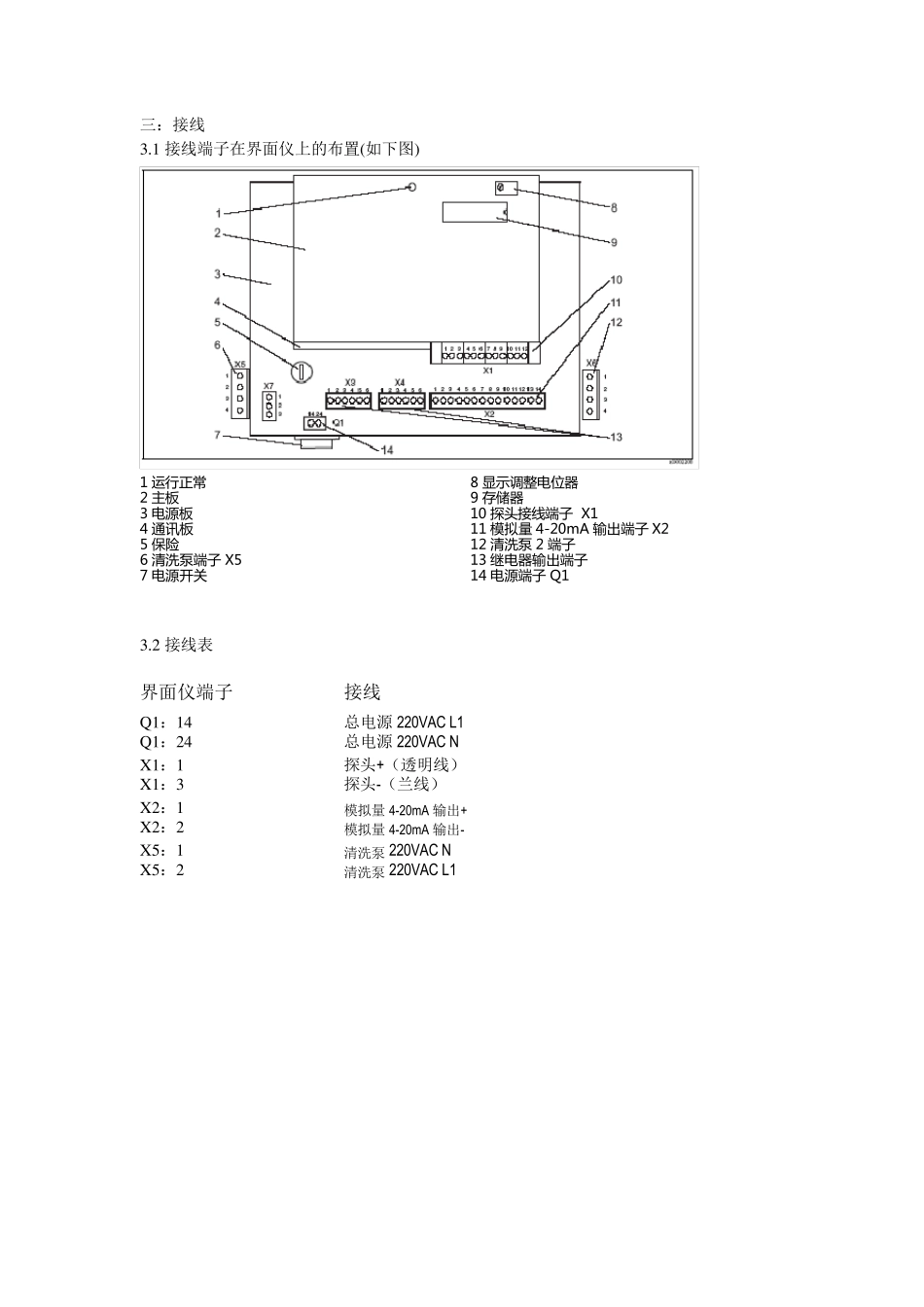
FG D 现场仪表安装使用说明系列之一 北京天一世纪科技有限公司 界 面 仪 安 装 使 用 说 明 一:概述 FGD 工程中使用污泥界面仪探测水下污泥高度,污泥界面仪主要由两部分组成: 1)变送器CUM750—1 E 0 B A ↓ ↓ ↓ ↓ ↓ ↓ ↓ ↓ ↓ 标准版 ↓ ↓ ↓ 4-20mA 输出 ↓ ↓ AC220V 供电 ↓ 英文界面 单通道 2)探头 CUS70—1 A 2 A ↓ ↓ ↓ ↓ ↓ ↓ ↓ 标准版 ↓ ↓ AC220V 清洗泵,带清洗泵支架 ↓ 13m 电缆 标准版 二:安装 安装步骤:(参考右图) 1)将探头(1)的电缆从支架头部穿到尾部,将探头尾部的G1 螺纹拧入支架(2)头部。 2)用缆塞将探头电缆在支架尾部锁紧。 3)将探头电缆与变送器(5)按接线图连接好 4)将清洗泵(7)用清洗泵支架(6)固定于支架头部,并将电缆连接到变送器 5)用安装杆将支架固定与澄清池上方,探头浸没水面以下20厘米。 1-探头 5-变送器 2-探头支架 (可选) 6-清洗泵支架(可选) 3-安装杆(非 E+H 提供) 7-清洗泵(可选) 4-防雨罩(非 E+H 提供) 三:接线 3.1 接线端子在界面仪上的布置(如下图) 1 运 行 正 常 8 显 示 调 整 电 位 器 2 主板 9 存储器 3 电 源板 10 探头接线端子 X1 4 通讯板 11 模拟量 4-20mA 输出端子 X2 5 保险 12 清洗泵 2 端子 6 清洗泵端子 X5 13 继电 器 输出端子 7 电 源开关 14 电 源端子 Q1 3.2 接线表 界面仪端子 接线 Q 1:14 总电源 220VAC L1 Q 1:24 总电源 220VAC N X 1:1 探头+(透明线) X 1:3 探头-(兰线) X 2:1 模拟量 4-20mA 输出+ X 2:2 模拟量 4-20mA 输出- X 5:1 清洗泵 220VAC N X 5:2 清洗泵 220VAC L1 四:操作 4.1 操作显示界面 4.1.1 操作面板4 个功能键的功能: 4 个功能键 功能 按键的作用 1)在菜单中向上移动 到某功能 2)增加数值 1)在菜单中向下移动 到某功能 2)减小数值 1)显示→功能组 2)功能组→功能 3)功能→功能组 1)返回上级菜单 2)确认设定值 4.1.2 测量状态三种显示方式 种类 方式 说明 第一种 数字方式: 1—探头号(我们只用一个探头) 2—界面位置 3—池深 4—测量模式(我们用于界面LEVEL) 5—污泥深度棒图 第二种 图形方式: 1—探头号=POINT 1 2—内部参数(不用) 3—系统电流放大值(不用)...

1、当您付费下载文档后,您只拥有了使用权限,并不意味着购买了版权,文档只能用于自身使用,不得用于其他商业用途(如 [转卖]进行直接盈利或[编辑后售卖]进行间接盈利)。
2、本站所有内容均由合作方或网友上传,本站不对文档的完整性、权威性及其观点立场正确性做任何保证或承诺!文档内容仅供研究参考,付费前请自行鉴别。
3、如文档内容存在违规,或者侵犯商业秘密、侵犯著作权等,请点击“违规举报”。

碎片内容

界面仪安装使用说明

确认删除?
VIP
微信客服
  • 扫码咨询
会员Q群
  • 会员专属群点击这里加入QQ群
客服邮箱
回到顶部