电脑桌面
添加小米粒文库到电脑桌面
安装后可以在桌面快捷访问

皮带机输送机计算

皮带机输送机计算_第1页
1/7
皮带机输送机计算_第2页
2/7
皮带机输送机计算_第3页
3/7
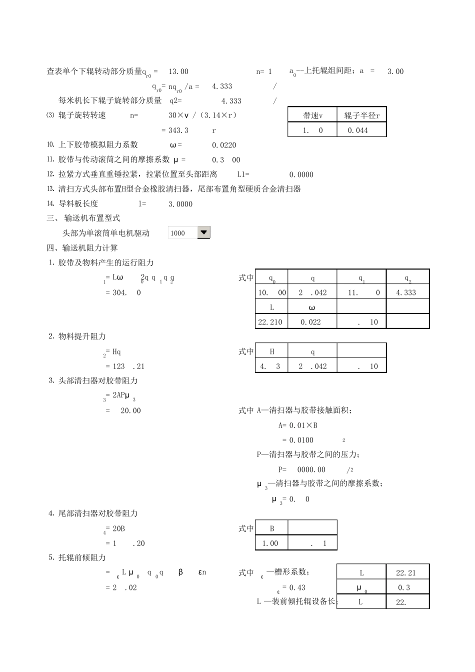
1.运输物料 水泥熟料松散密度 γ = 1450kg/m32.运输能力Q=150.00t/h3.水平运输距离L=22.21m4.胶带倾角β =12.9800° =0.22654 弧度5.胶带速度ν =1.60m/s6.提升高度H=L×tgβ=4.8390m1. 输送机种类2. 胶带宽度B=800mm =1.00m3. 初选胶带尼龙胶带σ = 200N/mm,共有4层上覆盖胶厚度= 4.5mm 下覆盖胶厚度= 1.5mm 4. 输送机理论运量 Q=3.6Sν kγ式中S= 0.030m2k= 1.00带速v松散密度γ Q= 250.560t/h1.601450.005.每米机长胶带质量 q0=10.700kg/m6.每米机长物料质量 q=Q/3.6ν运输能力Q带速v= 26.042kg/m150.001.607.滚筒组D≥ Cod式中 绳芯厚度d=0.0072m= 0.500mCo=90传动滚筒直径D=500mm400mm8.托辊组89mm辊子轴承型号204,辊子轴径Φ20mm,4.70kg, n=31.20qr0= nqr0'/a0=11.750kg/m11.750kg/m89mm辊子轴承型号204,辊子轴径Φ20mm,(2)尾部及主要改向滚筒直径 =Φ⑴ 重载段采用35°槽角托辊组, 辊子直径=Φ⑵ 空载段采用普通V型下托辊组辊子直径=Φ 每米机长上辊子旋转部分质量 q1=一、 原始参数二、 自定义参数S—输送带上物料最大截面积;k—倾斜输送机面积折减系数;查表单个上辊转动部分质量qr0'=a0--上托辊组间距; a0 =(1)头部传动滚筒TD75型13.00kg, n= 13.00qr0= nqr0'/au=4.333kg/m4.333kg/m带速v辊子半径r= 343.35rpm1.600.04450.02200.35000.0000m3.0000mF1=式中q0qq1q2= 304.50N10.70026.04211.7504.333Lωg22.2100.0229.810F2= Hqg式中Hqg= 1236.21N4.83926.0429.810F3== 720.00N式中A= 0.01×B= 0.0100m2P= 60000.00N/m2μ 3= 0.60F4= 20Bg式中Bg= 196.20N1.009.81F5=式中L22.21= 29.02NCε = 0.43μ 00.35Le22.79a0--上托辊组间距;au =⒑ 上下胶带模拟阻力系数 ω =⒒ 胶带与传动滚筒之间的摩擦系数 μ =⒓ 拉紧方式垂直重锤拉紧,拉紧位置至头部距离 L1=⒔ 清扫方式头部布置H型合金橡胶清扫器,尾部布置角型硬质合金清扫器 每米机长下辊子旋转部分质量 q2=⑶ 辊子旋转转速 n=30×ν /(3.14×r)查表单个下辊转动部分质量qr0'=μ 3—清扫器与胶带之间的摩擦系数;⒌ 托辊前倾阻力Le—装前倾托辊设备长;⒊ 头部清扫器对胶带阻力Lω g(2q0+q+q1+q2)三、 输送机布置型式 头部为单滚筒单电机驱动四、输送机阻力计算⒋ 尾部清扫器对胶带阻力P—清扫器与胶带之间的压力;⒈ 胶带及物料产生的运行阻力Cε Leμ 0(q+q0)gcosβ sinε⒕ 导...

1、当您付费下载文档后,您只拥有了使用权限,并不意味着购买了版权,文档只能用于自身使用,不得用于其他商业用途(如 [转卖]进行直接盈利或[编辑后售卖]进行间接盈利)。
2、本站所有内容均由合作方或网友上传,本站不对文档的完整性、权威性及其观点立场正确性做任何保证或承诺!文档内容仅供研究参考,付费前请自行鉴别。
3、如文档内容存在违规,或者侵犯商业秘密、侵犯著作权等,请点击“违规举报”。

碎片内容

皮带机输送机计算

小辰+ 关注
实名认证
内容提供者

出售各种文档和资料

相关文档

确认删除?
VIP
微信客服
  • 扫码咨询
会员Q群
  • 会员专属群点击这里加入QQ群
客服邮箱
回到顶部