电脑桌面
添加小米粒文库到电脑桌面
安装后可以在桌面快捷访问

监理平行检验记录——模板VIP专享

监理平行检验记录——模板_第1页
1/22
监理平行检验记录——模板_第2页
2/22
监理平行检验记录——模板_第3页
3/22
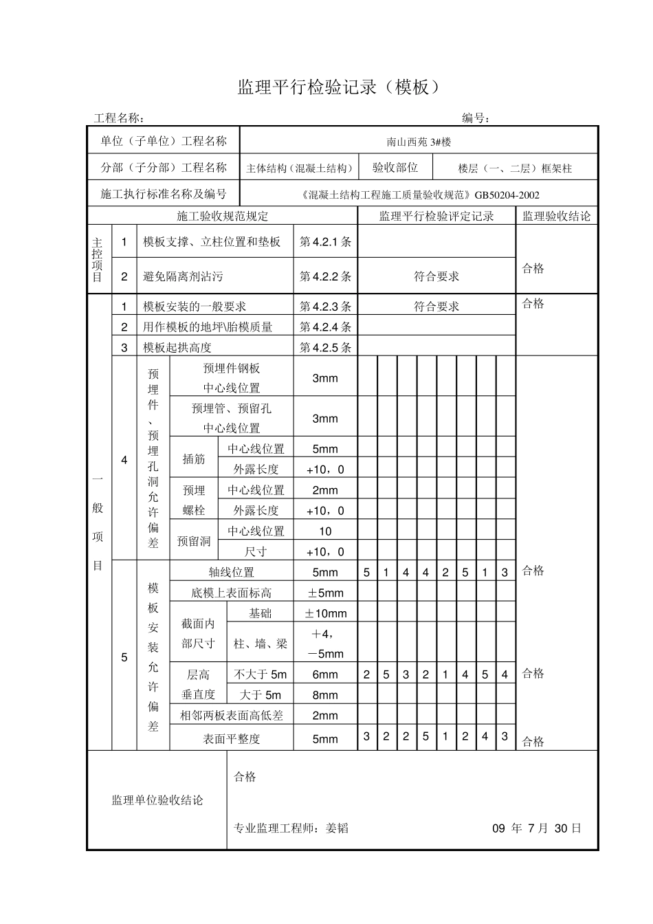
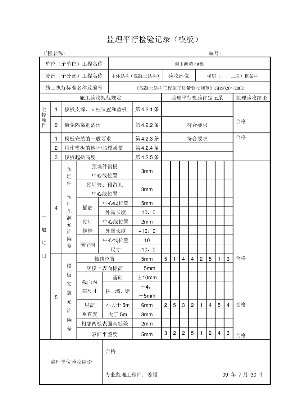
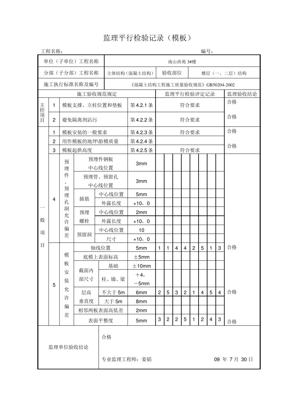
监理平行检验记录(模板) 工程名称: 编号: 单位(子单位)工程名称 南山西苑3#楼 分部(子分部)工程名称 主体结构(混凝土结构) 验收部位 楼层(一、二层)框架柱 施工执行标准名称及编号 《混凝土结构工程施工质量验收规范》GB50204-2002 施工验收规范规定 监理平行检验评定记录 监理验收结论 主控项目 1 模板支撑、立柱位置和垫板 第4.2.1 条 合格 2 避免隔离剂沾污 第4.2.2 条 符合要求 一 般 项 目 1 模板安装的一般要求 第4.2.3 条 符合要求 合格 2 用作模板的地坪\胎模质量 第4.2.4 条 3 模板起拱高度 第4.2.5 条 4 预埋 件 、 预埋孔洞允许偏差 预埋件钢板 中心线位置 3m m 合格 合格 合格 预埋管、预留孔 中心线位置 3m m 插筋 中心线位置 5m m 外露长度 +10,0 预埋 螺栓 中心线位置 2m m 外露长度 +10,0 预留洞 中心线位置 10 尺寸 +10,0 5 模板安装允许偏差 轴线位置 5m m 5 1 4 4 2 5 1 3 底模上表面标高 ±5m m 截面内部尺寸 基础 ±10m m 柱、墙、梁 +4, -5m m 层高 垂直度 不大于 5m 6m m 2 5 3 2 1 4 5 4 大于 5m 8m m 相邻两板表面高低差 2m m 表面平整度 5m m 3 2 2 5 1 2 4 3 监理单位验收结论 合格 专业监理工程师:姜韬 09 年 7 月 30 日 监理平行检验记录(模板) 工程名称: 编号: 单位(子单位)工程名称 南山西苑3#楼 分部(子分部)工程名称 主体结构(混凝土结构) 验收部位 楼层(一、二层)结构 施工执行标准名称及编号 《混凝土结构工程施工质量验收规范》GB50204-2002 施工验收规范规定 监理平行检验评定记录 监理验收结论 主控项目 1 模板支撑、立柱位置和垫板 第4.2.1 条 符合要求 合格 合格 2 避免隔离剂沾污 第4.2.2 条 符合要求 一 般 项 目 1 模板安装的一般要求 第4.2.3 条 符合要求 合格 合格 2 用作模板的地坪\胎模质量 第4.2.4 条 3 模板起拱高度 第4.2.5 条 符合要求 4 预埋 件 、 预埋孔洞允许偏差 预埋件钢板 中心线位置 3m m 合格 合格 合格 预埋管、预留孔 中心线位置 3m m 插筋 中心线位置 5m m 外露长度 +10,0 预埋 螺栓 中心线位置 2m m 外露长度 +10,0 预留洞 中心线位置 10 尺寸 +10,0 5 模板安装允许偏差 轴线位置 5m m 1 1 4 4...

1、当您付费下载文档后,您只拥有了使用权限,并不意味着购买了版权,文档只能用于自身使用,不得用于其他商业用途(如 [转卖]进行直接盈利或[编辑后售卖]进行间接盈利)。
2、本站所有内容均由合作方或网友上传,本站不对文档的完整性、权威性及其观点立场正确性做任何保证或承诺!文档内容仅供研究参考,付费前请自行鉴别。
3、如文档内容存在违规,或者侵犯商业秘密、侵犯著作权等,请点击“违规举报”。

碎片内容

监理平行检验记录——模板

确认删除?
VIP
微信客服
  • 扫码咨询
会员Q群
  • 会员专属群点击这里加入QQ群
客服邮箱
回到顶部