电脑桌面
添加小米粒文库到电脑桌面
安装后可以在桌面快捷访问

监理平行检验记录表钢筋

监理平行检验记录表钢筋_第1页
1/22
监理平行检验记录表钢筋_第2页
2/22
监理平行检验记录表钢筋_第3页
3/22
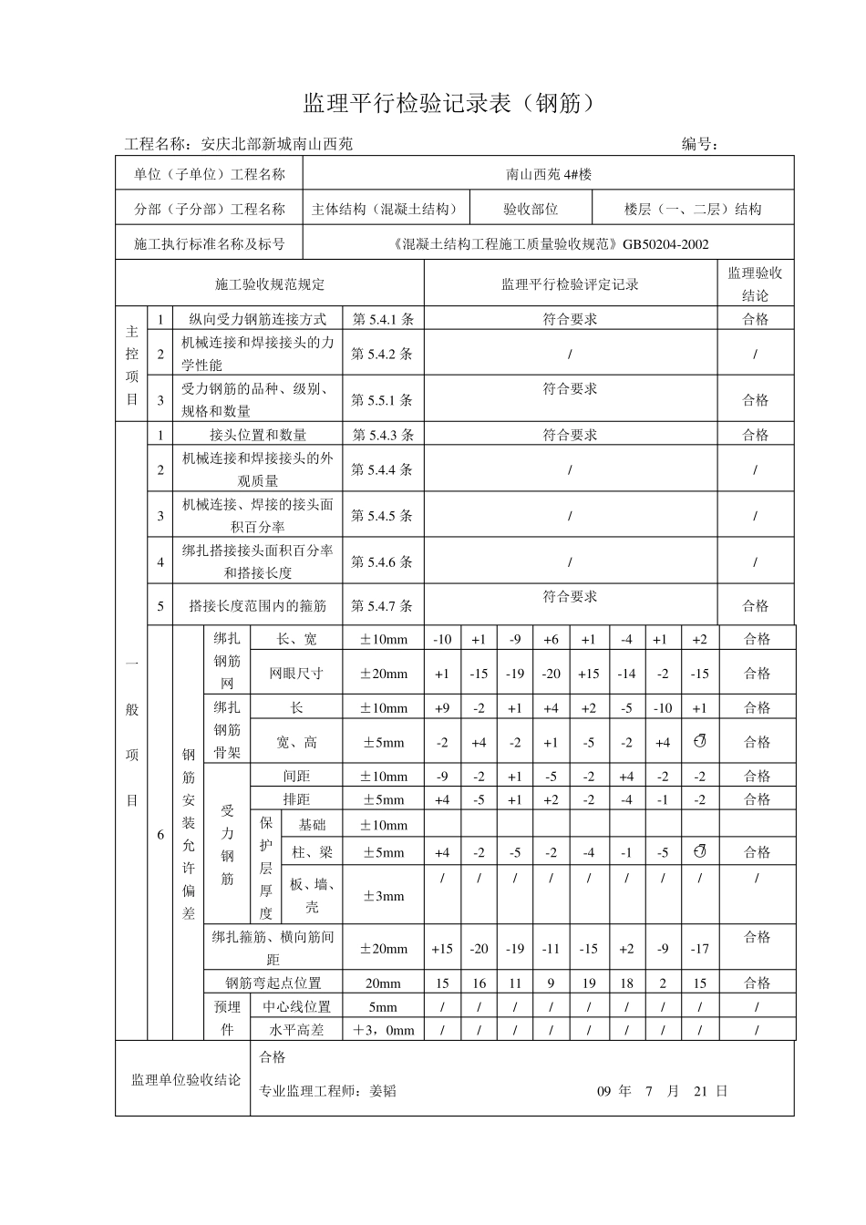
监理平行检验记录表(钢筋) 工程名称:安庆北部新城南山西苑 编号: 单位(子单位)工程名称 南山西苑3#楼 分部(子分部)工程名称 主体结构(混凝土结构) 验收部位 楼层(一、二层)结构 施工执行标准名称及标号 《混凝土结构工程施工质量验收规范》GB50204-2002 施工验收规范规定 监理平行检验评定记录 监理验收结论 主控项目 1 纵向受力钢筋连接方式 第5.4.1 条 符合要求 合格 2 机械连接和焊接接头的力学性能 第5.4.2 条 / / 3 受力钢筋的品种、级别、规格和数量 第5.5.1 条 符合要求 合格 一 般 项 目 1 接头位置和数量 第5.4.3 条 符合要求 合格 2 机械连接和焊接接头的外观质量 第5.4.4 条 / / 3 机械连接、焊接的接头面积百分率 第5.4.5 条 / / 4 绑扎搭接接头面积百分率和搭接长度 第5.4.6 条 / / 5 搭接长度范围内的箍筋 第5.4.7 条 符合要求 合格 6 钢筋安装允许偏差 绑扎钢筋网 长、宽 ±10mm -10 +1 -9 +6 +1 -4 +1 +2 合格 网眼尺寸 ±20mm +1 -15 -19 -20 +15 -14 -2 -15 合格 绑扎钢筋骨架 长 ±10mm +9 -2 +1 +4 +2 -5 -10 +1 合格 宽、高 ±5mm -2 +4 -2 +1 -5 -2 +4 ○-7 合格 受 力 钢 筋 间距 ±10mm -9 -2 +1 -5 -2 +4 -2 -2 合格 排距 ±5mm +4 -5 +1 +2 -2 -4 -1 -2 合格 保护层厚度 基础 ±10mm 柱、梁 ±5mm +4 -2 -5 -2 -4 -1 -5 ○-7 合格 板、墙、壳 ±3mm / / / / / / / / / 绑扎箍筋、横向筋间距 ±20mm +15 -20 -19 -11 -15 +2 -9 -17 合格 钢筋弯起点位置 20mm 15 16 11 9 19 18 2 15 合格 预埋件 中心线位置 5mm / / / / / / / / / 水平高差 +3,0mm / / / / / / / / / 监理单位验收结论 合格 专业监理工程师:姜韬 09 年 7 月 20 日 监理平行检验记录表(钢筋) 工程名称:安庆北部新城南山西苑 编号: 单位(子单位)工程名称 南山西苑3#楼 分部(子分部)工程名称 主体结构(混凝土结构) 验收部位 楼层(三、四层)框架柱 施工执行标准名称及标号 《混凝土结构工程施工质量验收规范》GB50204-2002 施工验收规范规定 监理平行检验评定记录 监理验收结论 主控项目 1 纵向受力钢筋连接方式 第5.4.1 条 / / 2 机械连接和焊接接头的力学性能 第5.4....

1、当您付费下载文档后,您只拥有了使用权限,并不意味着购买了版权,文档只能用于自身使用,不得用于其他商业用途(如 [转卖]进行直接盈利或[编辑后售卖]进行间接盈利)。
2、本站所有内容均由合作方或网友上传,本站不对文档的完整性、权威性及其观点立场正确性做任何保证或承诺!文档内容仅供研究参考,付费前请自行鉴别。
3、如文档内容存在违规,或者侵犯商业秘密、侵犯著作权等,请点击“违规举报”。

碎片内容

监理平行检验记录表钢筋

您可能关注的文档

小辰4+ 关注
实名认证
内容提供者

出售各种资料和文档

相关文档

确认删除?
VIP
微信客服
  • 扫码咨询
会员Q群
  • 会员专属群点击这里加入QQ群
客服邮箱
回到顶部