电脑桌面
添加小米粒文库到电脑桌面
安装后可以在桌面快捷访问

2025年上半年信息系统管理工程师下午试卷考试真题答案与解析

2025年上半年信息系统管理工程师下午试卷考试真题答案与解析_第1页
1/7
2025年上半年信息系统管理工程师下午试卷考试真题答案与解析_第2页
2/7
2025年上半年信息系统管理工程师下午试卷考试真题答案与解析_第3页
3/7
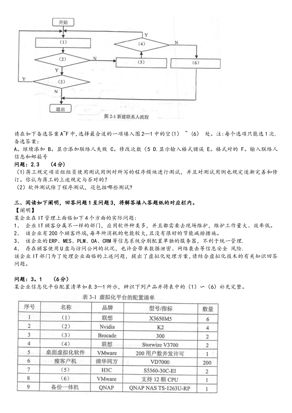
上六个月信息系统管理工程师下午试卷考试真题(案例分析)一、阅读如下阐明,回答问题 1 至问题 4,将解答填入答题纸的对应栏内。【阐明】某电子商务企业拟构建一种高效、低成本、符合企业实际业务发展需求的 OA(Office Automation)系统。张工重要承担了该系统的文档管理和告知管理模块的研发工作。文档管理模块的重要功能包括添加、修改、删除和查看文档。告知管理模块的重要功能是告知群发。张工通过前期调研和需求分析进行了概念模型设计,详细状况分述如下.【需求分析成果】(1) 该企业设有财务部、销售部、广告部等多种部门,每个部门只有一名部门经理,有多名员工 ,每名员工只属于一种部门。部门信息包括:部门号、名称、部门经理和电话, 其中部门号唯一确定部门关系的每一种元组。(2) 员工信息包括:员工号、姓名、岗位号、部门号、电话、家庭住址。员工号唯一确定员工关系的每一种元组;岗位重要有经理、部门经理、管理员等,不一样岗位具有不一样 的权限。一名员工只对应一种岗位,但一种岗位可对应多名员工。(3) 告知信息包括:编号、内容、告知类型、接受人、接受时间、发送时间和发送人。 其中 (编号,接受人)唯一标识告知关系中的每一种元组。一条告知可以发送给多种接受人,一种接受人可以接受多条告知.(4) 文档信息包括:编号、文档名、标题、内容、公布部门、公布时间。其中编号唯一确定文档关系的每一种元组。一份文档对应一种公布部门,但一种部门可以公布多份文档;一份文档可以被多名员工阅读,一名员工可以阅读多份文档。此外,企业为了掌握员工对文档的阅读及执行状况,还规定记录每个员工对同一篇文档分别在哪些时间阅读过.【 概念模型设计】 根据需求分析阶段搜集的信息,设计的实体联络图(不完整)如图 1-1 所示:【逻辑构造设计】根据概念模型设计阶段完毕的实体联络图,得出如下关系模式(不完整):部门(部门号,名称,部门经理,电话)员工(员工号,姓名,岗位号,(a),电话)岗位(岗位号,岗位名称,权限)告知(编号,(b),告知类型,接受时间,(c),发送时间,发送人)文档(编号,文档名,标题,内容,公布部门,公布时间)阅读文档(文档编号,(d),阅读时间) 问题:1。1 (4 分)根据题意,将关系模式中的空(a)—(d)的属性补充完整,并填入答题纸对应的位置上。问题:1。2 (4 分)根据需求分析,可以得出图 1-1 所示的实体联络图中联络的类型。请按如下描述确定 联络类型并填入...

1、当您付费下载文档后,您只拥有了使用权限,并不意味着购买了版权,文档只能用于自身使用,不得用于其他商业用途(如 [转卖]进行直接盈利或[编辑后售卖]进行间接盈利)。
2、本站所有内容均由合作方或网友上传,本站不对文档的完整性、权威性及其观点立场正确性做任何保证或承诺!文档内容仅供研究参考,付费前请自行鉴别。
3、如文档内容存在违规,或者侵犯商业秘密、侵犯著作权等,请点击“违规举报”。

碎片内容

2025年上半年信息系统管理工程师下午试卷考试真题答案与解析

读万卷书+ 关注
实名认证
内容提供者

各类经典PPT文档分享

确认删除?
VIP
微信客服
  • 扫码咨询
会员Q群
  • 会员专属群点击这里加入QQ群
客服邮箱
回到顶部