电脑桌面
添加小米粒文库到电脑桌面
安装后可以在桌面快捷访问

2025年电大数控机床电气控制形成性考核参考答案

2025年电大数控机床电气控制形成性考核参考答案_第1页
1/8
2025年电大数控机床电气控制形成性考核参考答案_第2页
2/8
2025年电大数控机床电气控制形成性考核参考答案_第3页
3/8
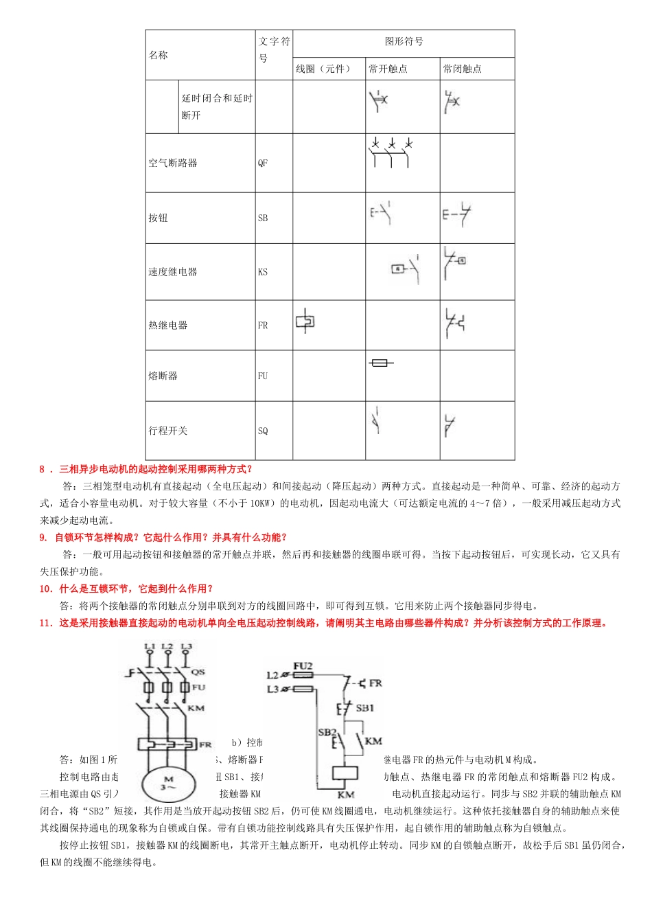
1.按钮开关和行程开关的作用分别是什么?怎样确定按钮开关的选用原则?答:按钮开关一般用作短时接通或断开小电流控制电路的开关,用于控制电路中发出起动或停止等指令,通过接触器、继电器等控制电器接通或断开主电路。 行程开关又称限位开关,是根据运动部件位置而切换电路的自动控制电器。动作时,由挡块与行程开关的滚轮相碰撞,使触头接通或断开用来控制运动部件的运动方向、行程大小或位置保护。 按钮开关的选用原则 ①根据用途选择开关的形式,如紧急式、钥匙式、指示灯式等。 ②根据使用环境选择按钮开关的种类,如启动式、防水式、防腐式等。 ③按工作状态和工作状况的规定,选择按钮开关的颜色。2.低压断路器在电路中的作用是什么?答:低压断路器又称自动空气开关,它不仅能用于正常工作时不频繁接通和断开电路,并且当电路发生过载、短路或失压等故障时,能自动切断电路,有效地保护串接在它背面的电气设备,因此,低压断路器在机床上使用得越来越广泛。3.接触器的用途是什么?它由哪几部分构成?答:接触器是一种用来频繁地接通或分断带有负载(如电动机)的主电路自动控制电器。接触器按其主触头通过电流的种类不一样,分为交流、直流两种,机床上应用最多的是交流接触器。 它由电磁机构、触头系统、灭弧装置及其他部件等四部分构成。4.靠近开关与行程开关相比有哪些长处?若靠近开关为三线制输出,一般为哪三根输出线?答:靠近开关又称无触点行程开关。与行程开关相比,靠近开关具有工作稳定可靠、使用寿命长、反复定位精度高、操作频率高等长处。 靠近开关多为三线制。三线制靠近开关有二根电源线(一般为 24V)和一根输出线,输出有常开、常闭两种状态。5.中间继电器的作用是什么?它和交流接触器有何区别?答:中间继电器实质上是电压继电器的一种,其触点数量多(多至 6 对或更多),触点电流容量大(额定电流 5~10A),动作时间不不小于 0.05s。其重要用途是当其他继电器的触头数量或触点容量不够时,可借助中间继电器来扩大它们的触点数或触点容量,起到中间转换和放大作用。 接触器是一种用来频繁地接通或分断带有负载(如电动机)的主电路自动控制电器。而继电器是一种根据某种输入信号的变化,而接通或断开控制电路,实现控制目的的电器,中间继电器实质上是电压继电器的一种。6.电动机起动电流很大,当电动机起动时,热继电器会不会动作?为何?答:热继电器是运用电流的热效应原理来切断电路的保护...

1、当您付费下载文档后,您只拥有了使用权限,并不意味着购买了版权,文档只能用于自身使用,不得用于其他商业用途(如 [转卖]进行直接盈利或[编辑后售卖]进行间接盈利)。
2、本站所有内容均由合作方或网友上传,本站不对文档的完整性、权威性及其观点立场正确性做任何保证或承诺!文档内容仅供研究参考,付费前请自行鉴别。
3、如文档内容存在违规,或者侵犯商业秘密、侵犯著作权等,请点击“违规举报”。

碎片内容

2025年电大数控机床电气控制形成性考核参考答案

您可能关注的文档

确认删除?
VIP
微信客服
  • 扫码咨询
会员Q群
  • 会员专属群点击这里加入QQ群
客服邮箱
回到顶部