电脑桌面
添加小米粒文库到电脑桌面
安装后可以在桌面快捷访问

空调水系统管道的安装施工方案

空调水系统管道的安装施工方案_第1页
1/12
空调水系统管道的安装施工方案_第2页
2/12
空调水系统管道的安装施工方案_第3页
3/12
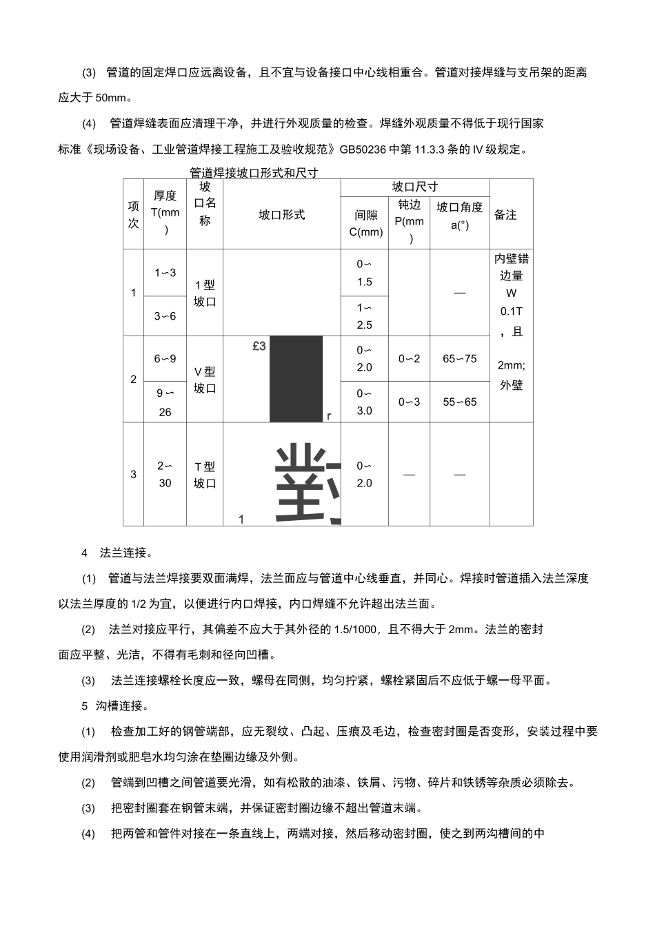
空调水系统管道的安装一、材料要求1 空调工程水系统的管道、管配件及阀门的型号、规格、材质及连接形式应符合设计规定。2 镀锌碳素钢管及管件的规格种类应符合设计及生产标准要求,管壁内外镀锌均匀,无锈蚀、无飞刺。管件无偏扣、乱扣、丝扣不全或角度不准等现象。管材及管件均应有出厂合格证及其他相应质量证明材料。3 钢塑管道及管件的规格种类应符合设计及生产标准要求,管壁、粘胶层及内衬(涂)塑层薄厚均匀,无锈蚀、无飞刺,内衬无破损。钢塑管材及管件应有出厂合格证及其他相应质量证明材料。4 塑料管及管件的规格种类应符合设计及生产标准要求,管材和管件内外壁应光滑、平整、无气泡、无裂纹、无脱皮和严重的冷斑及明显的痕纹、凹陷。并附有产品说明书和质量合格证书。5 胶粘剂应标有生产厂名称、生产日期和使用年限,并应有出厂合格证和说明书。胶粘剂应呈自由流动状态,不得为凝胶体,应无异味,色度小于 1°,混浊度小于 5°。在未搅拌情况下不得有分层现象和析出物出现;胶粘剂内不得含有团块、不溶颗粒和其他杂质。二、主要施工机具1 主要施工机具:砂轮切割机、手砂轮、压力工作台、倒链、台钻、电锤、坡口机、套丝机、试压泵、铜管扳边器、手锯、套丝板、管钳、套筒扳手、梅花扳手、活扳、铁锤、电气焊设备、专用热熔焊接工具等。2 测量工具:钢直尺、水平尺、钢卷尺、角尺、U 形压力计等。三、作业条件要求1 设计图纸、技术文件齐全,施工程序清楚。2 明装托、吊干管安装必须在安装层的结构顶板完成后进行。沿管线安装位置的模板及杂物清理干净,托吊卡件均已安装牢固,位置正确。3 立管安装应在主体结构完成后进行。高层建筑在主体结构达到安装条件后,适当插入进行。每层均应有明确的标高线,暗装竖井管道,应把竖井内的模板及杂物清除干净,并有防坠落措施。4 支管安装应在墙体砌筑完毕,墙面未装修前进行(包括暗装支管)。5 施工准备工作完成,材料送至现场。四、操作工艺(一)工艺流程图:| 施工 ; 隹备] 一 H 管道防腐 H 予页制加工 H 支吊架安装 L | 管道課 T 管道试压道防腐手 f 呆温 1 I 管道冲 ; 剂 T 验收,交工] (二)施工准备。1 认真熟悉图纸、技术资料,搞清工艺流程、施工程序及技术质量要求。2 参看有关专业设备图和装修建筑图,核对各种管道的坐标、标高是否有交叉,管道排列所用空间是否合理,预留预埋套管尺寸、位置是否正确。3 阀门安装前应按设计要求对...

1、当您付费下载文档后,您只拥有了使用权限,并不意味着购买了版权,文档只能用于自身使用,不得用于其他商业用途(如 [转卖]进行直接盈利或[编辑后售卖]进行间接盈利)。
2、本站所有内容均由合作方或网友上传,本站不对文档的完整性、权威性及其观点立场正确性做任何保证或承诺!文档内容仅供研究参考,付费前请自行鉴别。
3、如文档内容存在违规,或者侵犯商业秘密、侵犯著作权等,请点击“违规举报”。

碎片内容

空调水系统管道的安装施工方案

您可能关注的文档

wxg+ 关注
实名认证
内容提供者

该用户很懒,什么也没介绍

确认删除?
VIP
微信客服
  • 扫码咨询
会员Q群
  • 会员专属群点击这里加入QQ群
客服邮箱
回到顶部