电脑桌面
添加小米粒文库到电脑桌面
安装后可以在桌面快捷访问

盘扣式脚手架详细计算书

盘扣式脚手架详细计算书_第1页
1/11
盘扣式脚手架详细计算书_第2页
2/11
盘扣式脚手架详细计算书_第3页
3/11
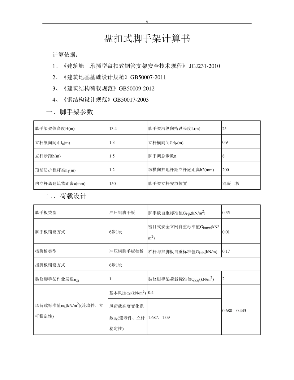
// 盘扣式脚手架计算书 计算依据: 1、《建筑施工承插型盘扣式钢管支架安全技术规程》 JGJ231-2010 2、《建筑地基基础设计规范》GB50007-2011 3、《建筑结构荷载规范》GB50009-2012 4、《钢结构设计规范》GB50017-2003 一、脚手架参数 脚手架架体高度H(m) 13.4 脚手架沿纵向搭设长度L(m) 25 立杆纵向间距la(m) 1.8 立杆横向间距lb(m) 0.9 立杆步距h(m) 1.5 脚手架总步数n 8 顶部防护栏杆高h1(m) 1.2 纵横向扫地杆距立杆底距离h2(mm) 200 内立杆离建筑物距离a(mm) 150 脚手架立杆安放位置 混凝土板 二、荷载设计 脚手板类型 冲压钢脚手板 脚手板自重标准值Gkjb(kN/m2) 0.35 脚手板铺设方式 6步1设 密目式安全立网自重标准值Gkmw(kN/m2) 0.01 挡脚板类型 冲压钢脚手板挡板 栏杆与挡脚板自重标准值Gkdb(kN/m) 0.17 挡脚板铺设方式 6步1设 装修脚手架作业层数nzj 1 装修脚手架荷载标准值Qkzj(kN/m2) 2 风荷载标准值ωk(kN/m2)(连墙件、立杆稳定性) 基本风压ω0(kN/m2) 0.4 0.688,0.445 风荷载高度变化系数μz(连墙件、立杆稳定性) 1.687,1.09 // 风荷载体型系数μs 1.02 搭设示意图 盘扣式脚手架剖面图 // 盘扣式脚手架立面图 盘扣式脚手架平面图 三、横向横杆验算 // 横向横杆钢管类型 A-SG-1500 横向横杆自重Gkhg(kN) 0.05 单跨间横杆根数njg 2 间横杆钢管类型 B-SG-1500 间横杆自重Gkjg(kN) 0.043 纵向横杆钢管类型 B-SG-1500 纵向横杆自重Gkzg(kN) 0.043 横向横杆抗弯强度设计值(f)(N/mm2) 205 横向横杆截面惯性矩I(mm4) 92800 横向横杆弹性模量E(N/mm2) 206000 横向横杆截面抵抗矩W(mm3) 3860 承载力使用极限状态 q=1.2×(Gkhg/lb+Gkjb×la/(njg+1) )+1.4×Qkzj × la /( njg +1) =1.2×(0.050/0.9+0.35×1.8/(2+1))+1.4×2.0×1.8/(2+1)=1.999kN/m 正常使用极限状态 q'=(Gkhg/lb+Gkjb×la/(njg+1) )+Qkzj × la /( njg +1) =(0.050/0.9+0.35×1.8/(2+1))+2.0×1.8/(2+1)=1.466kN/m 计算简图如下 1、抗弯验算 Mmax=qlb2/8=1.999×0.92/8=0.202kN·m σ=Mmax/W=0.202×106/3860=52.43N/mm2≤[f]=205N/mm2 满足要求。 2、挠度验算 Vmax=5q'lb4/(384EI)=5×1.466×9004/(384×206000×92800) // =0.65mm≤[ν]=min[lb/150,10] = min[900/150,10] =6mm 满足要求。 3、支座反力计算 承载力使用极限状态 R1=R2= qlb/2...

1、当您付费下载文档后,您只拥有了使用权限,并不意味着购买了版权,文档只能用于自身使用,不得用于其他商业用途(如 [转卖]进行直接盈利或[编辑后售卖]进行间接盈利)。
2、本站所有内容均由合作方或网友上传,本站不对文档的完整性、权威性及其观点立场正确性做任何保证或承诺!文档内容仅供研究参考,付费前请自行鉴别。
3、如文档内容存在违规,或者侵犯商业秘密、侵犯著作权等,请点击“违规举报”。

碎片内容

盘扣式脚手架详细计算书

您可能关注的文档

小辰+ 关注
实名认证
内容提供者

出售各种文档和资料

相关文档

确认删除?
VIP
微信客服
  • 扫码咨询
会员Q群
  • 会员专属群点击这里加入QQ群
客服邮箱
回到顶部