电脑桌面
添加小米粒文库到电脑桌面
安装后可以在桌面快捷访问

矿物掺合料混凝土的应用正文

矿物掺合料混凝土的应用正文_第1页
1/10
矿物掺合料混凝土的应用正文_第2页
2/10
矿物掺合料混凝土的应用正文_第3页
3/10
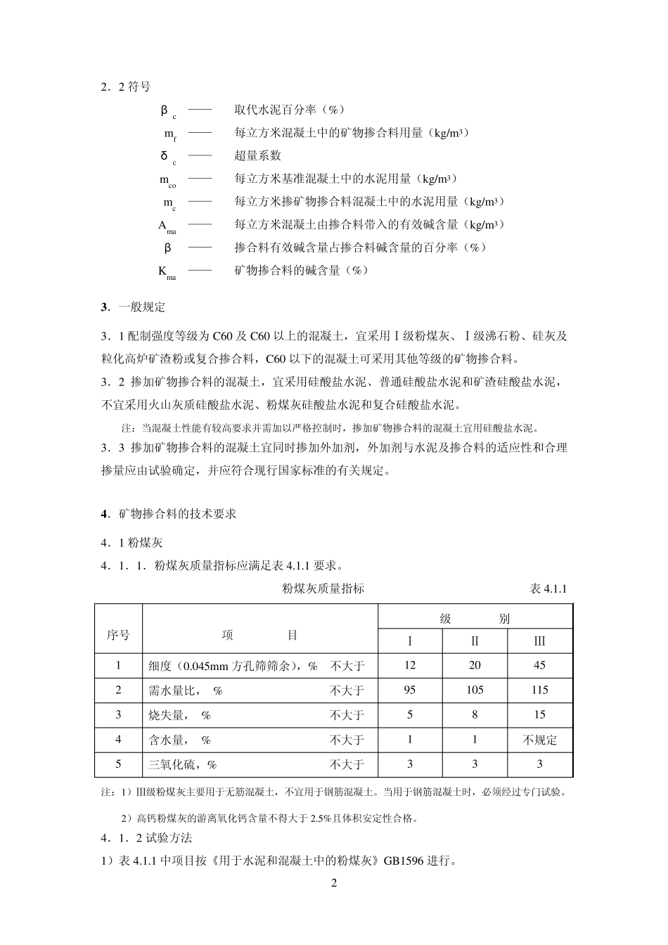
1 北 京 市 地 方 标 准 混凝土矿物掺合料应用技术规程 DBJ××-××-2002 1.总 则 1.0.1 为了科学、合理地在混凝土中应用矿物掺合料,规范各种掺合料的应用技术,达到改善混凝土性能、提高工程质量的目的,制定本规程。 1.0.2 本规程适用于掺用粉煤灰、粒化高炉矿渣粉、硅灰、沸石粉和复合掺合料的各类预拌混凝土、现场搅拌混凝土和预制构件混凝土。 1.0.3 应用矿物掺合料配制混凝土时,应符合本规程规定;本规程未作规定者,尚应符合国家现行的有关标准和技术规程的规定。 2.术语、符号 2.1 术语 2.1.1 普通混凝土:系指干密度为 2000~2800kg/m3 的水泥混凝土。 2.1.2 基准混凝土:与掺矿物掺合料混凝土相对应的不掺矿物掺合料或外加剂的对比试验用的水泥混凝土。 2.1.3 矿物掺合料:指以氧化硅、氧化铝为主要成分,在混凝土中可以代替部分水泥、改善混凝土性能,且掺量不小于 5%的具有火山灰活性的粉体材料。 2.1.4 粉煤灰:从电厂煤粉炉烟道气体中收集的粉末。 2.1.5 粒化高炉矿渣粉:粒化高炉矿渣经干燥、粉磨(也可以添加少量石膏或助磨剂一起粉磨)达到规定细度并符合规定活性指数的粉体材料。 2.1.6 硅灰:生产硅钢或硅金属时高纯度石英和煤在电弧炉中还原所得的一种超细粉末,从炉中排出废气中过滤收集而得。 2.1.7 沸石粉:指天然斜发沸石岩和丝光沸石岩多孔结构的微晶矿物经破碎、磨细制成的粉体材料。 2.1.8 复合掺合料:指采用两种或两种以上的矿物原料,单独粉磨至规定的细度后再按一定的比例复合、或者两种及两种以上的矿物原料按一定的比例混合后粉磨达到规定细度并符合规定活性指数的粉体材料。 2.1.9 高钙粉煤灰:指氧化钙含量在 8%以上或游离氧化钙含量大于 1%的粉煤灰。 2 2.2 符号 β c —— 取代水泥百分率(%) mf —— 每立方米混凝土中的矿物掺合料用量(kg/m3) δ c —— 超量系数 mco —— 每立方米基准混凝土中的水泥用量(kg/m3) mc —— 每立方米掺矿物掺合料混凝土中的水泥用量(kg/m3) Ama —— 每立方米混凝土由掺合料带入的有效碱含量(kg/m3) β —— 掺合料有效碱含量占掺合料碱含量的百分率(%) Kma —— 矿物掺合料的碱含量(%) 3 .一般规定 3.1 配制强度等级为 C60 及 C60 以上的混凝土,宜采用Ⅰ级粉煤灰、Ⅰ级沸石粉、硅灰及粒化高炉矿渣粉或复合掺合料,C60 以下的混凝土可采用...

1、当您付费下载文档后,您只拥有了使用权限,并不意味着购买了版权,文档只能用于自身使用,不得用于其他商业用途(如 [转卖]进行直接盈利或[编辑后售卖]进行间接盈利)。
2、本站所有内容均由合作方或网友上传,本站不对文档的完整性、权威性及其观点立场正确性做任何保证或承诺!文档内容仅供研究参考,付费前请自行鉴别。
3、如文档内容存在违规,或者侵犯商业秘密、侵犯著作权等,请点击“违规举报”。

碎片内容

矿物掺合料混凝土的应用正文

小辰+ 关注
实名认证
内容提供者

出售各种文档和资料

相关文档

确认删除?
VIP
微信客服
  • 扫码咨询
会员Q群
  • 会员专属群点击这里加入QQ群
客服邮箱
回到顶部