注册商标争议裁定申请书正文样式注册商标争议裁定申请书(正文样式)申请人名称:地址:法定代表人或负责人姓名:职务:商标代理组织名称:...
1 前言1.1 工厂供电的意义和要求 工厂供电,就是指工厂所需电能的供应和分配,亦称工厂配电。众所周知,电能是现代工业生产的主要能源和...
前 言 (一)讨论背景随着经济社会的进展,人民群众购买力水平的提高,福建省的体育彩票市场进入了成熟期。一方面销量不断增长、购彩群体...
一、工程概况:1.1 施工组织设计的编制依据1.1.1 根据建设单位提供的项目计划批准文件;1.1.2 根据甲乙双方订立的建设工程施工合同及有...
2025 年甲级公路工程造价人员资格考试题第一部分公路工程造价管理相关知识试卷一、 单项选择题,每题 1 分,共 60 分 1.《合同法》...
第一部分 地基基础工程施工技术进展简史一、我国古代地基基础应用简况我国古代地基基础应用简况历史可追溯到我国的古代先民。1.西安半坡...
***高校基础能力建设工程 图书馆建设项目 可行性讨论报告 **工程管理(集团)有限公司 二 〇 一 三 年 二 月***高校基础能力建设...
目录一、编制依据 ........................................................ 1 二、工程概况 ........................................
辽宁科技大学 Dream High 创业团队 目录一 执行总结1.1 项目简介………………………………………………………….1.2 产品与服务……...
关于广西高速公路项目调整概算的报告广西 XX 设计讨论院(公章)广西 XX 公路有限公司(公章)二〇一三年四月1、项目概况………………...
MBEC 项目管理标准(手册)(第一版)2014 年 8 月 28 日 发布 2014 年 9 月 1 日 实施 中铁大桥局集团有限公司 发布严禁复...
方案说明书设备名称: XX 中央空调系统 总 目 录一 、 工 程 说 明二 、 报 价 书三 、 主 要 设 备 及 材 料 报 ...
方案说明书设备名称: xx 中央空调系统 总 目 录一 、 工 程 说 明二 、 主 要 设 备 及 材 料 报 价 表三 、 空 ...
方案说明书设备名称: XX 中央空调系统 总 目 录一 、 工 程 说 明二 、 报 价 书三 、 主 要 设 备 及 材 料 报 ...
017 人力资源管理程序正文版本修订理由与内容简述修订日期拟定审核批准1. 目的对所有涉及公司社会责任和产品质量的人员的聘请、培训、任...
2025 金蓝领煤矿维修电工技师论文电子仪器在实际应用中的快速排故姓 名: 于震 工 作单 位:内蒙古蒙泰不连沟煤业有限公司 指导老师...
***********矿产资源开发利用方案工程编号 ******铜陵化工集团化工讨论设计院有限责任公司二○一二年九月***********矿产...
--1 您fán繁z h í殖得植物就就是: 培育方式就就是: 您觉得它未来会就就是什么样呢?2 您用了它哪个部分繁殖? 根 茎 叶 花 果...
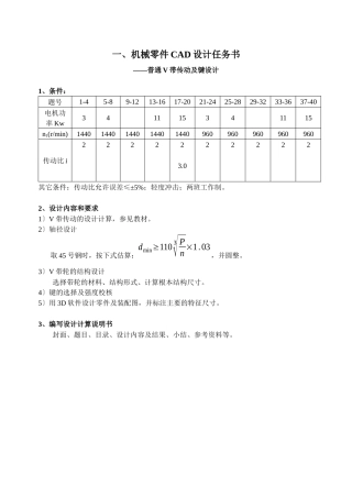
一、机械零件 CAD 设计任务书——普通 V 带传动及键设计1、条件:题号1-45-89-1213-1617-2021-2425-2829-3233-3637-40电机功率 Kw3411...
江苏省职业技能鉴定家政服务员四级理论知识试卷注 意 事 项1、本试卷依据 2 00 6 年颁布得《家庭服务员(家政服务员)》国家职业...

