电脑桌面
添加小米粒文库到电脑桌面
安装后可以在桌面快捷访问

硬度指标,钢的分类及性能VIP专享

硬度指标,钢的分类及性能_第1页
1/8
硬度指标,钢的分类及性能_第2页
2/8
硬度指标,钢的分类及性能_第3页
3/8
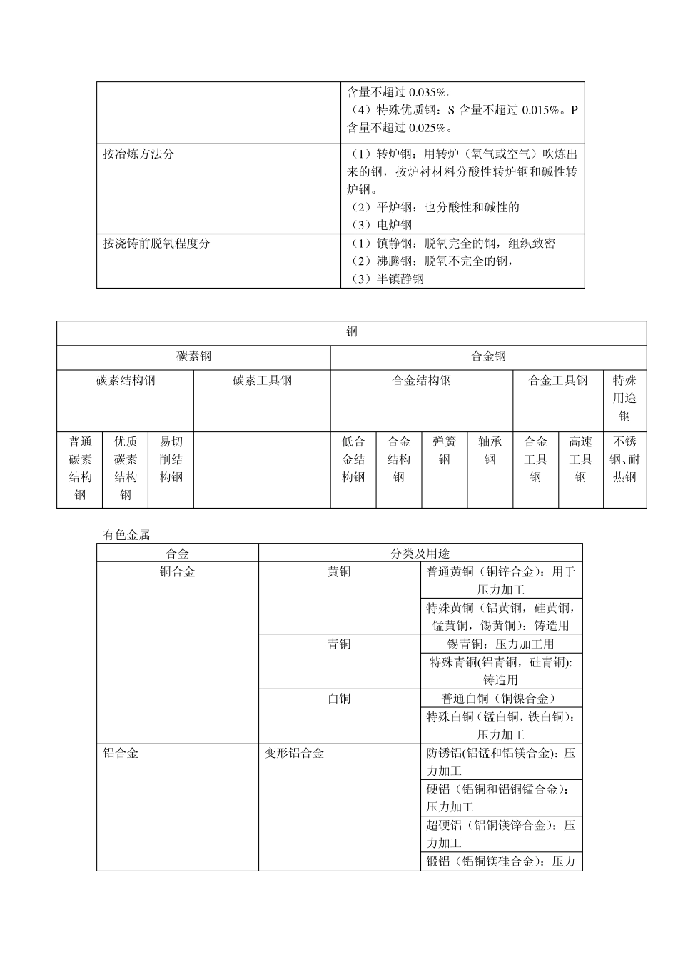
硬度 名称 符号 单位 解释 布氏硬度 HB MPa HBS(≤450)以钢球测得的硬度值;HBW(≤650)以硬质合金测得的硬度值。 洛氏硬度 HRA 采用588.4N 总负荷和金刚石压入器求得的硬度。 HRB 采用980.7N 总负荷和压入直径1.59mm 淬硬球的硬度 HRC 采用1471.1N 总负荷和金刚石压入器求得的硬度。 HRF 采用588.4 总负荷和压入直径为1.588mm 淬硬钢球求得的硬度,适用于薄软钢板、退火铜。 表面洛氏硬度(适用于表面经渗碳等表面处理的钢材) HR15N 采用147.1N 总负荷和金刚石压入器求得的硬度。 HR30N 采用294.2N 总负荷和金刚石压入器求得的硬度。 HR45N 采用441.3N 总负荷和金刚石压入器求得的硬度。 HR15T 采用147.1N 总负荷和压入直径为1.59mm 淬硬钢球求得的硬度 HR30T 采用294.2N 总负荷和压入直径为1.59mm 淬硬钢球求得的硬度 HR45T 采用441.3N 总负荷和压入直径为1.59mm 淬硬钢球求得的硬度 维氏硬度 HV 以一定的负荷(目前最大的负荷是)吧 136°方锥形金刚石压头压在材料表面,保持规定时间后卸除负荷,测量材料表面的压痕对角线平均长度,按公式用压痕面积来除与负荷所得的商。 钢的分类 分类方法 类别介绍 按含碳量 (1)低碳钢:含碳量低于0.25% (2)中碳钢:含碳量在 0.25%-0.6%之间 (3)高碳钢:含碳量超过 0.6% 按化学成分 (1)非合金钢 (2)低合金钢 (3)合金钢 按用途分 (1)结构钢:主要用于制造各种工程结构和机器零件. (2)工具钢:主要用于制造各种工具量具和模具。 (3)特殊用途钢:如不锈钢、耐酸钢、耐热钢等。 按质量分 (1)普通钢:含 S 量一般不超过 0.055%,含 P 量不超过 0.045%。 (2)优质钢:S、P 含量均不超过 0.040%。 (3)高级优质钢:S 含量不超过 0.03%,P含量不超过0.035%。 (4)特殊优质钢:S 含量不超过0.015%。P含量不超过0.025%。 按冶炼方法分 (1)转炉钢:用转炉(氧气或空气)吹炼出来的钢,按炉衬材料分酸性转炉钢和碱性转炉钢。 (2)平炉钢:也分酸性和碱性的 (3)电炉钢 按浇铸前脱氧程度分 (1)镇静钢:脱氧完全的钢,组织致密 (2)沸腾钢:脱氧不完全的钢, (3)半镇静钢 有色金属 合金 分类及用途 铜合金 黄铜 普通黄铜(铜锌合金):用于压力加工 特殊黄铜(铝黄铜,硅黄铜,锰黄铜,锡黄铜):铸造用 青铜 锡青铜:压力加工用 特殊青铜(铝青铜,硅青铜):铸造用 白铜 普通...

1、当您付费下载文档后,您只拥有了使用权限,并不意味着购买了版权,文档只能用于自身使用,不得用于其他商业用途(如 [转卖]进行直接盈利或[编辑后售卖]进行间接盈利)。
2、本站所有内容均由合作方或网友上传,本站不对文档的完整性、权威性及其观点立场正确性做任何保证或承诺!文档内容仅供研究参考,付费前请自行鉴别。
3、如文档内容存在违规,或者侵犯商业秘密、侵犯著作权等,请点击“违规举报”。

碎片内容

硬度指标,钢的分类及性能

确认删除?
VIP
微信客服
  • 扫码咨询
会员Q群
  • 会员专属群点击这里加入QQ群
客服邮箱
回到顶部