电脑桌面
添加小米粒文库到电脑桌面
安装后可以在桌面快捷访问

磁悬浮离心机组安装规范

磁悬浮离心机组安装规范_第1页
1/7
磁悬浮离心机组安装规范_第2页
2/7
磁悬浮离心机组安装规范_第3页
3/7
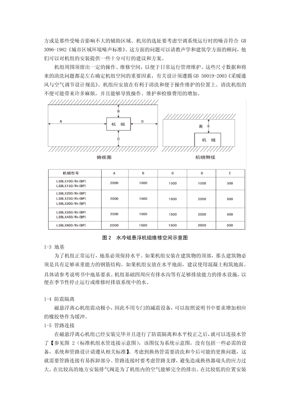
磁悬浮离心机组安装规范 适用范围:本安装规范适用于水冷磁悬浮组主机。 一、机组安装 1 -1 机组吊装 在机组的换热器上设有四个吊装孔。用索具卸扣穿过吊装孔,再用绳索吊运,这样可以避免损伤机组。在吊装机组期间必须用上所有的吊装孔(图1)。请见机组上张贴的吊装图。 确保吊运机组的绳索要牢固,起吊方式要正确,这样才能避免损坏机组或管子。制冷剂的管子一定不能攀附。不能把吊链直接绕在管子上或设备上来吊运。 图1 水冷磁悬浮机组吊装示意图 1 -2 机房要求 机组须安装在室内,周围环境温度宜在-15~45℃,相对湿度≤95%,应该空气流通好。机组不能安放在蒸汽、热空气附近或烟气的环境中。在设置机组的安放位置时另一个需要考虑的问题应该是远离噪音敏感区,并且必须采取足够的措施来避免机组产生的噪音和振动沿建筑物的传递。应该远离强电磁干扰区域,机组要安装在走廊、公共场合和休息室以外的地方或是那些受噪音影响不大的辅助区域。机房的选址要考虑空调系统运行时的噪音符合GB 3096-1982《城市区域环境噪声标准》。这方面的问题可以请教声学和建筑学方面的顾问,他们可以对机组的安装提供一些十分可行的建议和方案。 机组周围须留出一定的操作、维修空间,以便于日常运行管理维护。这些尺寸数据和将来的清洗问题都是左右确定机组空间的重要因素,有关设计须遵循 GB 50019-2003《采暖通风与空气调节设计规范》。机组应安放在有利于清洗和便于操作维护的位置上。清洗机组的不便可能带来许多麻烦,并且能够导致操作、维护和检修费用的增加。 图2 水冷磁悬浮机组维修空间示意图 1-3 地基 为了机组正常运行,地基必须保持水平。如果机组安装在建筑物的顶部,那么建筑物必须是具有足够承重能力的钢筋结构。如果机组安放在水平地面,建议使用混凝土构筑地面。 具体请参考说明书中地基要求。机组基础四周应有排水沟等有足够排放能力的排水设施,以便在季节性停止运行或维修时排放系统中的水。 1-4 防震隔离 磁悬浮离心机组震动极小,因此不用专门的减震设备,可以按照说明书中要求增加相应的橡胶垫作为缓冲。 1-5 管路连接 在磁悬浮离心机组已经安装完毕并且进行了防震隔离和水平校正之后,就可以连接水管了【参见图 2(标准机组水管连接示意图),该图仅为系统示意图,没有包括一些必需的设备,系统和管路设计请遵从相关标准】。考虑到换热管需要清洗和今后可能的更换问题,这就需要管路连接有易拆卸部分。管...

1、当您付费下载文档后,您只拥有了使用权限,并不意味着购买了版权,文档只能用于自身使用,不得用于其他商业用途(如 [转卖]进行直接盈利或[编辑后售卖]进行间接盈利)。
2、本站所有内容均由合作方或网友上传,本站不对文档的完整性、权威性及其观点立场正确性做任何保证或承诺!文档内容仅供研究参考,付费前请自行鉴别。
3、如文档内容存在违规,或者侵犯商业秘密、侵犯著作权等,请点击“违规举报”。

碎片内容

磁悬浮离心机组安装规范

确认删除?
VIP
微信客服
  • 扫码咨询
会员Q群
  • 会员专属群点击这里加入QQ群
客服邮箱
回到顶部