电脑桌面
添加小米粒文库到电脑桌面
安装后可以在桌面快捷访问

磨床实习教案

磨床实习教案_第1页
1/21
磨床实习教案_第2页
2/21
磨床实习教案_第3页
3/21
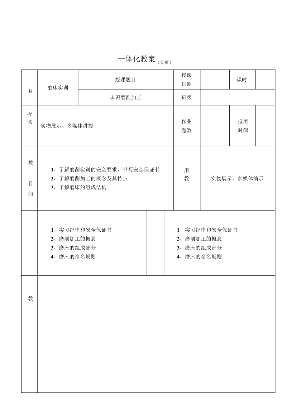
江 苏 省 职 业 学 校 一 体 化 课 程 教 师 教 案 本 ( 2 0 1 0 — 2 0 1 1 学 年 第 2 学 期) 系部名称 机电工程系 班级名称 1 0 数控、模具 课程名称 磨床操作实训 授课教师 谭强 教 研 组 学 校 徐州机电工程学校 徐州机电高级技工学校 一体化教案(首页) 科 目 磨床实训 授课题目 授课 日期 课时 认识磨削加工 班级 授 课 方 式 实物展示、多媒体讲授 作业 题数 拟用 时间 教 学 目 的 1 、了解磨削实训的安全要求,书写安全保证书 2 、了解磨削加工的概念及其特点 3 、了解磨床的组成结构 选 用 教学方式 实物展示、多媒体演示 应 知 1 、实习纪律和安全保证书 2 、磨削加工的概念 3 、磨床的组成部分 4 、磨床的命名规则 应 会 1 、实习纪律和安全保证书 2 、磨削加工的概念 3 、磨床的组成部分 4 、磨床的命名规则 教 学 回 顾 说 明 教 学 过 程 环节 主 要 内 容 教学、课堂组织及教学手段的实施 时间分配 一、 组织 教学 二、 理论讲授 1 、点名、教师自我介绍 2 、实习场地:教室 3 、安全教育:人身安全 设备安全 4 、分组:三人一组 一、实习成绩的评定 1 .实习纪律(1 0 分): 遵守实习时间,不迟到、不早退、不离岗,不做与实习无关事宜,不打闹、不窜岗。迟到 1 5 分钟按旷课 1 学时计,旷课达 4 学时,无实习成绩。 2 .实习安全(1 0 分): 在实习车间要穿工作服,女同学要戴工作帽,认真操作。遵守安全操作规程,避免人身事故与设备事故。 3 .实习表现(1 0 分): 实习中尊敬指导老师,讲文明,有礼貌,不乱放物品;所有工、卡、量具妥善保管好。 4 .实习报告(3 0 分) 认真完成实习报告和实习小结。 5 .操作技能(4 0 分) 对实习内容较好掌握,充分理解;操作姿态正确,完成实习操作并能合理选用切削用量,正确合理使用工、卡、量具。 二、强调实习安全书写实习保证书(样板) 遵照学校教学计划的安排,本人积极参加磨床实习,并作出如下 保证: 1 、 严格遵守学校实习生各项管理规定及实习基地的各种规章制度。 2 、 不迟到、不早退、不旷课,有事主动向老师请假。 3 、 听从老师的安排和要求,端正态度认真实习。 4 、 不在车间大声喧哗,嬉戏打闹,不玩手机和做与实习无关的事情。 5 、 统一服装,自带马扎,不...

1、当您付费下载文档后,您只拥有了使用权限,并不意味着购买了版权,文档只能用于自身使用,不得用于其他商业用途(如 [转卖]进行直接盈利或[编辑后售卖]进行间接盈利)。
2、本站所有内容均由合作方或网友上传,本站不对文档的完整性、权威性及其观点立场正确性做任何保证或承诺!文档内容仅供研究参考,付费前请自行鉴别。
3、如文档内容存在违规,或者侵犯商业秘密、侵犯著作权等,请点击“违规举报”。

碎片内容

磨床实习教案

您可能关注的文档

确认删除?
VIP
微信客服
  • 扫码咨询
会员Q群
  • 会员专属群点击这里加入QQ群
客服邮箱
回到顶部