电脑桌面
添加小米粒文库到电脑桌面
安装后可以在桌面快捷访问

磨煤机检修工艺规程

磨煤机检修工艺规程_第1页
1/11
磨煤机检修工艺规程_第2页
2/11
磨煤机检修工艺规程_第3页
3/11
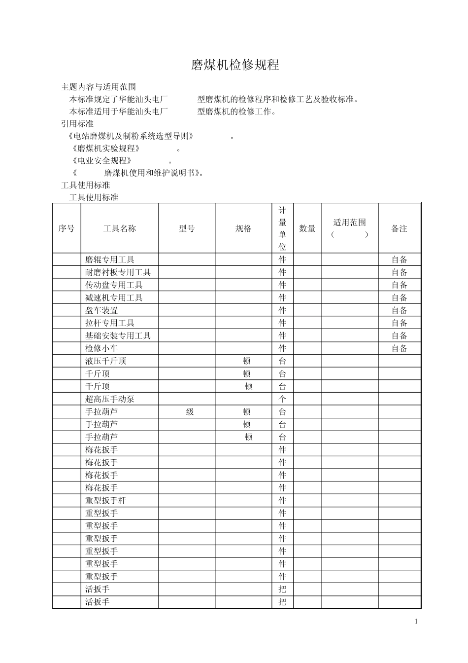
1 磨煤机检修规程 1 主题内容与适用范围 1.1 本标准规定了华能汕头电厂HP1003型磨煤机的检修程序和检修工艺及验收标准。 1.2 本标准适用于华能汕头电厂HP1003型磨煤机的检修工作。 2 引用标准 2.1《电站磨煤机及制粉系统选型导则》DL466-92。 2.2 《磨煤机实验规程》DL467-92。 2.3 《电业安全规程》DL408-91。 2.4 《HP1003磨煤机使用和维护说明书》。 3 工具使用标准 3.1 工具使用标准 序号 工具名称 型号 规格 计量单位 数量 适用范围(A/B/C/D) 备注 1 磨辊专用工具 MG40.61 件 1 A 自备 2 耐磨衬板专用工具 MG40.62 件 1 A 自备 3 传动盘专用工具 MG40.63 件 1 A 自备 4 减速机专用工具 MG40.64 件 1 A 自备 5 盘车装置 MG40.65 件 1 A/B/C 自备 6 拉杆专用工具 MG40.66 件 1 A/B 自备 7 基础安装专用工具 MG40.67 件 1 A 自备 8 检修小车 MG40.68 件 1 A 自备 9 液压千斤顶 5顿 台 3 A/B/C/D 10 千斤顶 8顿 台 4 A/B/C/D 11 千斤顶 32顿 台 4 A 12 超高压手动泵 个 4 A/B 13 手拉葫芦 Z级 2顿 台 6 A/B/C/D 14 手拉葫芦 5顿 台 2 A/B 15 手拉葫芦 10顿 台 2 A/B/C/D 16 梅花扳手 17-19 件 2 A/B/C/D 17 梅花扳手 22*24 件 2 A/B/C/D 18 梅花扳手 27*30 件 2 A/B/C/D 19 梅花扳手 32*36 件 2 A/B/C/D 20 重型扳手杆 件 2 A/B/C/D 21 重型扳手 24 件 2 A/B/C/D 22 重型扳手 36 件 2 A/B/C/D 23 重型扳手 104 件 24 重型扳手 95 件 25 重型扳手 48 件 2 A/B 26 重型扳手 72 件 2 A/B 27 活扳手 300 把 4 A/B/C/D 28 活扳手 450 把 2 A/B/C/D 2 29 活扳手 600 把 2 A/B/C/D 30 棘轮扳手 J2 280 把 2 A/B/C/D 31 磁力表架 CZ-6A 个 2 A/B/C 32 百分表 1219-85 0-10MM0.01 块 2 A/B/C 33 大锤 8磅 把 2 A/B/C/D 34 大锤 16磅 把 2 A/B/C 35 水平仪 台 1 A 36 框式水平尺 台 2 A/B 37 十字螺丝刀 250 把 2 A/B/C/D 38 一字螺丝刀 250 把 2 A/B/C/D 39 夹柄螺丝刀 250 把 2 A/B/C/D 4 磨煤机检修标准项目 序号 检修项目 检修类别(A/B/C/D) 1 检修前准备工作 A B C D 2 折向门装置更换 A B 3 磨碗衬板更换 A 4 延伸环及叶轮更换 A 5 磨辊...

1、当您付费下载文档后,您只拥有了使用权限,并不意味着购买了版权,文档只能用于自身使用,不得用于其他商业用途(如 [转卖]进行直接盈利或[编辑后售卖]进行间接盈利)。
2、本站所有内容均由合作方或网友上传,本站不对文档的完整性、权威性及其观点立场正确性做任何保证或承诺!文档内容仅供研究参考,付费前请自行鉴别。
3、如文档内容存在违规,或者侵犯商业秘密、侵犯著作权等,请点击“违规举报”。

碎片内容

磨煤机检修工艺规程

您可能关注的文档

确认删除?
VIP
微信客服
  • 扫码咨询
会员Q群
  • 会员专属群点击这里加入QQ群
客服邮箱
回到顶部