电脑桌面
添加小米粒文库到电脑桌面
安装后可以在桌面快捷访问

福斯汽车电线

福斯汽车电线_第1页
1/30
福斯汽车电线_第2页
2/30
福斯汽车电线_第3页
3/30
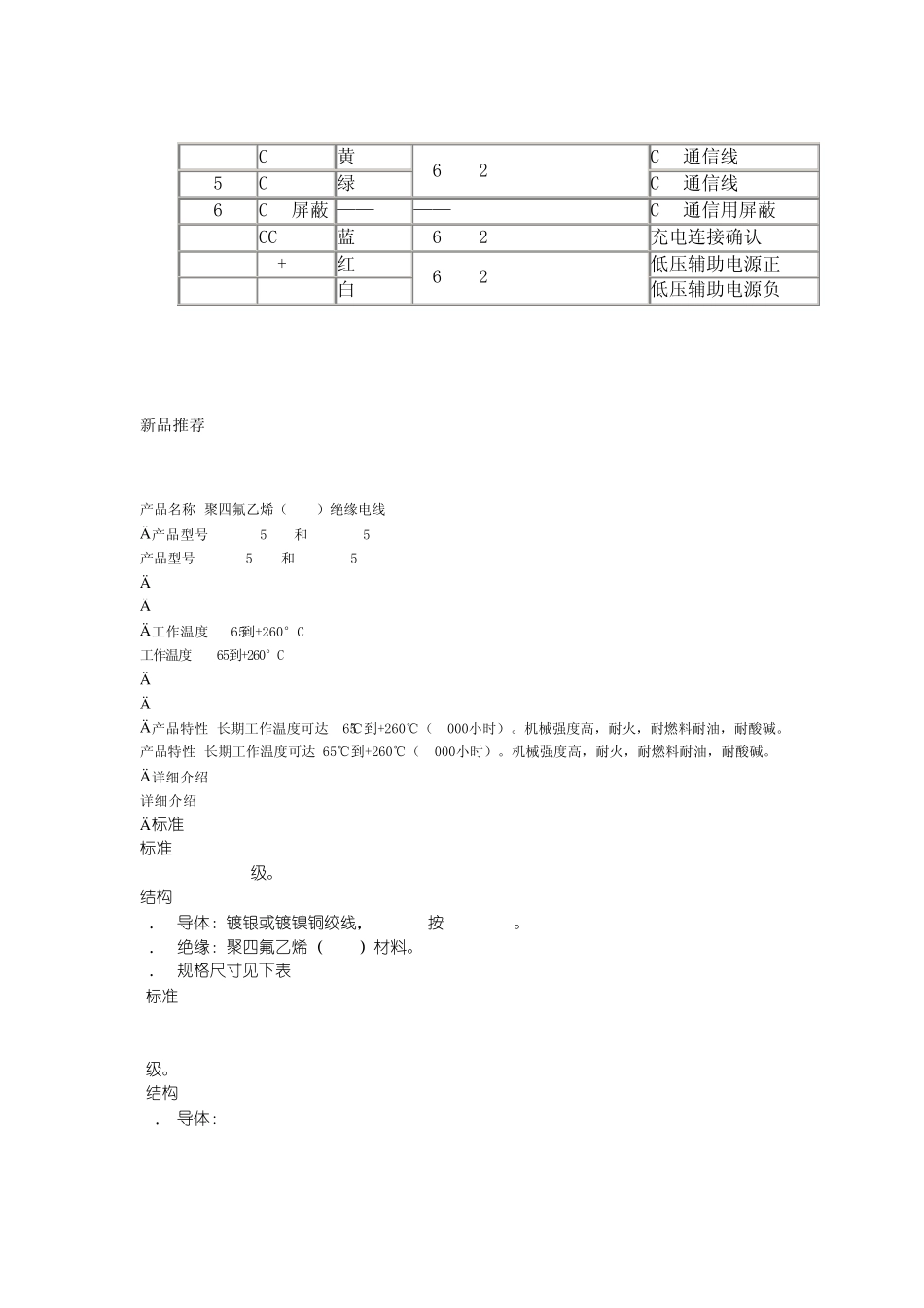
新品推荐 产品名称:电动汽车充电电缆(交流) 产品型号:DCC 工作温度:80°C 产品特性:柔软,耐磨,使用方便 详细介绍: 电动汽车交流充电用电缆 用途: 用于交流额定电压为 220V 的电动汽车用传导式充电接口连接电缆。 适合家庭或公共场所使用配置控制导引电路的供电设备为电动汽车提供交流充电电源。 温度等级: A级,电缆长期运行温度为 -40~85 ℃。 执行标准: FORCE-S62-2010 型号规格: 型号、规格 结构 (芯数×标称截面积) 芯线编号和颜色 电缆外径 最大 mm 1 2 3 4 5 6 7 棕 浅蓝 黄/绿 红 白 黑 黑/棕 DCC 2.5 5×2.5+2×0.5 2.5 2.5 0.5 0.5 0.5 0.5 0.5 9.7 DCC 4 5×4+2×0.5 2.5 2.5 0.5 0.5 0.5 0.5 0.5 15.3 DCC 6 5×6+2×0.5 2.5 2.5 0.5 0.5 0.5 0.5 0.5 18.1 芯线功能说明: 芯线编号 端子标识 芯线颜色 额定电压和电流 功能 1 L 棕 220V 16A/32A 交流电源 2 N 浅蓝 220V 16A/32A 中线 3 PE 黄/绿 —— 地线 4 CP 红 36V 2A 控制确认 1 5 PP 白 36V 2A 控制确认 2 6 NC1 黑 —— 备用 1 7 NC2 黑/棕 —— 备用 2 新品推荐 产品名称:电动汽车充电电缆(直流) 产品型号:DCC 工作温度:80°C 产品特性:柔软,耐磨,使用方便 详细介绍: 电动汽车直流充电用电缆 用途: 用于交流额定电压为 750V 的电动汽车用传导式充电接口连接电缆。 适合专门的充电站使用非车载充电机对电动汽车进行直流充电。 温度等级: A级,电缆长期运行温度为 -40~85 ℃。 执行标准: FORCE-S62-2010 型号规格: 型号 规格 结构 (芯数×标称截面积) 芯线编号 电缆外径 最大 mm 1 2 3 4 5 6 7 8 9 综 黑 黄/绿 黄 绿 — 蓝 红 白 DCC 25 2×25+16+3×0.5+(2×0.5+0.5) 25 25 16 0.5 0.5 0.5 0.5 0.5 0.5 27.3 DCC 35 2×35+16+3×0.5+(2×0.5+0.5) 35 35 16 0.5 0.5 0.5 0.5 0.5 0.5 29.4 DCC 50 2×50+16+3×0.5+(2×0.5+0.5) 50 50 16 0.5 0.5 0.5 0.5 0.5 0.5 32.2 DCC 70 2×70+16+3×0.5+(2×0.5+0.5) 70 70 16 0.5 0.5 0.5 0.5 0.5 0.5 36.5 DCC 95 2×95+16+3×0.5+(2×0. 5+0.5) 95 95 16 0.5 0.5 0.5 0.5 0.5 0.5 42.0 DCC 120 2×120+16+3×0.5+(2×0.5+0.5) 120 120 16 0.5 0.5 0.5 0.5 ...

1、当您付费下载文档后,您只拥有了使用权限,并不意味着购买了版权,文档只能用于自身使用,不得用于其他商业用途(如 [转卖]进行直接盈利或[编辑后售卖]进行间接盈利)。
2、本站所有内容均由合作方或网友上传,本站不对文档的完整性、权威性及其观点立场正确性做任何保证或承诺!文档内容仅供研究参考,付费前请自行鉴别。
3、如文档内容存在违规,或者侵犯商业秘密、侵犯著作权等,请点击“违规举报”。

碎片内容

福斯汽车电线

确认删除?
VIP
微信客服
  • 扫码咨询
会员Q群
  • 会员专属群点击这里加入QQ群
客服邮箱
回到顶部