电脑桌面
添加小米粒文库到电脑桌面
安装后可以在桌面快捷访问

离心压缩机操作规程

离心压缩机操作规程_第1页
1/19
离心压缩机操作规程_第2页
2/19
离心压缩机操作规程_第3页
3/19
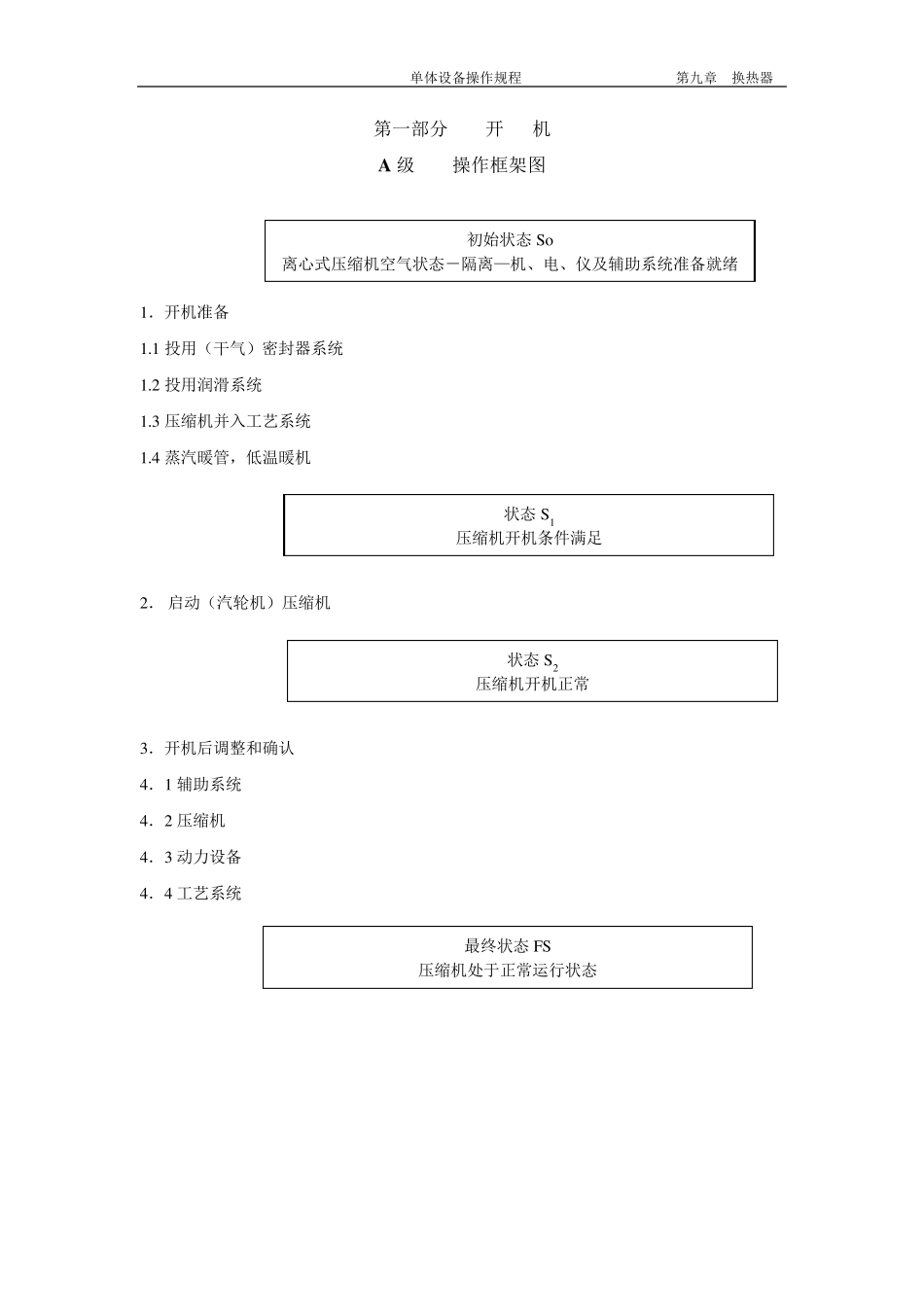
单体设备操作规程 离心压缩机 单体设备操作规程 离心压缩机 编写人: 审核人: 装置技术负责人: 装 置 负 责 人: 技 术 部 门: 生 产 部 门: 机 动 部 门: 质量安全部 门: 审批人: 主 管 领 导: 单体设备操作规程 离心压缩机 版本更新记录 版本号 日期 再版原因 更改内容 页码 21/4/2004 规程编制 单体设备操作规程 第九章 换热器 第一部分 开 机 A 级 操作框架图 1.开机准备 1.1 投用(干气)密封器系统 1.2 投用润滑系统 1.3 压缩机并入工艺系统 1.4 蒸汽暖管,低温暖机 2. 启动(汽轮机)压缩机 3.开机后调整和确认 4.1 辅助系统 4.2 压缩机 4.3 动力设备 4.4 工艺系统 初始状态So 离心式压缩机空气状态-隔离—机、电、仪及辅助系统准备就绪 状态S1 压缩机开机条件满足 最终状态FS 压缩机处于正常运行状态 状态S2 压缩机开机正常 单体设备操作规程 第九章 换热器 B 级 开机操作 适用范围:加氢裂化装置循环氢压缩机 C1001 初始状态: [设外] [确认]一汽轮机单机试车完毕。 [设外] [确认]一汽轮机与压缩机之间联轴器连接完毕。 [设外] [确认]一联轴器防护罩安装好。 [设外] [确认]一压缩机入口、出口隔离阀关。 [设外] [确认]一机组周围环境整洁。 [设外] [确认]一梯子平台安全可靠。 [设外] [确认]一保温完整。 [设外] [确认]一消防设施完备。 [设外] [确认]一放空阀打开。 [设外] [确认]一机体排凝阀打开。 [设外] [确认]一润滑油系统流程正常运转。 [设外] [确认]一密封气流程正确。 [设外] [确认]一密封氮气引至机前。 [设外] [确认]一隔离氮气引至机前。 [设外] [确认]一管路无泄漏。 [设外] [确认]一仪表、电气安装调校合格。 [设外] [确认]一自保联锁投用。 操 作 1.开机准备 1.1 投用(干气)密封系统 [设外] [操作] 一关闭压缩机排气阀,排凝阀。 [设外] [确认] 一机组运行前吹扫密封系统管路,确保管道内无杂质带入仪表以及密封腔,吹扫介质要充分过滤,保证清洁度<1μm。 [设外] [操作] 一开所有测量仪表阀。 [设外] [操作] 一旁路及放空阀关闭。 初始状态 So 离心式压缩机空气状态-隔离—机、电、仪及辅助系统准备就绪 单体设备操作规程 第九章 换热器 [设外] [操作] 一关闭其他阀门。 [设外] [操作] 一投用隔离氮气(在机组油运前)。 [设外] [确认] 一PI101 ...

1、当您付费下载文档后,您只拥有了使用权限,并不意味着购买了版权,文档只能用于自身使用,不得用于其他商业用途(如 [转卖]进行直接盈利或[编辑后售卖]进行间接盈利)。
2、本站所有内容均由合作方或网友上传,本站不对文档的完整性、权威性及其观点立场正确性做任何保证或承诺!文档内容仅供研究参考,付费前请自行鉴别。
3、如文档内容存在违规,或者侵犯商业秘密、侵犯著作权等,请点击“违规举报”。

碎片内容

离心压缩机操作规程

您可能关注的文档

确认删除?
VIP
微信客服
  • 扫码咨询
会员Q群
  • 会员专属群点击这里加入QQ群
客服邮箱
回到顶部