电脑桌面
添加小米粒文库到电脑桌面
安装后可以在桌面快捷访问

空心薄壁墩施工专项方案

空心薄壁墩施工专项方案_第1页
1/32
空心薄壁墩施工专项方案_第2页
2/32
空心薄壁墩施工专项方案_第3页
3/32
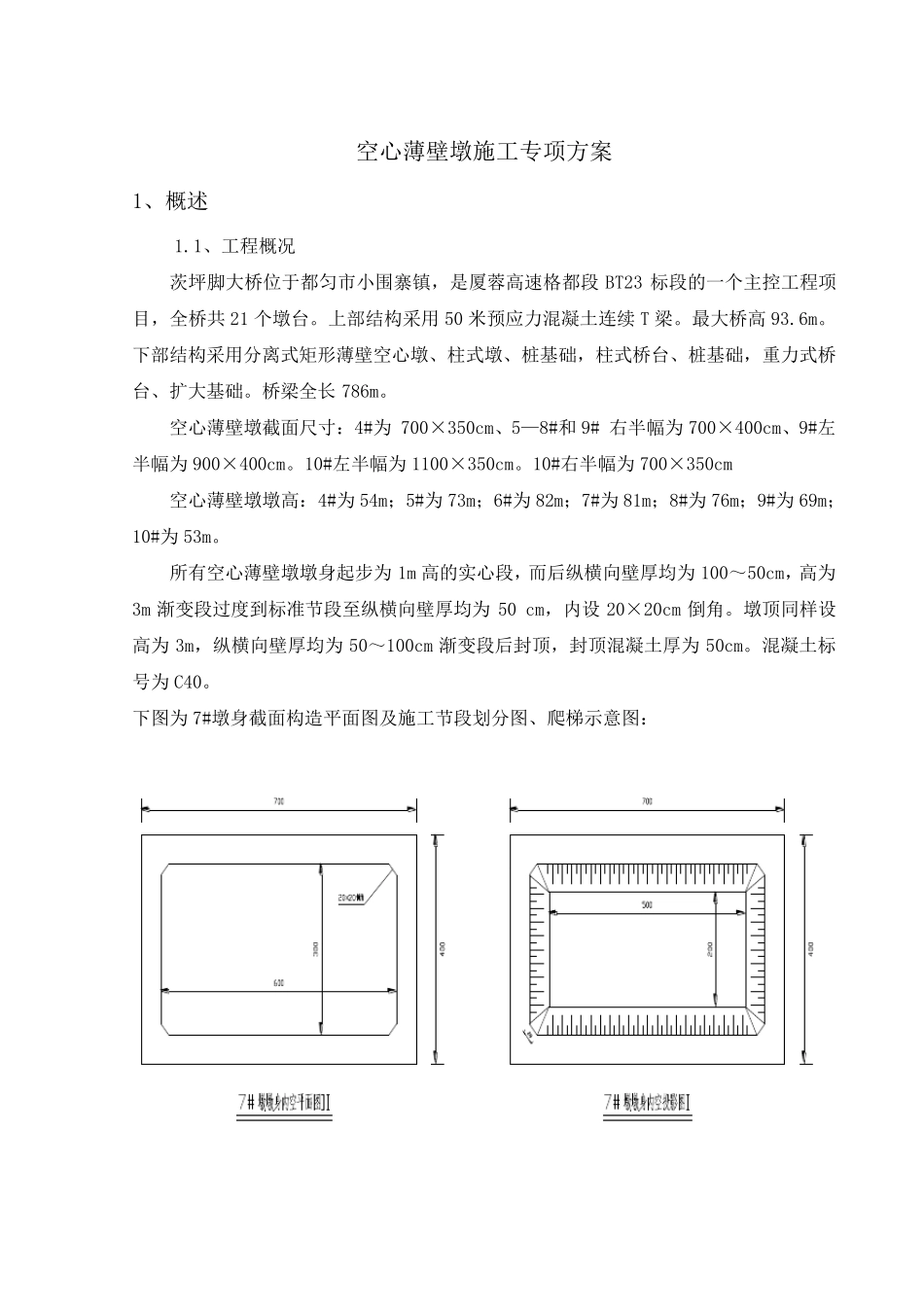
空心薄壁墩施工专项方案 1、概述 1.1、工程概况 茨坪脚大桥位于都匀市小围寨镇,是厦蓉高速格都段BT23 标段的一个主控工程项目,全桥共21 个墩台。上部结构采用50 米预应力混凝土连续T 梁。最大桥高93.6m。下部结构采用分离式矩形薄壁空心墩、柱式墩、桩基础,柱式桥台、桩基础,重力式桥台、扩大基础。桥梁全长786m。 空心薄壁墩截面尺寸:4#为 700×350cm、5—8#和 9# 右半幅为700×400cm、9#左半幅为900×400cm。10#左半幅为1100×350cm。10#右半幅为700×350cm 空心薄壁墩墩高:4#为54m;5#为73m;6#为82m;7#为81m;8#为76m;9#为69m;10#为53m。 所有空心薄壁墩墩身起步为1m 高的实心段,而后纵横向壁厚均为100~50cm,高为3m 渐变段过度到标准节段至纵横向壁厚均为50 cm,内设 20×20cm 倒角。墩顶同样设高为3m,纵横向壁厚均为50~100cm 渐变段后封顶,封顶混凝土厚为50cm。混凝土标号为C40。 下图为7#墩身截面构造平面图及施工节段划分图、爬梯示意图: 图1.1 墩身节段划分及爬梯示意图 本桥空心薄壁墩墩受力主筋均采用直径28mm 的Ⅱ级钢筋,墩身受力主筋伸入承台混凝土中 2.0m。箍筋均采用直径12 mm 的Ⅱ级钢筋,距离墩底 5.9m 和墩顶 3.9m 范围内沿墩高间距 10 cm 一道,其他范围 20 cm 一道。为避免墩身的收缩及温度裂缝,在墩身外侧混凝土保护层中,贴近最外层钢筋放置一层8mm 网格间距为10×10cm 的带肋钢筋焊网。 空心薄壁墩墩身施工均采用爬模施工。共拟投入六套爬模,即三个墩六个墩柱的模板。按 7#、8#、10# → 9#、5#、6#→4#依次施工。7#、8#、10#墩墩身施工拟在 2008年 11-2009 年 2 月期间进行; 5#、6#、9#墩墩身拟在 2009 年 1 月-2009 年 5 月期间进行;4#墩墩身拟在 2009 年 4-6 月期间进行。 墩身第一节浇注高度为4.6m,而后每节浇注高度为4.5m,在墩顶处进行部分调整。7#墩身施工节段见上图。 1.2、气象条件 桥址位于亚热带季风温湿气候区,夏长冬短,四季分明,夏无酷暑,东无严寒。 路线所跨河流的洪水成因主要为暴雨,系雨源型河流。区域内降雨量充沛,河流洪水暴涨暴落,洪峰历时短,来势猛,涨落迅速,洪枯水位变幅大。夏秋两季易形成洪水,滑坡,崩塌等自然灾 害 。 年平 均气温 15.9 度,极 端 最高气温 34.4 度,极 端 最低 气温-7.9 度。年均无霜 气294 天 ,年均冰 冻 期 7 天 。年均降水 1448.1 毫 米 ,多 集...

1、当您付费下载文档后,您只拥有了使用权限,并不意味着购买了版权,文档只能用于自身使用,不得用于其他商业用途(如 [转卖]进行直接盈利或[编辑后售卖]进行间接盈利)。
2、本站所有内容均由合作方或网友上传,本站不对文档的完整性、权威性及其观点立场正确性做任何保证或承诺!文档内容仅供研究参考,付费前请自行鉴别。
3、如文档内容存在违规,或者侵犯商业秘密、侵犯著作权等,请点击“违规举报”。

碎片内容

空心薄壁墩施工专项方案

确认删除?
VIP
微信客服
  • 扫码咨询
会员Q群
  • 会员专属群点击这里加入QQ群
客服邮箱
回到顶部