电脑桌面
添加小米粒文库到电脑桌面
安装后可以在桌面快捷访问

空气加热室施工组织设计

空气加热室施工组织设计_第1页
1/7
空气加热室施工组织设计_第2页
2/7
空气加热室施工组织设计_第3页
3/7
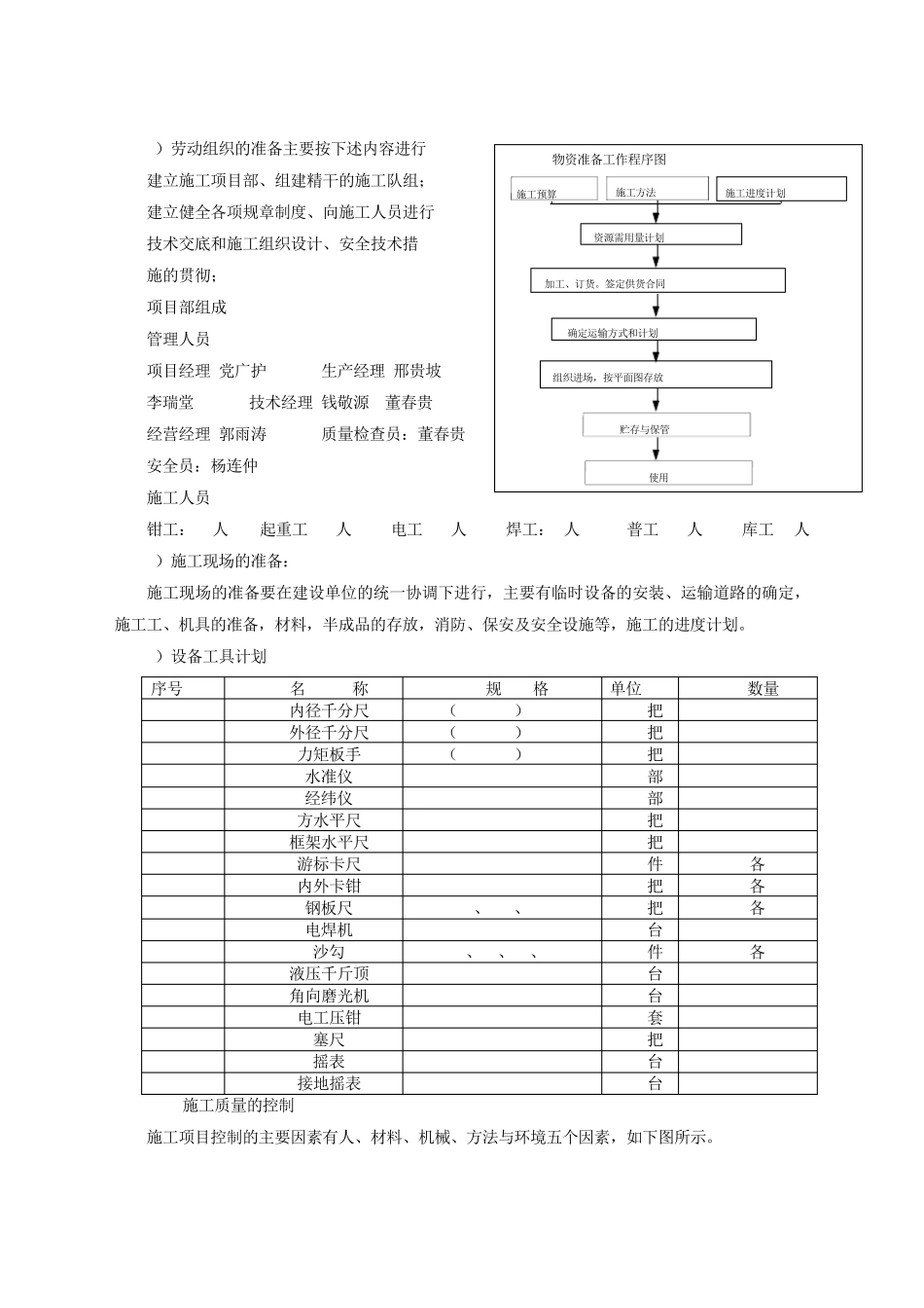
1 工程概述 1.1工程概况 多伦煤矿煤副井空气加热室是由空气加热器、高效低噪音混流风机及配套的电控设备。此系统是保证主井井口温度的关键工序。 1.2.主要工程内容: a高效低噪音混流风机 SWF-1,NO11 4台 b空气加热器 SRZ-17*7D 16片 c各种管路 50m d电控设备 1套 e电缆敷设 2编制依据及执行标准 2.1建设单位提供天地科技有限公司的设计图纸。 2.2执行的规范与标准: a 《煤矿安全规程》2004版 b 《煤矿安装工程质量检验评定标准》(MT5010-95) c 《矿山井巷施工及验收规范》 d 《电气装置安装工程施工及验收规范》GB50171-92 e ISO 9001 开滦建设集团公司质量管理体系程序文件 f ISO 14001 开滦建设集团公司环境管理体系文件 g ISO 18001 开滦建设集团公司安全管理体系文件; 3工程部署 3.1施工的工程划分 煤矿安装工程的划分按《煤矿安装工程质量检验评定标准》(MT5010-95)内的有关要求进行划分,筛分车间设备安装为一个单位工程。 3.2施工工程的质量,安全及环境保护目标 3.2.1质量目标:各个分项工程一次验收合格,单位工程优良; 3.2.2安全目标:消灭重伤、死亡及二级以上非伤亡事故,争取消灭轻伤; 3.2.3环境保护目标:尽量减少污染,一切废弃物集中存放。 3.3施工的准备 3.3.1施工的准备的主要内容: 1)技术准备:主要有熟悉、审查施工图纸与有关设计资料,编制好施工图预算和施工组织设计; 2)物资准备; 物资准备的程序如图所示 3)劳动组织的准备主要按下述内容进行 建立施工项目部、组建精干的施工队组; 建立健全各项规章制度、向施工人员进行 技术交底和施工组织设计、安全技术措 施的贯彻; 项目部组成: 管理人员: 项目经理:党广护 生产经理:邢贵坡 李瑞堂 技术经理:钱敬源 董春贵 经营经理:郭雨涛 质量检查员:董春贵 安全员:杨连仲 施工人员 钳工:20人 起重工:20人 电工:20人 焊工:8人 普工:20人 库工:1人 4)施工现场的准备: 施工现场的准备要在建设单位的统一协调下进行,主要有临时设备的安装、运输道路的确定,施工工、机具的准备,材料,半成品的存放,消防、保安及安全设施等,施工的进度计划。 5)设备工具计划 序号 名 称 规 格 单位 数量 1 内径千分尺 (100-800) 把 1 2 外径千分尺 (650-700) 把 1 3 力矩板手 (2000N-m) 把 1 4 水准仪 部 1 5 经纬仪 部 1 6 方水平尺 0.5/1000 把 1 7...

1、当您付费下载文档后,您只拥有了使用权限,并不意味着购买了版权,文档只能用于自身使用,不得用于其他商业用途(如 [转卖]进行直接盈利或[编辑后售卖]进行间接盈利)。
2、本站所有内容均由合作方或网友上传,本站不对文档的完整性、权威性及其观点立场正确性做任何保证或承诺!文档内容仅供研究参考,付费前请自行鉴别。
3、如文档内容存在违规,或者侵犯商业秘密、侵犯著作权等,请点击“违规举报”。

碎片内容

空气加热室施工组织设计

您可能关注的文档

确认删除?
VIP
微信客服
  • 扫码咨询
会员Q群
  • 会员专属群点击这里加入QQ群
客服邮箱
回到顶部