电脑桌面
添加小米粒文库到电脑桌面
安装后可以在桌面快捷访问

空调负荷自动计算表

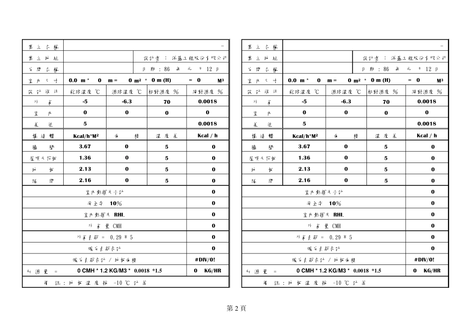
空调负荷自动计算表_第1页
1/10
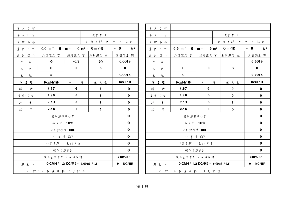
空调负荷自动计算表_第2页
2/10
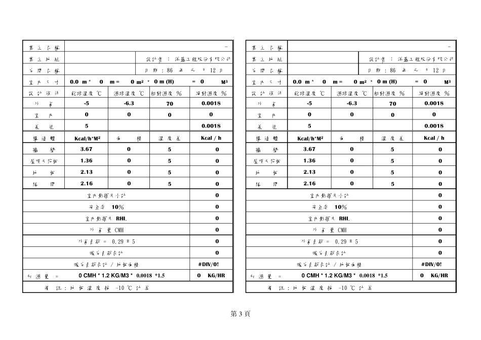
空调负荷自动计算表_第3页
3/10
業 主 名 稱業 主 名 稱業 主 地 址設 計 者 : 業 主 地 址設 計 者 : 房 間 名 稱房 間 名 稱室 內 尺 寸0.0 m * 0m =0 m2 * 0 m (H) = 0 M3室 內 尺 寸0.0 m * 0m =0 m2 * 0 m (H) = 0 M3設 計 條 件乾 球 溫 度 ℃濕 球 溫 度 ℃相 對 濕 度 %絕 對 濕 度 %設 計 條 件乾 球 溫 度 ℃濕 球 溫 度 ℃相 對 濕 度 %絕 對 濕 度 %外 氣70外 氣室 內0室 內0差 值差 值構 造 體 Kcal/h*M2面 積溫 度 差Kcal / h構 造 體 Kcal/h*M2面 積溫 度 差Kcal / h牆 壁50牆 壁00屋 頂 天 花 板50屋 頂 天 花 板00地 板50地 板50隔 間50隔 間00000000000000#DIV/0!#DIV/0!加 濕 量 = 加 濕 量 = 備 註 : 地 板 溫 度 採 5 ℃ 計 算 備 註 : 地 板 溫 度 採 -10 ℃ 計 算- 日 期 : 86 年 元 月 12 日日 期 : 86 年 元 月 12 日-5-6.30.00180.001800000050.001800.00183.6703.6701.3601.3602.1302.1302.1602.160室 內 熱 損 失 小 計室 內 熱 損 失 小 計安 全 率 10%安 全 率 10%室 內 熱 損 失 RHI.室 內 熱 損 失 RHI.外 氣 量 CMH外 氣 量 CMH外 氣 負 荷 = 0.29 * 5外 氣 負 荷 = 0.29 * 0暖 房 負 荷 合 計暖 房 負 荷 合 計暖 房 負 荷 合 計 / 地 板 面 積暖 房 負 荷 合 計 / 地 板 面 積0 CMH * 1.2 KG/M3 * 0 .0 0 1 8 *1 .5 0 KG/HR0 CMH * 1.2 KG/M3 * 0 .0 0 1 8 *1 .5 0 KG/HR第 1 頁業 主 名 稱業 主 名 稱業 主 地 址設 計 者 : 洋 基 工 程 股 份 有 限 公 司業 主 地 址設 計 者 : 洋 基 工 程 股 份 有 限 公 司房 間 名 稱房 間 名 稱室 內 尺 寸0.0 m * 0m =0 m2 * 0 m (H) = 0 M3室 內 尺 寸0.0 m * 0m =0 m2 * 0 m (H) = 0 M3設 計 條 件乾 球 溫 度 ℃濕 球 溫 度 ℃相 對 濕 度 %絕 對 濕 度 %設 計 條 件乾 球 溫 度 ℃濕 球 溫 度 ℃相 對 濕 度 %絕 對 濕 度 %外 氣70外 氣70室 內0室 內0差 值差 值構 造 體 Kcal/h*M2面 積溫 度 差Kcal / h構 造 體 Kcal/h*M2面 積溫 ...

1、当您付费下载文档后,您只拥有了使用权限,并不意味着购买了版权,文档只能用于自身使用,不得用于其他商业用途(如 [转卖]进行直接盈利或[编辑后售卖]进行间接盈利)。
2、本站所有内容均由合作方或网友上传,本站不对文档的完整性、权威性及其观点立场正确性做任何保证或承诺!文档内容仅供研究参考,付费前请自行鉴别。
3、如文档内容存在违规,或者侵犯商业秘密、侵犯著作权等,请点击“违规举报”。

碎片内容

空调负荷自动计算表

小辰3+ 关注
实名认证
内容提供者

出售各种资料和文档

确认删除?
VIP
微信客服
  • 扫码咨询
会员Q群
  • 会员专属群点击这里加入QQ群
客服邮箱
回到顶部