电脑桌面
添加小米粒文库到电脑桌面
安装后可以在桌面快捷访问

竣工图标准格式

竣工图标准格式_第1页
1/8
竣工图标准格式_第2页
2/8
竣工图标准格式_第3页
3/8
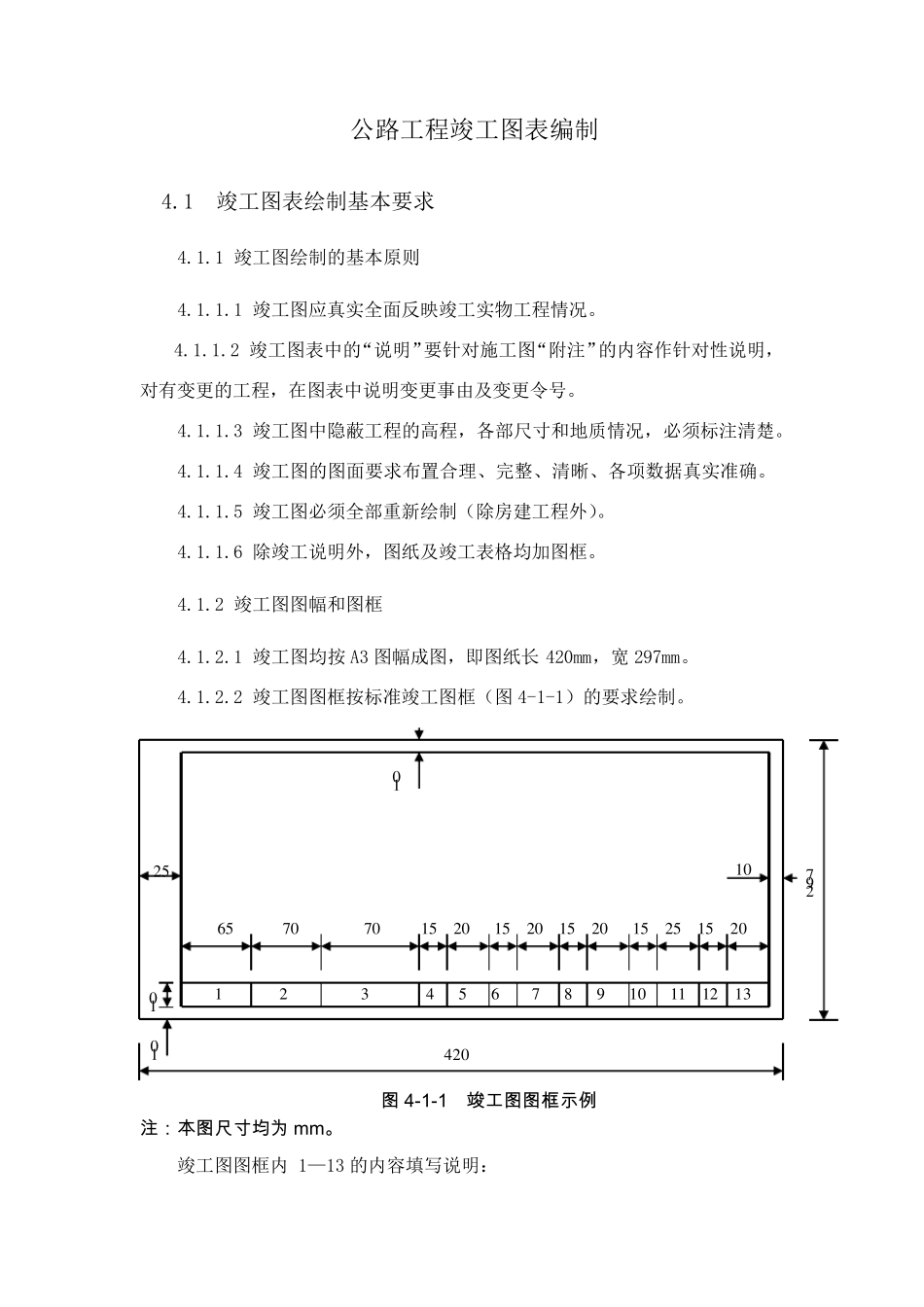
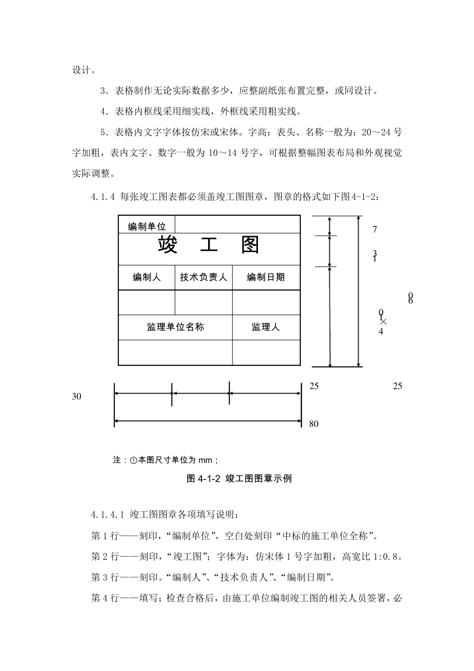
公路工程竣工图表编制 4.1 竣工图表绘制基本要求 4.1.1 竣工图绘制的基本原则 4.1.1.1 竣工图应真实全面反映竣工实物工程情况。 4.1.1.2 竣工图表中的“说明”要针对施工图“附注”的内容作针对性说明,对有变更的工程,在图表中说明变更事由及变更令号。 4.1.1.3 竣工图中隐蔽工程的高程,各部尺寸和地质情况,必须标注清楚。 4.1.1.4 竣工图的图面要求布置合理、完整、清晰、各项数据真实准确。 4.1.1.5 竣工图必须全部重新绘制(除房建工程外)。 4.1.1.6 除竣工说明外,图纸及竣工表格均加图框。 4.1.2 竣工图图幅和图框 4.1.2.1 竣工图均按A3 图幅成图,即图纸长420mm,宽297mm。 4.1.2.2 竣工图图框按标准竣工图框(图4-1-1)的要求绘制。 1 0 6 5 7 0 7 0 1 5 2 0 1 5 2 0 1 5 2 0 1 5 2 5 1 5 2 0 1 2 3 4 5 6 7 8 9 1 0 1 1 1 2 1 3 4 2 0 图 4-1-1 竣 工 图 图 框 示 例 注 : 本 图 尺 寸 均 为 mm。 竣工图图框内 1—13 的内容填写说明: 10 297 10 10 2 5 1. 打印内容:“云南 XX 高速公路 XX 第 XX 合同”;由项目名称和合同段名称两部份的简称构成,具体简称由各项目业主统一规定。 2. 打印内容:“中标的法人单位全称”。若工程施工过程中,中标法人单位名称发生更换,以工程交工时中标单位名称一致。 3. 打印内容:“竣工图的具体图名”;原则上与设计图的图名对应,将“XX设计图”更改为“XX 竣工图”。 4. 打印内容:“绘图”; 5. 填写:“绘图人签名”;检查合格后,由施工单位绘制竣工图的相关人员签署,必须用不褪色的碳素黑墨水签署。 6. 打印内容:“复核”; 7. 填写:“复核人签名”;复查合格后,由承包单位技术负责人签署,必须用不褪色的碳素黑墨水签署。 8. 打印内容:“监理”; 9. 填写“专监或驻地监理签名”; 审查合格后,由监理单位专业监理工程师或驻地监理工程师签署,必须用不褪色的碳素黑墨水签署。 10. 打印内容:“图号”; 11. 打印内容:“竣工图图号”;按本章第三节竣工图图号编列的要求,统一编制后,规范打印。 12. 打印内容:“日期”; 13. 打印内容:“编制日期”; 工程交工验收后绘制竣工图审核合格后正式出图月份时间。年月格式按:“2013.03”,月份统一用双位数。 4.1.3 竣工表格 4.1.3.1 竣工表均按 A3 纸张制表,即纸张长4...

1、当您付费下载文档后,您只拥有了使用权限,并不意味着购买了版权,文档只能用于自身使用,不得用于其他商业用途(如 [转卖]进行直接盈利或[编辑后售卖]进行间接盈利)。
2、本站所有内容均由合作方或网友上传,本站不对文档的完整性、权威性及其观点立场正确性做任何保证或承诺!文档内容仅供研究参考,付费前请自行鉴别。
3、如文档内容存在违规,或者侵犯商业秘密、侵犯著作权等,请点击“违规举报”。

碎片内容

竣工图标准格式

您可能关注的文档

确认删除?
VIP
微信客服
  • 扫码咨询
会员Q群
  • 会员专属群点击这里加入QQ群
客服邮箱
回到顶部