电脑桌面
添加小米粒文库到电脑桌面
安装后可以在桌面快捷访问

第10章计算机控制系统应用实例

第10章计算机控制系统应用实例_第1页
1/37
第10章计算机控制系统应用实例_第2页
2/37
第10章计算机控制系统应用实例_第3页
3/37
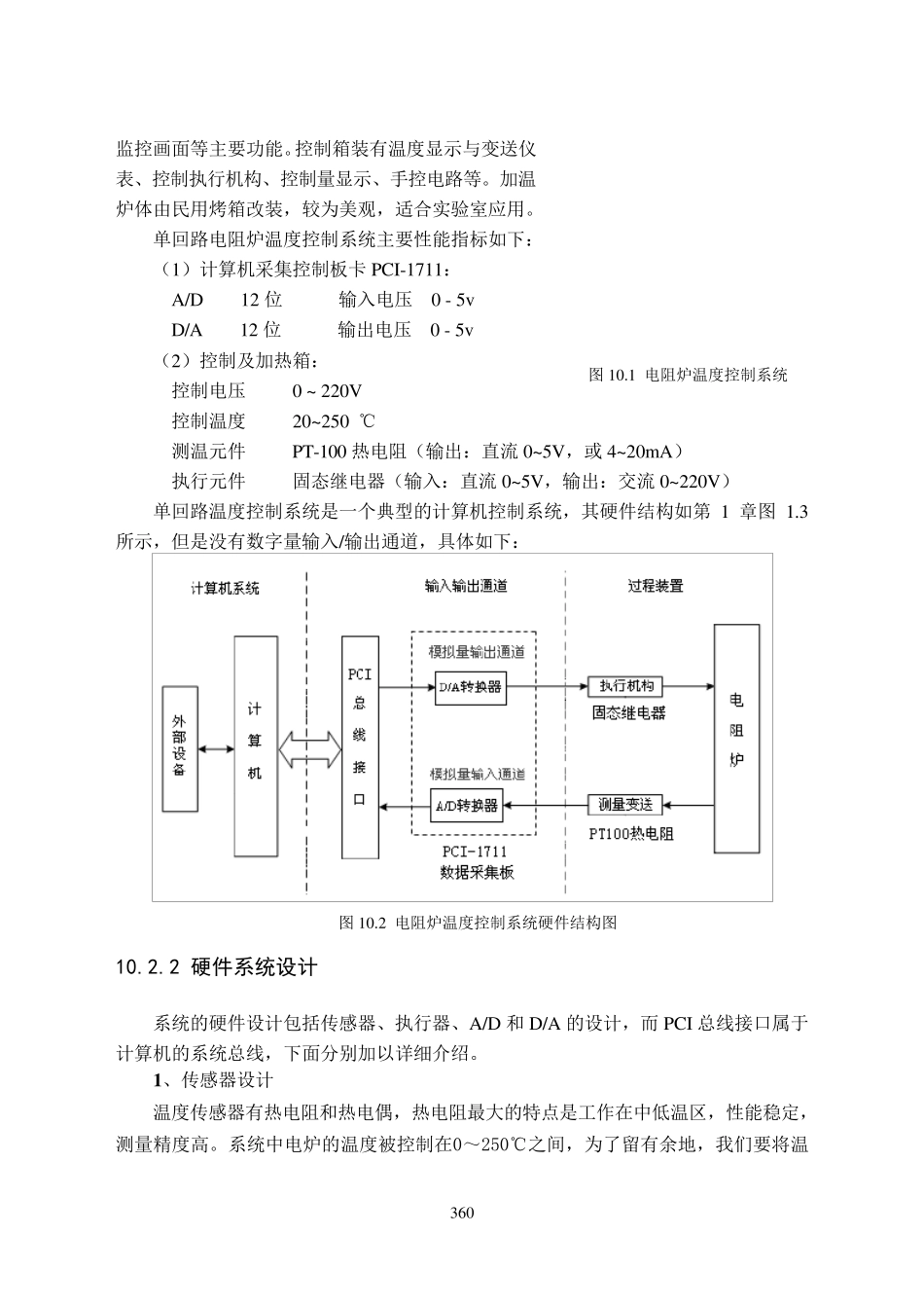
目 录 第10 章计算机控制系统应用实例 ................... 359 10.1 引言 ................................................ 359 10.2 电阻炉温度控制系统 .................................. 359 10.2.1 系统总体描述 ........................................... 359 10.2.2 硬件系统设计 ........................................... 360 10.2.3 控制系统设计 ........................................... 368 10.2.4 系统软件设计 ........................................... 371 10.2.5 系统的实际控制效果 ..................................... 373 10.3 随动控制系统 ........................................ 375 10.3.1 随动系统概述 ........................................... 375 10.3.2 随动系统硬件设计 ....................................... 377 10.3.3 控制方案 ............................................... 380 10.3.4 系统软件设计 ........................................... 381 10.3.5 系统的实际控制效果 ..................................... 387 本章小结 ................................................. 393 习题与思考题 ............................................. 394 3 5 9 第1 0 章计算机控制系统应用实例 10.1 引言 前面章节详细讲述了计算机控制系统的信号分析、性能分析、被控对象建模、控制器的设计以及计算机控制系统的设计原则等,但是如何将上述理论、技术和方法应用到实际的计算机控制系统构建中,还有很多具体的工程问题有待解决。本章将通过计算机控制系统的实例构建来具体展示前述计算机控制系统理论、技术和方法的具体运用,以及实际问题的工程化解决方法。 实际上,尽管计算机控制系统的被控对象多种多样,系统设计方案和具体技术也千变万化,但在设计计算机控制系统中应遵循的共同原则是一致的,即可靠性要高,操作性要好,实时性要强,通用性要好,性价比要高。 要保证上述原则的实现,除具有坚实的计算机控制系统设计的理论基础外,还要具有丰富的工程经验,包括熟悉工控领域的各种检测元件、执行器件、计算机及其相关采集与控制板卡的特性及使用范围,了解各种典型被控对象的特性等,这需要在长期的工程实践中不断积累和摸索。 本章概要 1 0 .1 节介绍本章的研究内容和目的;1...

1、当您付费下载文档后,您只拥有了使用权限,并不意味着购买了版权,文档只能用于自身使用,不得用于其他商业用途(如 [转卖]进行直接盈利或[编辑后售卖]进行间接盈利)。
2、本站所有内容均由合作方或网友上传,本站不对文档的完整性、权威性及其观点立场正确性做任何保证或承诺!文档内容仅供研究参考,付费前请自行鉴别。
3、如文档内容存在违规,或者侵犯商业秘密、侵犯著作权等,请点击“违规举报”。

碎片内容

第10章计算机控制系统应用实例

小辰3+ 关注
实名认证
内容提供者

出售各种资料和文档

确认删除?
VIP
微信客服
  • 扫码咨询
会员Q群
  • 会员专属群点击这里加入QQ群
客服邮箱
回到顶部