电脑桌面
添加小米粒文库到电脑桌面
安装后可以在桌面快捷访问

第2章刀具与切削参数选择

第2章刀具与切削参数选择_第1页
1/10
第2章刀具与切削参数选择_第2页
2/10
第2章刀具与切削参数选择_第3页
3/10
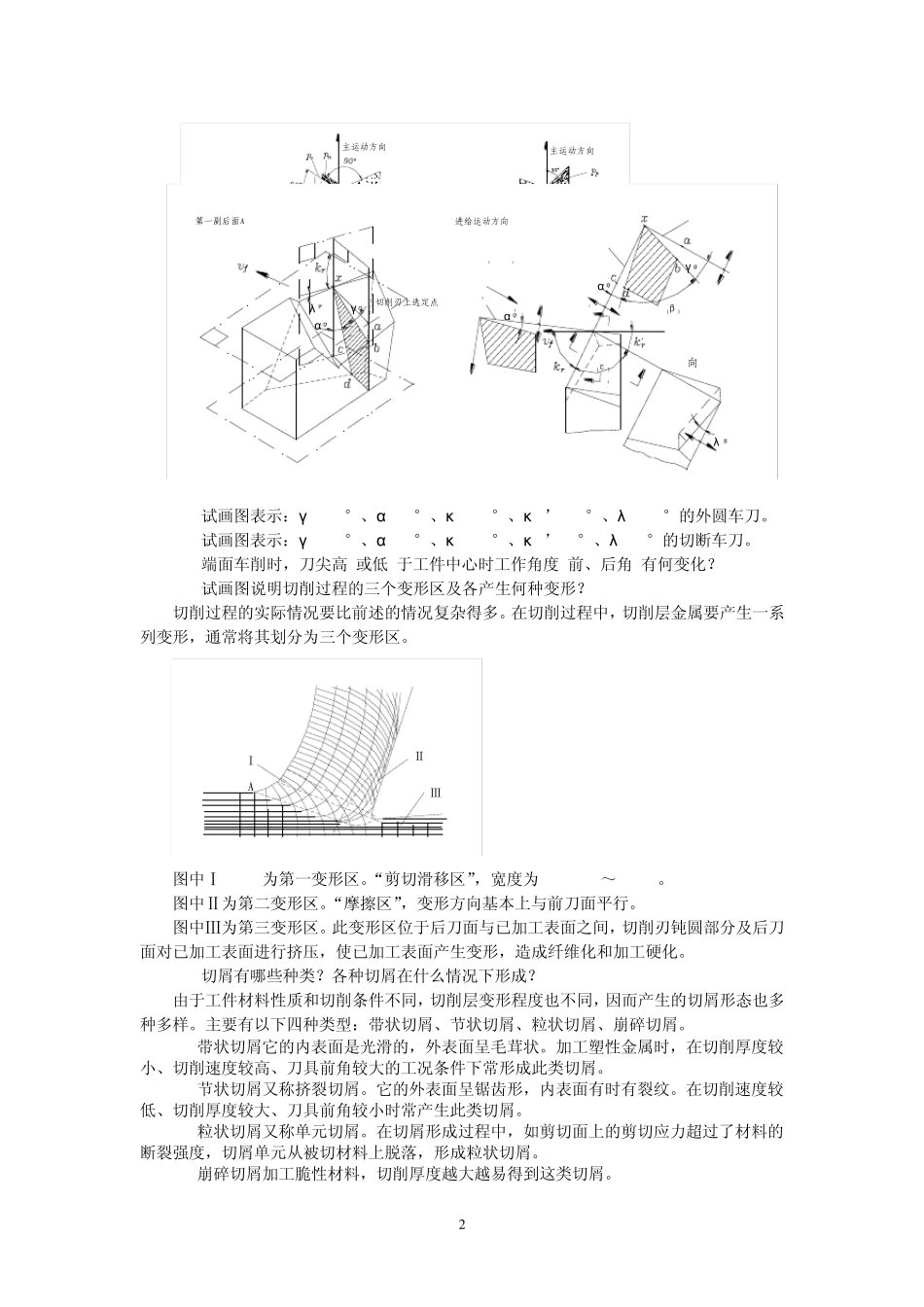
1 第2 章 刀具与切削参数选择 2-1试说明外圆车削、端面车削、刨削、钻削、铣削的切削运动。 在金属切削加工时,为了切除工件上多余的材料,形成工件要求的合格表面,刀具和工件间须完成一定的相对运动,即切削运动。切削运动按其所起的作用不同,可分为主运动和进给运动,如图所示。 a) 车削 b)铣削 c)刨削 d)钻削 e)磨削 1—主运动2—进给运动 3—待加工表面 4—加工表面 5—已加工表面 2-2什么是切削用量三要素? 在切削加工中切削速度、进给量和背吃刀量(切削深度)称为切削用量三要素。 2-3车刀切削部分由哪些面和刃组成? 刀具切削部分主要由刀面和切削刃两部分构成。刀面用字母A与下角标组成的符号标记,切削刃用字母S标记,副切削刃及相关的刀面标记在右上角加一撇以示区别。 (1)前面(前刀面)Ar:刀具上切屑流出的表面; (2)后面(后刀面)Aα :刀具上与工件新形成的过渡表面相对的刀面; (3)副后面(副后刀面)Aα ′:刀具上与工件新形成的过渡表面相对的刀面; (4)主切削刃S:前面与后面形成的交线,在切削中承担主要的切削任务; (5)副切削刃S′:前面与副后面形成的交线,它参与部分的切削任务; (6)刀尖:主切削刃与副切削刃汇交的交点或一小段切削刃。 2-4刀具正交平面参考系平面Pr、Ps、Po及其刀具角度γo、αo、κr、λs如何定义?用图表示。 1. 刀具角度参考平面 用于构成刀具角度的参考平面主要有:基面、切削平面、正交平面、法平面、假定工作平面和背平面。 2.正交平面参考系中的刀具标注角度 在正交平面参考系中,刀具标注角度分别标注在构成参考系的三个切削平面上。 2 第一副后面A切削刃上选定点主运动方向进给运动方向主运动方向 2-5试画图表示:γo=10°、αo=6°、κr=90°、κr’=10°、λs=-5°的外圆车刀。 2-6试画图表示:γo=15°、αo=8°、κr=90°、κr’=2°、λs=0°的切断车刀。 2-7端面车削时,刀尖高(或低)于工件中心时工作角度(前、后角)有何变化? 2-8试画图说明切削过程的三个变形区及各产生何种变形? 切削过程的实际情况要比前述的情况复杂得多。在切削过程中,切削层金属要产生一系列变形,通常将其划分为三个变形区。 OAMⅠⅡⅢ 图中Ⅰ(AOM)为第一变形区。“剪切滑移区”,宽度为 0.02 mm~0.2mm。 图中Ⅱ为第二变形区。“摩擦区”,变形方向基本上与前刀面平行。 图中Ⅲ为第三变形区。此变形区位于后刀面与已加工表面之间,切削刃钝圆部分...

1、当您付费下载文档后,您只拥有了使用权限,并不意味着购买了版权,文档只能用于自身使用,不得用于其他商业用途(如 [转卖]进行直接盈利或[编辑后售卖]进行间接盈利)。
2、本站所有内容均由合作方或网友上传,本站不对文档的完整性、权威性及其观点立场正确性做任何保证或承诺!文档内容仅供研究参考,付费前请自行鉴别。
3、如文档内容存在违规,或者侵犯商业秘密、侵犯著作权等,请点击“违规举报”。

碎片内容

第2章刀具与切削参数选择

确认删除?
VIP
微信客服
  • 扫码咨询
会员Q群
  • 会员专属群点击这里加入QQ群
客服邮箱
回到顶部