电脑桌面
添加小米粒文库到电脑桌面
安装后可以在桌面快捷访问

第5章尺寸公差与技术测量

第5章尺寸公差与技术测量_第1页
1/17
第5章尺寸公差与技术测量_第2页
2/17
第5章尺寸公差与技术测量_第3页
3/17
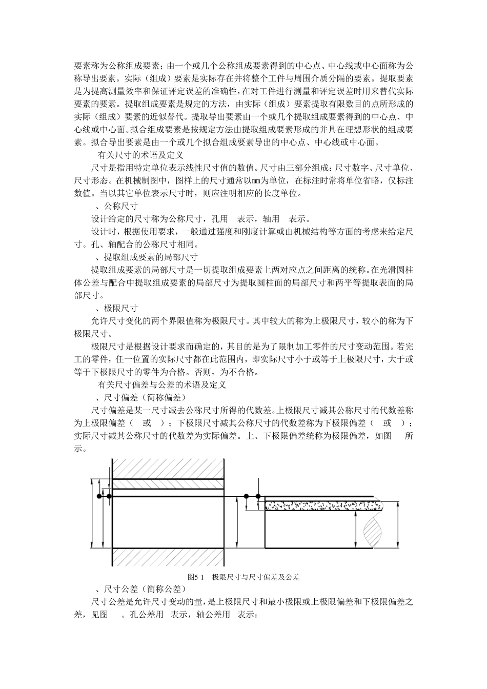
第5章 尺寸公差与技术测量 5.1互换性与公差概述 在人们的日常生活与工作中经常可以发现这样一些事实:仪器设备上掉了一个螺钉或某个零部件损坏了,按相同的规格换一个就行了;灯泡坏了,同样换一个就行了;相同尺码的衣服无论买自哪个商场,对相适的一个人来说都比较合身等等。这些事实说明这些产品都有可以互相替换使用的性质。产品的互换性是通过公差来限制加工误差而实现的。 5.1.1互换性 同一规格的产品(包括零件、部件、构件)之间在几何参数、功能上能够彼此互相替换使用的性能称为互换性。 互换性原则是现代化工业生产的基本原则。按互换性原则进行生产可以实现专业化分工协作生产,从而提高产品质量、生产率,降低生产成本,方便机器的装配、维修,延长机器的使用寿命。 5.1.2加工误差与公差 在机械加工过程中,由机床、刀具、夹具、零件组成的工艺系统,在切削力、切削温度、切削振动等因素作用下,工艺系统要产生热变形、力变形;同时机床、夹具与刀具的磨损等,使加工得到的零件与理想零件产生差别,并且同时加工的若干个零件之间也会产生差别,这个差别称为加工误差。加工误差是机械制造过程中产生的必然现象,是不可避免的,任何一种先进的加工方法只能减少加工误差,而不能消除加工误差。加工误差会对产品、零部件的使用性能和互换性产生不良的影响。 公差是指允许尺寸、形状和相互位置等几何参数误差变动的范围,用以限制加工误差。它是设计人员根据产品使用性能要求给定的。规定公差的原则是在保证满足产品使用性能的前提下,给出尽可能大的公差。它反映了一批工件对制造精度的要求、经济性要求,并体现加工难易程度。公差越小,加工越困难,生产成本越高。所以,公差值是绝对值,不能为零。 5.2尺寸公差配合的基本术语 有关几何要素及公差配合方面的术语是新一代几何量技术规范(GPS)最重要的组成部分,它是设计人员、工艺人员、加工和检测人员理解产品几何量技术要求的基础,是准确贯彻新一代产品几何量技术规范的重要保证。 5.2.1有关几何要素的术语及定义 几何要素即是点、线或面。任何一个零件的形状都是由一些基本的几何形状体所组成,这些基本几何形状体又是由点、线、面组成,所以点、线、面是构成几何形状最基本的要素。尺寸要素是由一定大小的线性尺寸或角度尺寸确定的几何形状。孔和轴承极限与配合制中所控制的尺寸要素。 几何要素按其存在于零件上的相互关系,可分为组成要素(或称轮廓要素)和导出要...

1、当您付费下载文档后,您只拥有了使用权限,并不意味着购买了版权,文档只能用于自身使用,不得用于其他商业用途(如 [转卖]进行直接盈利或[编辑后售卖]进行间接盈利)。
2、本站所有内容均由合作方或网友上传,本站不对文档的完整性、权威性及其观点立场正确性做任何保证或承诺!文档内容仅供研究参考,付费前请自行鉴别。
3、如文档内容存在违规,或者侵犯商业秘密、侵犯著作权等,请点击“违规举报”。

碎片内容

第5章尺寸公差与技术测量

您可能关注的文档

确认删除?
VIP
微信客服
  • 扫码咨询
会员Q群
  • 会员专属群点击这里加入QQ群
客服邮箱
回到顶部