电脑桌面
添加小米粒文库到电脑桌面
安装后可以在桌面快捷访问

职业病危害现状评价现场调查方案VIP专享

职业病危害现状评价现场调查方案_第1页
1/6
职业病危害现状评价现场调查方案_第2页
2/6
职业病危害现状评价现场调查方案_第3页
3/6
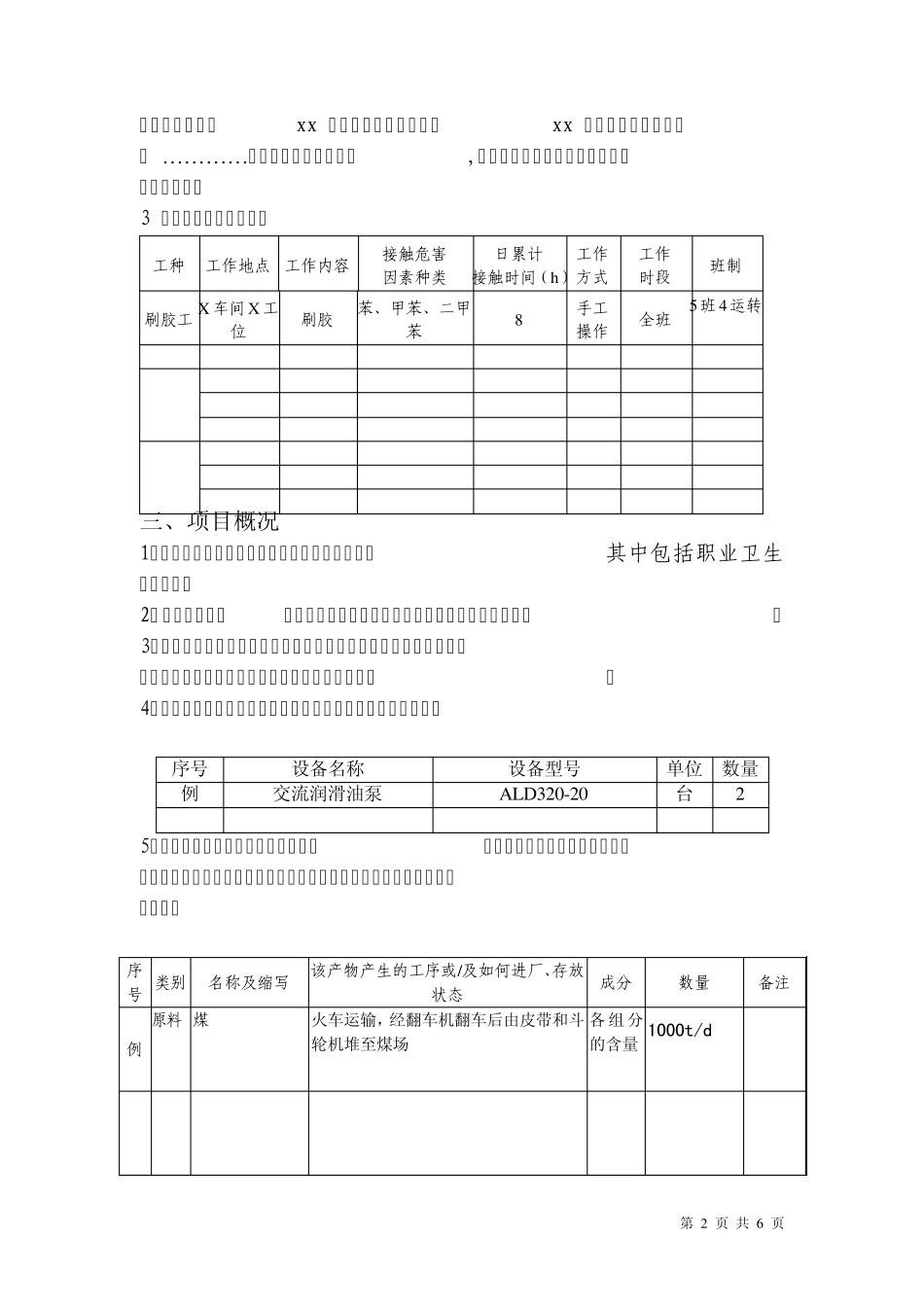
第 1 页 共 6 页 职业病危害现状评价现场调查方案 一、需提供的文件(需提供相应文件) 1、本评价项目的立项批复文件; 2、职业病危害预评价报告书或者职业病危害控制效果评价报告(根据情况提供,如果有最好,如没有可不提供); 3、初步设计说明书和可研资料(可行性报告、立项申请报告); 4、建设项目试运行情况:(建设情况及试运行情况需企业人员填写详细,主要包括以下内容) 4.1 开工时间? 年 月 日竣工时间 年 月 日 4.2 建设单位? 4.3 设备调试单位? 4.4 调试情况说明?(设备调试中出现的各种情况及处理意见?) 4.5 项目什么时间开始试运行? 年 月 日 4.6 试运行情况记录? 4.7 职业卫生防护设施的运行情况记录? 二、运行巡检路线 1 劳动定员及人员 本工程运行人员 400 人 ,其中管理人员 70 人,工人 330 人,工人中女工 人。 按以下两表格式填写主要生产岗位劳动定员情况表和主要生产岗位工人接触职业病危害因素情况表。(可加附表) 车间 岗位 每班(人) 共计(人) 主要职责 班制 主要工作场所及接触时间 男 女 男 女 2 巡检路线(没有巡检工则不必填写) 请分别列出各工种巡检路线 第 2 页 共 6 页 如:控制室——xx 设备(多长时间)——xx 设备(多长时间)—— …………——控制室(巡检周期,如:多长时间巡检一次,每次巡检多长时间) 3 各工种工作情况统计表 工种 工作地点 工作内容 接触危害 因素种类 日累计 接触时间(h) 工作 方式 工作 时段 班制 刷胶工 X 车间X 工位 刷胶 苯、甲苯、二甲苯 8 手工 操作 全班 5班4运转 三、项目概况 1、规模。包括建设规模、生产规模、投资规模(其中包括职业卫生投资概算) 2、项目地理位置(说明项目地理位置及周遍情况并提供地理位置图)。 3、项目总平面布置图(包括生产区、办公区、原辅材料区在厂里的分布,各车间、建筑以及主要交通道路的方位等)。 4、各车间内生产设备的名称、型号、数量、布局框图;例如: 序号 设备名称 设备型号 单位 数量 例 交流润滑油泵 ALD320-20 台 2 5、生产所用的原、辅材料(包括水)、中间产品、副产品、及成品的名称、数量、存在状态。如何进厂?如何存放?生产和生活用电参数及来源? 序号 类别 名称及缩写 该产物产生的工序或/及如何进厂、存放状态 成分 数量 备注 例 原料 煤 火车运输,经翻车机翻车后由...

1、当您付费下载文档后,您只拥有了使用权限,并不意味着购买了版权,文档只能用于自身使用,不得用于其他商业用途(如 [转卖]进行直接盈利或[编辑后售卖]进行间接盈利)。
2、本站所有内容均由合作方或网友上传,本站不对文档的完整性、权威性及其观点立场正确性做任何保证或承诺!文档内容仅供研究参考,付费前请自行鉴别。
3、如文档内容存在违规,或者侵犯商业秘密、侵犯著作权等,请点击“违规举报”。

碎片内容

职业病危害现状评价现场调查方案

确认删除?
VIP
微信客服
  • 扫码咨询
会员Q群
  • 会员专属群点击这里加入QQ群
客服邮箱
回到顶部