电脑桌面
添加小米粒文库到电脑桌面
安装后可以在桌面快捷访问

自有施工机械设备情况表精选

自有施工机械设备情况表精选_第1页
1/6
自有施工机械设备情况表精选_第2页
2/6
自有施工机械设备情况表精选_第3页
3/6
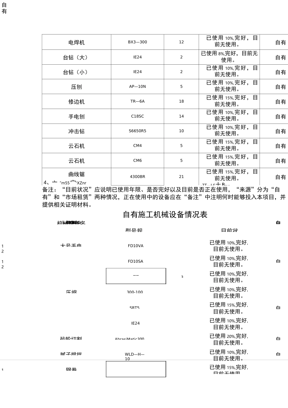
机械设备名称气泵型号规格数量目前状况DLB—SR—电焊机 BX3—5005已使用 10%,完好,目前无使用。已使用 10%,完好,目前无使用。已使用 10%,完好,目前无使用。自有来源自有自有自有施工机械设备情况表机械设备名称型号规格数量目前状况来源角磨机大型、小型15已使用 15%,完好,目前无使用。自有圆盘电锯5130N6已使用 10%,完好,目前无使用。自有电锤BH2-20SE10已使用 15%,完好,目前无使用。自有汽钉枪T-50mm40已使用 5%,完好,目前无使用。自有纹钉枪——43已使用 10%,完好,目前无使用。自有木材测试仪——8已使用 10%,完好,目前无使用。自有电动无气喷涂料机Iwataw—713已使用 20%,完好,目前无使用。自有直钉枪F—308已使用 10%,完好,目前无使用。自有直钉枪F—505已使用 10%,完好,目前无使用。自有钢卷尺5M21已使用 10%,完好,目前无使用。自有水准仪WTJ—22已使用 20%,完好,目前无使用。自有斜角机JA-163AC5已使用 5%,完好,目前无使用。自有红外线水准仪DINI033已使用 20%,完好,目前无使用。自有备注:“目前状况”应说明已使用年限、是否完好以及目前是否正在使用,“来源”分为“自有”和“市场租赁”两种情况,正在使用中的设备应在“备注”中注明何时能够投入本项目,并提供相关证明材料。自有施工机械设备情况表自有机械设备名型号规目前状大号手电FD10VA12小号手电FD10SA12钢板3压缩300-100切割SRT5台IE24砂轮切割AbrasiMatic300腻子搅拌WLD—H—10钢卷1已使用 10%,完好,目前无使用。已使用 10%,完好,目前无使用。已使用 10%,完好,目前无使用。已使用 10%,完好,目前无使用。已使用 15%,完好,目前无使用。已使用 10%,完好,目前无使用。已使用 20%,完好,目前无使用。已使用 10%,完好,目前无使用。已使用 15%,完好,目前无使用。自自自自自自自电焊机BX3—30012已使用 10%,完好,目前无使用。自有台钻(大)IE242已使用 8%,完好,目前无使用。自有台钻(小)IE242已使用 10%,完好,目前无使用。自有压刨AP—10N5已使用 10%,完好,目前无使用。自有修边机TR—6A18已使用 15%,完好,目前无使用。自有手电刨C18SC14已使用 10%,完好,目前无使用。自有冲击钻S6650R510已使用 10%,完好,目前无使用。自有云石机CM45已使用 15%,完好,目前无使用。自有云石机CM65已使用 15%,完好,目前无使用。自有曲线锯4、亠“m55宀'XZnr4300BR21已使用 15%,完好,目前无使用。-7T—I-f士 B“T+T-自有备注:“目前状况...

1、当您付费下载文档后,您只拥有了使用权限,并不意味着购买了版权,文档只能用于自身使用,不得用于其他商业用途(如 [转卖]进行直接盈利或[编辑后售卖]进行间接盈利)。
2、本站所有内容均由合作方或网友上传,本站不对文档的完整性、权威性及其观点立场正确性做任何保证或承诺!文档内容仅供研究参考,付费前请自行鉴别。
3、如文档内容存在违规,或者侵犯商业秘密、侵犯著作权等,请点击“违规举报”。

碎片内容

自有施工机械设备情况表精选

确认删除?
VIP
微信客服
  • 扫码咨询
会员Q群
  • 会员专属群点击这里加入QQ群
客服邮箱
回到顶部