电脑桌面
添加小米粒文库到电脑桌面
安装后可以在桌面快捷访问

管理信息系统数据流程图和业务流程图

管理信息系统数据流程图和业务流程图_第1页
1/10
管理信息系统数据流程图和业务流程图_第2页
2/10
管理信息系统数据流程图和业务流程图_第3页
3/10
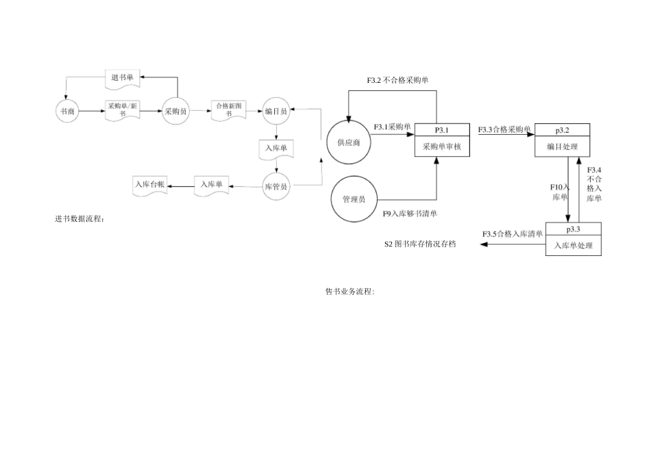
格,如果合格则登记流水帐和库存帐目,如果不合格则交由主管审核后退回供1•采购部查询库存信息及用户需求,若商品的库存量不能满足用户的需要,则编根据以上情况画出业务流程图和数据流程图。(共 I5分)制相应的采购订货单,并交送给供应商提出订货请求。供应商按订单要求发货给盘点规定该公司采购部,并附上采购收货单。公司检验人员在验货后,发现货物不合格,匸?一将货物退回供应商,如果合格则送交库房。库房管理员再进一步审核货物是否合3•“进书”主要指新书的验收、分类编号、填写、审核、入库。主要过程:书商将采购单和新书送采购员;采购员验收,如果不合格就退回,合格就送编目员;编目员按照国家标准进行的分类编号,填写包括书名,书号,作者、出版社等基本信息的入库单;库管员验收入库单和新书,如果合格就入库,并更新入库台帐如果不合格就退回。“售书”的流程:顾客选定书籍后,收银员进行收费和开收费单,并更新销售台帐。顾客凭收费单可以将图书带离书店,书店保安审核合格后,放行,否则将让顾客到收银员处缴费。画出“进书”和“售书”的数据流程图。进书业务流程:则由仓库主观返回不合格盘存报表给库管员重新查询数据进行盘点。商。2.在盘点管理流程中,库管员首先编制盘存报表并提交给仓库主管,仓库主管查询库存清单和盘点流水账,然后根据盘点规定进行审核,如果合格则提交合进书数据流程:F3.2 不合格采购单S2 图书库存情况存档售书业务流程:不合格的报损清5•“生产资料出库”主要指生产部门员工到仓库中领取生产原料和各种生产工4•背景:若库房里的货品由于自然或其他原因而破损,且不可用的,需进行报损处理,即这些货品清除出库房。具体报损流程如下:由库房相关人员定期按库存计划编制需要对货物进行报损处理的报损清单,交给主管确认、审核。主管审核后确定清单上的货品必须报损,则进行报损处理售书数据流程:并根据报损清单登记流水帐,同时修改库存台帐;若报损单上的货品不符合报损要求,则将报损单退回库房。试根据上述背景提供的信息,绘制出“报损”的业务流程图、数据流程图。报损业务流程图:(10 分)业务流程图:库存计划库房-丿流水账数据流程图:厂、、、库房丿P1不合格报损清单主管合格报损清单_库存台帐库存计划流水账编制报损清单P2审核报损清单合格的报损清車*P3报损处理库存台帐等产品,其流程描述如下:首先由生产部门员工向仓库主任提交原料提货单,然后仓库主任根据当前库存情况和...

1、当您付费下载文档后,您只拥有了使用权限,并不意味着购买了版权,文档只能用于自身使用,不得用于其他商业用途(如 [转卖]进行直接盈利或[编辑后售卖]进行间接盈利)。
2、本站所有内容均由合作方或网友上传,本站不对文档的完整性、权威性及其观点立场正确性做任何保证或承诺!文档内容仅供研究参考,付费前请自行鉴别。
3、如文档内容存在违规,或者侵犯商业秘密、侵犯著作权等,请点击“违规举报”。

碎片内容

管理信息系统数据流程图和业务流程图

您可能关注的文档

wxg+ 关注
实名认证
内容提供者

该用户很懒,什么也没介绍

确认删除?
VIP
微信客服
  • 扫码咨询
会员Q群
  • 会员专属群点击这里加入QQ群
客服邮箱
回到顶部