电脑桌面
添加小米粒文库到电脑桌面
安装后可以在桌面快捷访问

铝合金加工全参数

铝合金加工全参数_第1页
1/6
铝合金加工全参数_第2页
2/6
铝合金加工全参数_第3页
3/6
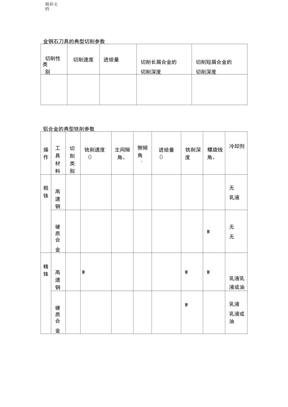
精彩文档铝合金加工参数由于在加工过程中发现工件刀纹不致影响表面质量,查找了一些资料,作了一些摘要:.由于铝合金强度和硬度相对较低塑性较小对刀具磨损小,且热导率较高使切削温度较低所以铝合金的切削加工性较好,属于易加工材料,切削速度较高适于高速切削但铝合金熔点较低温度升高后塑性增大,在高温高压作用下,切削界面摩擦力很大。容易粘刀;特别是退火状态的铝合金,不易获得低的表面粗糙度。.与钢材和黄铜相比,铝合金的特点,一是材质软,刚性差,二是弹性模量低,这两个因素显著影响了铝合金的切削加工性。因此,在加工铝合金工件时,必须充分地夹紧和支撑工件,并保持刀具锋利;否则,工件往往会有离开切削刀具的倾向。有时工件的表面出现不规则的槽痕和光亮的挤压斑,一种可能是由于刀具对工件的压力不正常引发的,还有一种可能是由于夹持不牢固而引起振颤时,刀具在工件的表面作间隙式的磨蹭,发生挤压现象和粉状切削;然后,当间隙或弹性消失时,刀具就咬人工件的表面,啃出槽痕。.为了获得光洁的工件表面,尽可能采用粗切削和精切削的组合,因为各种合格的工件毛坯总会有一些氧化层,致使刀具受到相当程度的磨损。如果最后切削工序采用抛光过的锋利刀具进行精细切削,就能达到以上要求。.通常把铝合金的切削性分为两类:类是指工业纯铝和硬度小于的退火状态铝合金;类是指淬火时效状态的变形铝合金。而铝合金的切削加工工艺参数与此类别有关。高速钢刀具和硬质合金刀具的典型切削参数操作工具材料切削类别切削速度()副后角O纵向前角°进给量()切削深度冷却剂粗车高速钢W无无硬质合金无无精车高速钢乳液或切削油硬质合金乳液或切削油精彩文档金钢石刀具的典型切削参数切削性类别切削速度进给量切削长屑合金的切削深度切削短屑合金的切削深度铝合金的典型铣削参数操作工具材料切削类别铣削速度()主间隙角。侧倾角O进给量()铣削深度螺旋线角。冷却剂粗铢高速钢无乳液硬质合金W无无精铢高速钢WWW乳液乳液或油硬质合金W乳液乳液或油精彩文档铝合金麻花钻钻孔时的典型参数工具材料切削类别铣削速度()项角°螺旋角O进给量()副后角°冷却剂高速钢乳液乳液硬质合金无无或乳液备注钻小孔宜用低速在薄板上钻孔宜增大角度或用正项角钻钻小孔宜用小螺旋角钻小孔进刀量宜小在磨副后角时应注意选择角度最好用乳液精彩文档铝合金攻螺纹前的钻孔的典型参数标准螺纹孔的直径铝合金的典型镗孔参数工具工具材料铣削速度()进给量()项角°螺旋...

1、当您付费下载文档后,您只拥有了使用权限,并不意味着购买了版权,文档只能用于自身使用,不得用于其他商业用途(如 [转卖]进行直接盈利或[编辑后售卖]进行间接盈利)。
2、本站所有内容均由合作方或网友上传,本站不对文档的完整性、权威性及其观点立场正确性做任何保证或承诺!文档内容仅供研究参考,付费前请自行鉴别。
3、如文档内容存在违规,或者侵犯商业秘密、侵犯著作权等,请点击“违规举报”。

碎片内容

铝合金加工全参数

您可能关注的文档

确认删除?
VIP
微信客服
  • 扫码咨询
会员Q群
  • 会员专属群点击这里加入QQ群
客服邮箱
回到顶部