电脑桌面
添加小米粒文库到电脑桌面
安装后可以在桌面快捷访问

楼层平面放线记录

楼层平面放线记录_第1页
1/6
楼层平面放线记录_第2页
2/6
楼层平面放线记录_第3页
3/6
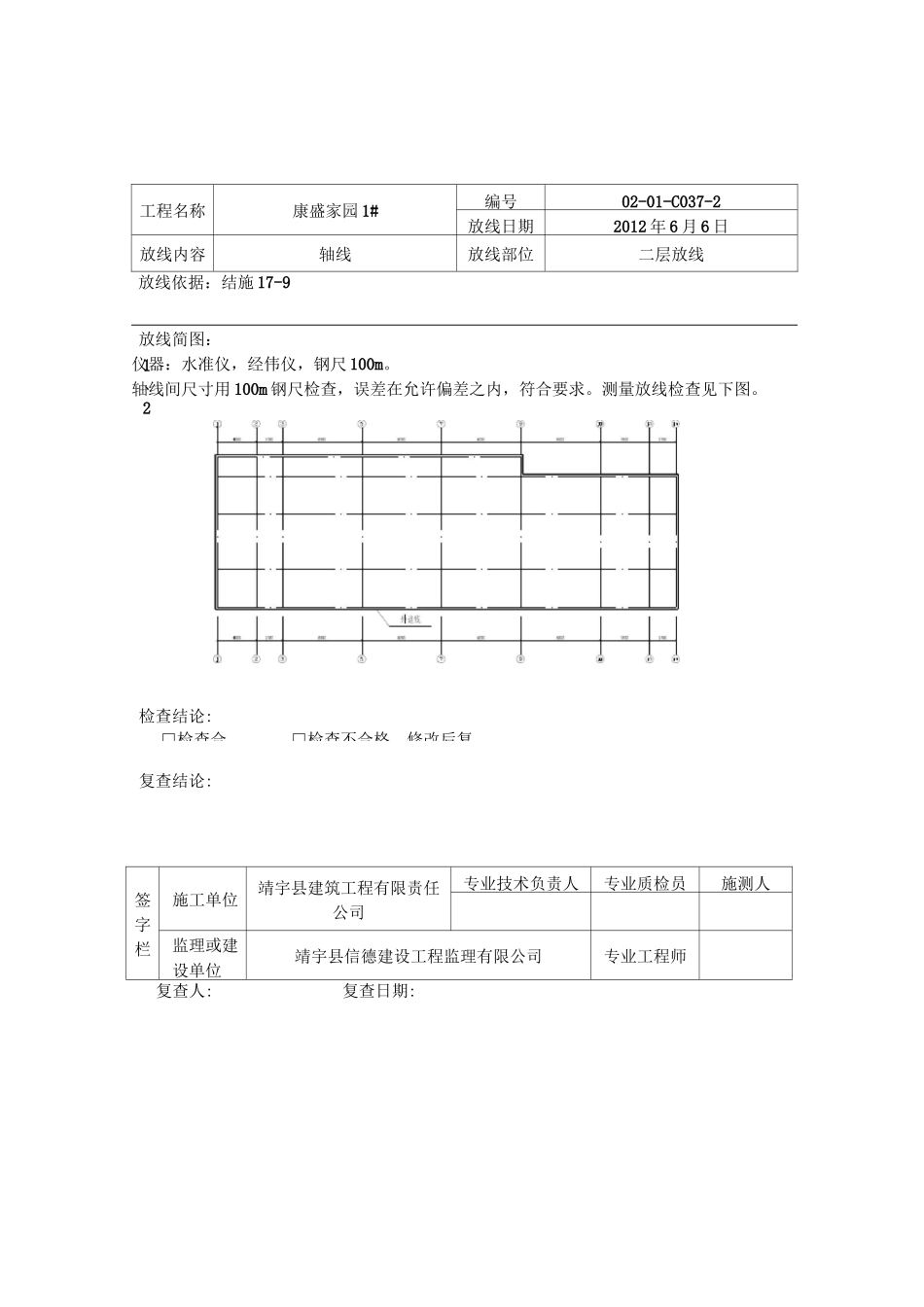
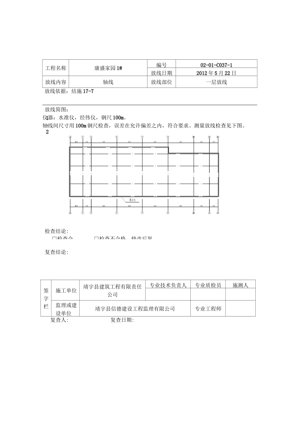
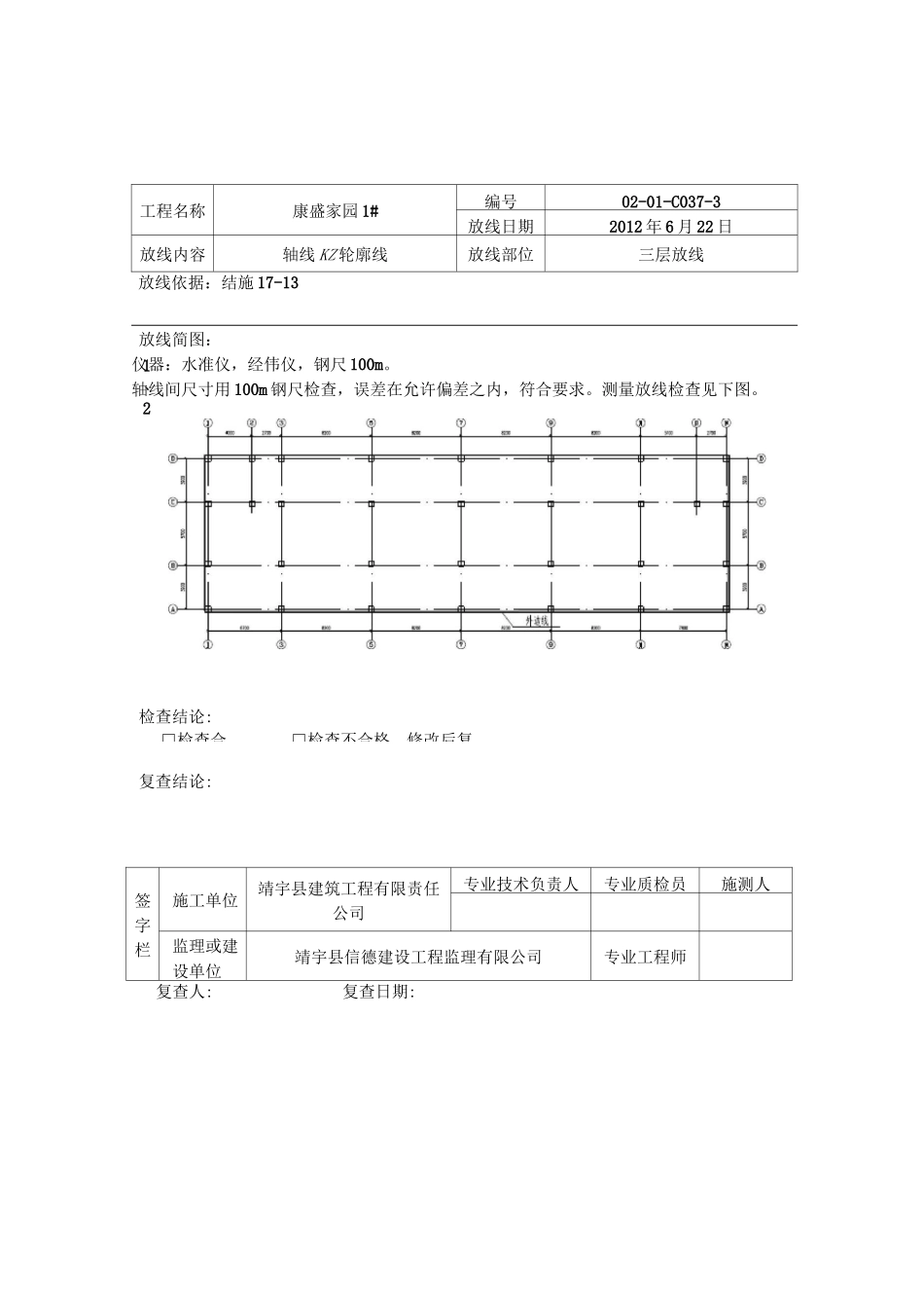
1、2□检查合□检查不合格,修改后复工程名称康盛家园 1#编号02-01-C037-1放线日期2012 年 5 月 22 日放线内容轴线放线部位一层放线放线依据:结施 17-7放线简图:仪器:水准仪,经伟仪,钢尺 100m。轴线间尺寸用 100m 钢尺检查,误差在允许偏差之内,符合要求。测量放线检查见下图。检查结论:复查结论:签字栏施工单位靖宇县建筑工程有限责任公司专业技术负责人专业质检员施测人监理或建设单位靖宇县信德建设工程监理有限公司专业工程师复查人:复查日期:1、2□检查合□检查不合格,修改后复工程名称康盛家园 1#编号02-01-C037-2放线日期2012 年 6 月 6 日放线内容轴线放线部位二层放线放线依据:结施 17-9放线简图:仪器:水准仪,经伟仪,钢尺 100m。轴线间尺寸用 100m 钢尺检查,误差在允许偏差之内,符合要求。测量放线检查见下图。检查结论:复查结论:签字栏施工单位靖宇县建筑工程有限责任公司专业技术负责人专业质检员施测人监理或建设单位靖宇县信德建设工程监理有限公司专业工程师复查人:复查日期:1、2□检查合□检查不合格,修改后复工程名称康盛家园 1#编号02-01-C037-3放线日期2012 年 6 月 22 日放线内容轴线 KZ 轮廓线放线部位三层放线放线依据:结施 17-13放线简图:仪器:水准仪,经伟仪,钢尺 100m。轴线间尺寸用 100m 钢尺检查,误差在允许偏差之内,符合要求。测量放线检查见下图。检查结论:复查结论:签字栏施工单位靖宇县建筑工程有限责任公司专业技术负责人专业质检员施测人监理或建设单位靖宇县信德建设工程监理有限公司专业工程师复查人:复查日期:1、2□检查合□检查不合格,修改后复工程名称康盛家园 1#编号02-01-C037-4放线日期2012 年 7 月 6 日放线内容轴线 KZ 轮廓线放线部位四层放线放线依据:结施 17-13放线简图:仪器:水准仪,经伟仪,钢尺 100m。轴线间尺寸用 100m 钢尺检查,误差在允许偏差之内,符合要求。测量放线检查见下图。检查结论:复查结论:签字栏施工单位靖宇县建筑工程有限责任公司专业技术负责人专业质检员施测人监理或建设单位靖宇县信德建设工程监理有限公司专业工程师复查人:复查日期:1、2□检查合□检查不合格,修改后复工程名称康盛家园 1#编号02-01-C037-5放线日期2012 年 7 月 17 日放线内容轴线 KZ 轮廓线放线部位五层放线放线依据:结施 17-13放线简图:仪器:水准仪,经伟仪,钢尺 100m。轴线间尺寸用 100m 钢尺检查,误差在允许偏...

1、当您付费下载文档后,您只拥有了使用权限,并不意味着购买了版权,文档只能用于自身使用,不得用于其他商业用途(如 [转卖]进行直接盈利或[编辑后售卖]进行间接盈利)。
2、本站所有内容均由合作方或网友上传,本站不对文档的完整性、权威性及其观点立场正确性做任何保证或承诺!文档内容仅供研究参考,付费前请自行鉴别。
3、如文档内容存在违规,或者侵犯商业秘密、侵犯著作权等,请点击“违规举报”。

碎片内容

楼层平面放线记录

您可能关注的文档

确认删除?
VIP
微信客服
  • 扫码咨询
会员Q群
  • 会员专属群点击这里加入QQ群
客服邮箱
回到顶部