电脑桌面
添加小米粒文库到电脑桌面
安装后可以在桌面快捷访问

CX-3C型基坑测斜仪-CX-3型数据处理软件操作补充

CX-3C型基坑测斜仪-CX-3型数据处理软件操作补充_第1页
1/23
CX-3C型基坑测斜仪-CX-3型数据处理软件操作补充_第2页
2/23
CX-3C型基坑测斜仪-CX-3型数据处理软件操作补充_第3页
3/23
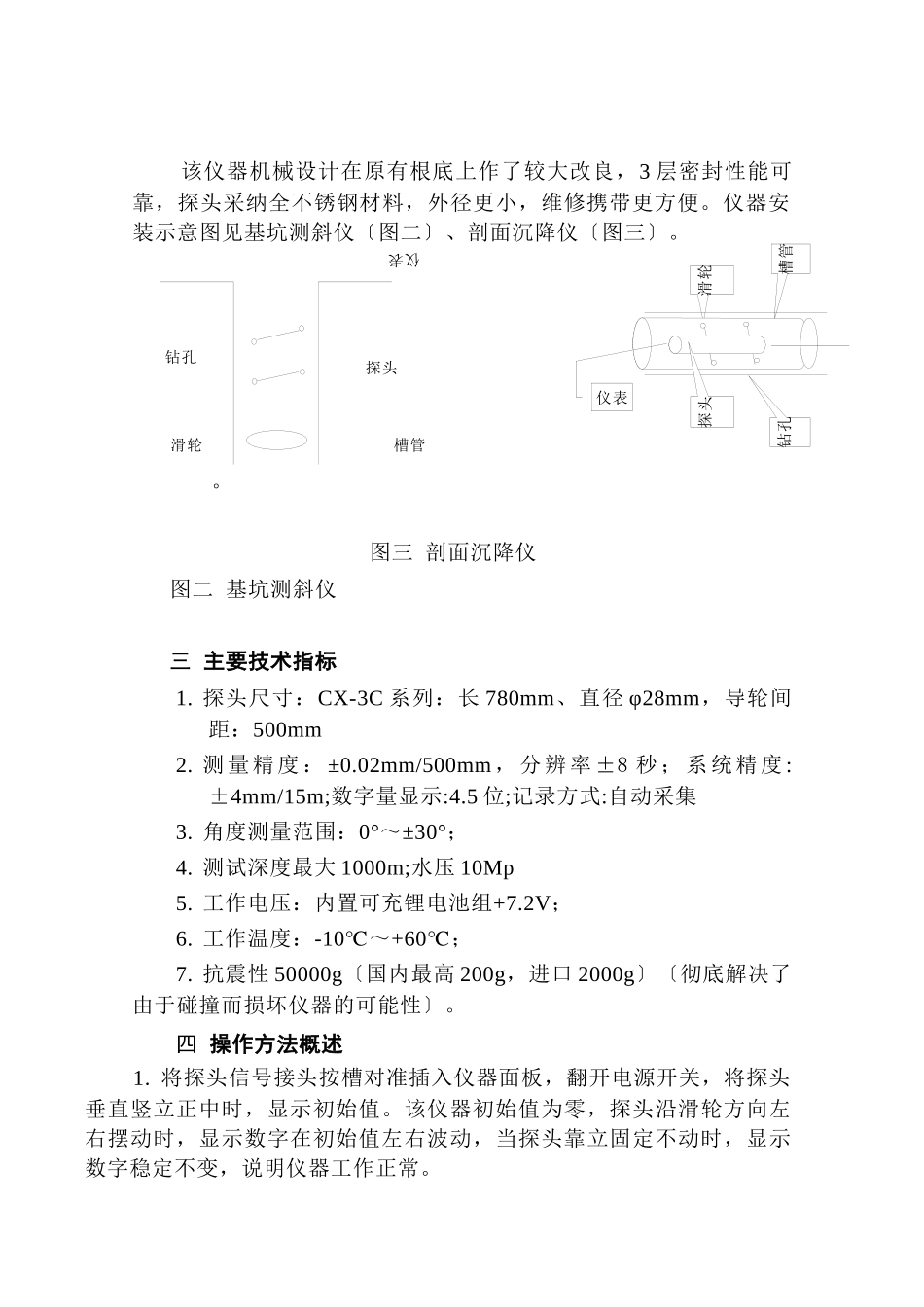
mθ敏感元件电 子换能器伺 服放大器显示仪表存贮器计算机CX-系列测斜仪使用说明书一 概 述CX— 系列测斜仪〔包含基坑测斜仪 CX-3B 、 CX-3C 、 CX-3D,剖面沉降仪 CX-4B、CX-4C、CX-4D〕主要用于测量深基坑、边坡、地基、水平位移以及剖面沉降。通过钻孔方式,将测量槽管埋入地下,当基坑、边坑、地基产生形变时,测斜槽管随之变形,测斜探头上滑轮顺槽而下逐点测试,从而可精确测出水平位移量ΔX,Y。根据 ΔX,Y 的值大小,作出预报,指导施工。该仪器通过国家计量权威机构鉴定,并通过大量工程检验。测试数据真实可靠,仪器操作简便,抗震性远超过进口产品,适合各种野外环境,是目前基坑、边坡、地基测斜的专用测试仪。二 主要工作原理该仪器采纳最新进口倾角传感器作为敏感元件,它是一个力平衡式的伺服系统,当传感器探头相对于地球重心方向产生倾角θ 时,由于重力作用,传感器中敏感元件相对于铅锤方向摆动一个角度,通过高灵敏的微电子换能器将此角度转换成信号,经过分析处理,直接在液晶屏上显示被测点的水平位移量 ΔX,Y 值,并存入仪器中,通过串口送入计算机中处理,探头抗震性到达 50000g,超过进口同类产品的 20 倍。该仪器的敏感元件具有精度高,稳定性好,重复性高,漂移小,热稳定性高等优点。原来主要用于航天器上导航,近些年由于本钱下降用于测斜仪,采纳军品器件可靠性高,采纳三层固化密封,彻底解决了仪器进水问题。仪器原理图见〔图一〕。图一 仪器原理方框图钻孔槽管滑轮仪表探头钻孔探头槽管滑轮仪表该仪器机械设计在原有根底上作了较大改良,3 层密封性能可靠,探头采纳全不锈钢材料,外径更小,维修携带更方便。仪器安装示意图见基坑测斜仪〔图二〕、剖面沉降仪〔图三〕。。 图三 剖面沉降仪图二 基坑测斜仪三 主要技术指标1. 探头尺寸:CX-3C 系列:长 780mm、直径 φ28mm,导轮间距:500mm2. 测量精度: ±0.02mm/500mm ,分 辨率 ±8 秒 ; 系统精度 :±4mm/15m;数字量显示:4.5 位;记录方式:自动采集3. 角度测量范围:0°~±30°;4. 测试深度最大 1000m;水压 10Mp5. 工作电压:内置可充锂电池组+7.2V;6. 工作温度:-10℃~+60℃;7. 抗震性 50000g〔国内最高 200g,进口 2000g〕〔彻底解决了由于碰撞而损坏仪器的可能性〕。四 操作方法概述1. 将探头信号接头按槽对准插入仪器面板,翻开电源开关,将探头垂直竖立正中时,显示初始值。该仪器初始值为零,探...

1、当您付费下载文档后,您只拥有了使用权限,并不意味着购买了版权,文档只能用于自身使用,不得用于其他商业用途(如 [转卖]进行直接盈利或[编辑后售卖]进行间接盈利)。
2、本站所有内容均由合作方或网友上传,本站不对文档的完整性、权威性及其观点立场正确性做任何保证或承诺!文档内容仅供研究参考,付费前请自行鉴别。
3、如文档内容存在违规,或者侵犯商业秘密、侵犯著作权等,请点击“违规举报”。

碎片内容

CX-3C型基坑测斜仪-CX-3型数据处理软件操作补充

确认删除?
VIP
微信客服
  • 扫码咨询
会员Q群
  • 会员专属群点击这里加入QQ群
客服邮箱
回到顶部