电脑桌面
添加小米粒文库到电脑桌面
安装后可以在桌面快捷访问

mb215室内设计施工图纸要求

mb215室内设计施工图纸要求_第1页
1/2
mb215室内设计施工图纸要求_第2页
2/2
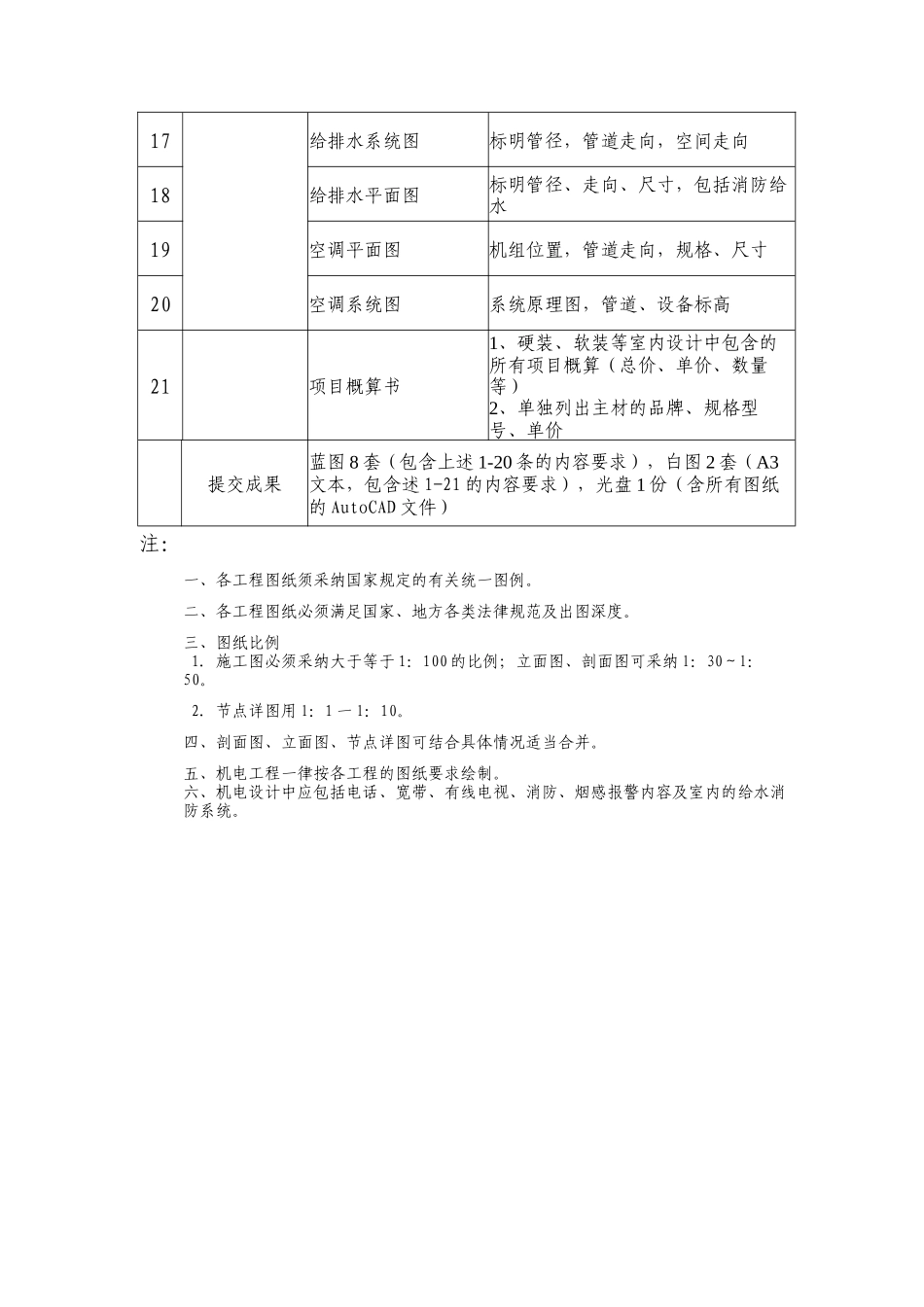
编号:编号分类名称内容1设计说明图纸目录图号、图名、完成日期2材料清单(建议以表格形式为主)建材材料规格清单装修内容、使用部位、品牌、品名、规格、索引号(包括洁具)3施工图图表符号施工说明照明设备图示符号;电器图示符号;给排水图示符号;空调设备图示符号;相关的施工说明4平面布置图标明空间定位;尺寸;家具及其它占用平面空间物体的布置5墙体尺寸放样图表明保留不动的墙,要拆除的墙,要新建的墙,并且标注尺寸6地坪图标明各部位地面材料,如有拼花应标注尺寸,入口门槛7天花布置图表明天花造型,所用材质;灯具位置,灯具形式;喷淋、烟杆等其它设备的位置8天花灯具尺寸图标明天花造型尺寸、灯具定位尺寸、标高9空调位置图需在天花灯具布置图的基础上,表示空调的位置,风口的位置10立面索引图在每个空间标明立面图的索引编号11空间立面图每个空间的每个立面均需画,标明尺寸、材质并且开关、插座、空调等的位置需在立面图上表示12剖面图入口、阳台等主要部位均需画,标明尺寸、材质。空调位置需在剖面图上表示13节点大样图标明关键部位做法、尺寸、材料14总系统图(含弱电)装机容量,计算电流,配电箱的规格、型号、尺寸大小,管材、线缆规格、型号、敷设方式15灯具平面图(含弱电)线路的导线数量,灯具的规格、型号、容量、安装高度及方式16开关插座布置图(含弱电)线路的导线数量17 给排水系统图标明管径,管道走向,空间走向18给排水平面图标明管径、走向、尺寸,包括消防给水19空调平面图机组位置,管道走向,规格、尺寸20空调系统图系统原理图,管道、设备标高21 项目概算书1、硬装、软装等室内设计中包含的所有项目概算(总价、单价、数量等) 2、单独列出主材的品牌、规格型号、单价提交成果蓝图 8 套(包含上述 1-20 条的内容要求),白图 2 套(A3文本,包含述 1-21 的内容要求),光盘 1 份(含所有图纸的 AutoCAD 文件)注:一、各工程图纸须采纳国家规定的有关统一图例。二、各工程图纸必须满足国家、地方各类法律规范及出图深度。三、图纸比例 1.施工图必须采纳大于等于 1:100 的比例;立面图、剖面图可采纳 l:30~l:50。 2.节点详图用 l:1 一 l:10。四、剖面图、立面图、节点详图可结合具体情况适当合并。五、机电工程一律按各工程的图纸要求绘制。六、机电设计中应包括电话、宽带、有线电视、消防、烟感报警内容及室内的给水消防系统。

1、当您付费下载文档后,您只拥有了使用权限,并不意味着购买了版权,文档只能用于自身使用,不得用于其他商业用途(如 [转卖]进行直接盈利或[编辑后售卖]进行间接盈利)。
2、本站所有内容均由合作方或网友上传,本站不对文档的完整性、权威性及其观点立场正确性做任何保证或承诺!文档内容仅供研究参考,付费前请自行鉴别。
3、如文档内容存在违规,或者侵犯商业秘密、侵犯著作权等,请点击“违规举报”。

碎片内容

mb215室内设计施工图纸要求

确认删除?
VIP
微信客服
  • 扫码咨询
会员Q群
  • 会员专属群点击这里加入QQ群
客服邮箱
回到顶部