电脑桌面
添加小米粒文库到电脑桌面
安装后可以在桌面快捷访问

XXXX年度农村饮水安全工程施工方案

XXXX年度农村饮水安全工程施工方案_第1页
1/46
XXXX年度农村饮水安全工程施工方案_第2页
2/46
XXXX年度农村饮水安全工程施工方案_第3页
3/46
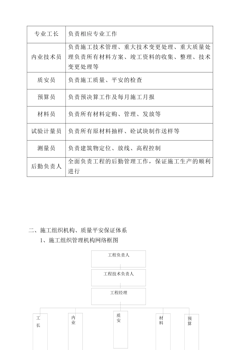
第一章 工程概况一、工程概况××县 2024 年度农村饮水平安工程施工内容主要涉及:管道安装,水表、阀门等设备购置安装及入户等内容。二、工程特点1、质量要求高由于××县 2024 年度农村饮水平安工程为××县重点工程之一,施工质量的好坏会直接对我公司的形象和声誉造成重要影响,所以施工时一定要注意对施工质量的控制。2、施工文明施工及平安施工要求高由于管道施工时需对局部道路进行必要的开挖和埋管,因此施工时需对施工区域进行打围封闭。要求不影响周围环境和老百姓正常的社会秩序,同时要注意对所施工路段实行切实可行的平安防护措施,防止施工出现平安事故3、工作量大,施工工期紧。根据施工现场的具体情况,施工内容涉及多项,而工期仅 45 日历天。加之交叉作业多,施工工期特别紧。施工时必须合理、充分的利用工作面4、测量控制要求高。 由于场地大,管道铺设长,对管道各段的标高控制将直接影响给水效果,施工时应由专业的技术人员进行测量工作。5、施工协调难度大。在实施给水安装施工时需对路段进行全封闭施工,会对老百姓的生活带来不便,由于施工要求工期紧,施工时需与老百姓各方进行有效的沟通和协调。第二章 施工组织机构和施工布置第一节 施工组织机构一、施工组织管理机构1、本工程对我公司展示工程部综合实力、增强企业信誉、展现企业形象是个良好时机。公司对本工程高度重视,根据本工程的特点及要求,本工程组织机构由二部份组成,即决策层、工程管理层〔包含工程作业层〕。其中工程生产主要由工程管理层和其作业层完成,决策层由公司总经理挂帅、公司各主要部门负责人组成,从施工组织到施工组织实施全过程的指导、检查、督促到底,及时发现并解决施工中发生的问题,确保工程按合同约定完成。2、指挥决策层、工程管理层的工作职能如下:(1) 决策层由公司总经理负责,根据老百姓的有关要求和决议对工程情况进行宏观决策,技术上由公司有关人员根据现场实际情况进行必要的检查和指导。 (2) 工程管理层工程管理层是工程工程的具体实施部门,实行工程经理负责制,工程经理对工程进度、质量、平安、文明施工、合同履约全面对业主负责,组织相关专业队伍施工,确保工程根据约定质量、进度目标交付使用。公司根据实际情况将本工程的施工任务交由施工过同类似工程的工程部施工,工程经理是本公司优秀工程经理。该工程部组成人员将在施工同类工程的原班人马根底上组建。工程部主要管理人员及职责表职 务主要职责工...

1、当您付费下载文档后,您只拥有了使用权限,并不意味着购买了版权,文档只能用于自身使用,不得用于其他商业用途(如 [转卖]进行直接盈利或[编辑后售卖]进行间接盈利)。
2、本站所有内容均由合作方或网友上传,本站不对文档的完整性、权威性及其观点立场正确性做任何保证或承诺!文档内容仅供研究参考,付费前请自行鉴别。
3、如文档内容存在违规,或者侵犯商业秘密、侵犯著作权等,请点击“违规举报”。

碎片内容

XXXX年度农村饮水安全工程施工方案

确认删除?
VIP
微信客服
  • 扫码咨询
会员Q群
  • 会员专属群点击这里加入QQ群
客服邮箱
回到顶部