电脑桌面
添加小米粒文库到电脑桌面
安装后可以在桌面快捷访问

XX公司品质管理程序书——矫正预防

XX公司品质管理程序书——矫正预防_第1页
1/9
XX公司品质管理程序书——矫正预防_第2页
2/9
XX公司品质管理程序书——矫正预防_第3页
3/9
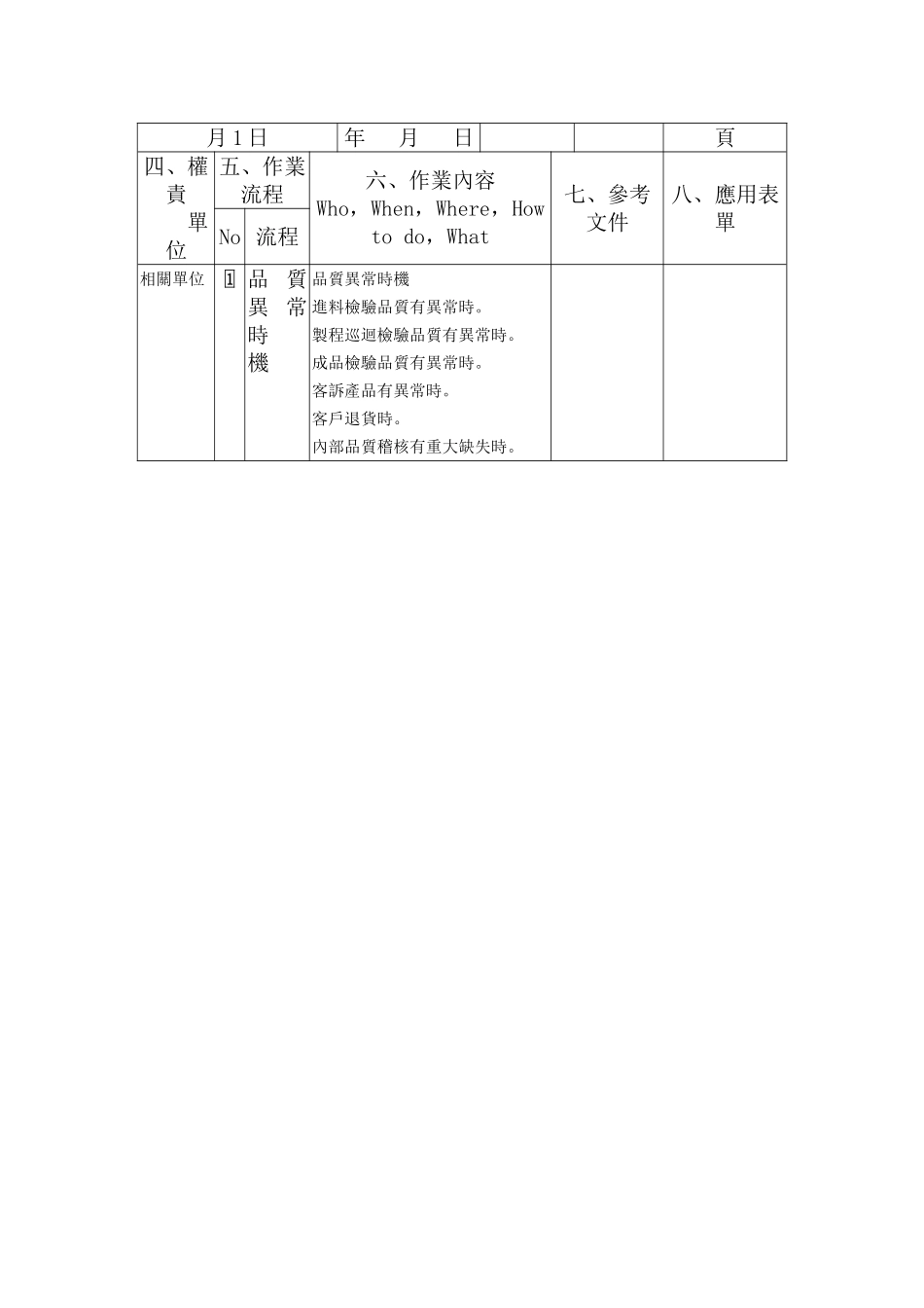
名翔恿線股份有限公司矯正與預防措施管理程序書文件編號MS-G2-1401制訂日期:89 年 11月 1 日修訂日期: 年 月 日 版次:版 頁 次第 1 頁共 5頁一、目的為確保產品品質發生異常時,能迅速消除不良原因,採取矯正預防措施,以防止問題再發生,並針對不良發生原因有效解決及執行防止再發生對策。二、範圍用於進料、製程中、成品、客訴、退貨與內部品質稽核等過程中所發生之不良情況。三、定義1.輕微異常:進料:在製程中可以修正者或現場調整機械設備即可恢復正常運作者,如原紗沾染油污面積或捻度不均部份 3﹪以下者。製程:現場操作人員能自行處理或調整即可回復至品質要求水準者。成品:即時發現即時更換或補正,可調整回復至品質要求水準者,如收縮膜污損、標籤貼錯或污損、紙盒污損…等。2.重大異常:進料:原紗起毛,捻度不均部分超過 3﹪者;染料連續三批進貨檢驗均不合格者。製程:染色不均亦無法即時調整至合乎品質要求時。成品:線管破裂,色層不一致時。流程圖名翔恿線股份有限公司矯正與預防措施管理程序書 文件編號MS-G2-1401制訂日期:89 年 11修訂日期: 版次:版 頁 次第 2 頁共 5Y記錄存查A判定NA品質異常時機測狀況需求矯正、預防重大異常NY暫停 /填單、登錄繼續作業 /結案結果確認BB月 1 日年 月 日頁四、權責單位五、作業流程六、作業內容Who,When,Where,How to do,What七、參考文件八、應用表單No 流程相關單位1 品 質異 常時機品質異常時機進料檢驗品質有異常時。製程巡迴檢驗品質有異常時。成品檢驗品質有異常時。客訴產品有異常時。客戶退貨時。內部品質稽核有重大缺失時。廠務部營業部2 判定判定打樣員於進料時,在化驗室依【 進 料 檢 驗 程 序 書 】 (MS-P2-1001)之相關規定進行判定。相關單位人員於以下時間地點,依【製程巡迴檢驗程序書】(MS-P2-1002) 與 【 成 品 檢 驗 程 序書】(MS-P2-1003)之相關規定進行判定。各製程之現場操作人員。分別於各製程時,於現場進行首件自主檢查。品管員於各製程中,於現場進行巡迴檢查。相關單位人員於以下時間地點,依【成品檢驗程序書】(MS-P2-1003)之相關規定,進行判定。營業部相關人員於移轉庫存時,在成品暫存區清點數量。營業部相關人員於搬運入庫前,在卸貨區清點。業務員於接獲客訴時,依【客戶抱怨處理程序書】(MS-S2-1402)之相關規定進行判定。進料檢驗程序書(MS-P2-1001)製程巡迴檢驗程序書(MS-P2-1002)成品...

1、当您付费下载文档后,您只拥有了使用权限,并不意味着购买了版权,文档只能用于自身使用,不得用于其他商业用途(如 [转卖]进行直接盈利或[编辑后售卖]进行间接盈利)。
2、本站所有内容均由合作方或网友上传,本站不对文档的完整性、权威性及其观点立场正确性做任何保证或承诺!文档内容仅供研究参考,付费前请自行鉴别。
3、如文档内容存在违规,或者侵犯商业秘密、侵犯著作权等,请点击“违规举报”。

碎片内容

XX公司品质管理程序书——矫正预防

确认删除?
VIP
微信客服
  • 扫码咨询
会员Q群
  • 会员专属群点击这里加入QQ群
客服邮箱
回到顶部