电脑桌面
添加小米粒文库到电脑桌面
安装后可以在桌面快捷访问

脚手架危险源辨识与评价

脚手架危险源辨识与评价_第1页
1/9
脚手架危险源辨识与评价_第2页
2/9
脚手架危险源辨识与评价_第3页
3/9
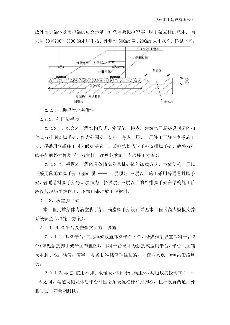
中石化工建设有限公司 危险源辨识与危险评价表 工程名称: 潞安油化电热一体化项目煤气化装置 煤气化框架(Ⅰ、Ⅱ系列)土建工程 工作内容: 脚手架 施工单位: 中石化工建设有限公司 中石化建潞安煤制油项目部 2 0 1 3 年 1 1 月 1 5 日 中石化工建设有限公司 脚手架工程危险源辨识与危险评价表 一、工程概况 1.1 本工程主要为煤气化装置煤气化框架(I、II)系列土建工程的施工 其中气化框架平面尺寸为55.4m ×24m,结构形式钢和型钢混凝土的混合结构,即42.00m 以下为型钢混凝土组合框架-钢支撑结构,42.00m 以上为钢框架-支撑结构;主体结构总高度120m,局部高度133m。此部分我单位主要施工42.00m 以下结构;磨煤框架采用钢筋混凝土结构,主体结构总高度为56m,局部屋面高度34m,框架横向跨度14m、13.5m,纵向跨度12m、14m,首层局部有围护。 开工时间:2013 年9 月10 日;竣工时间:2014 年6 月30 日。 工程整体设计概况 建筑面积 磨煤 890 ㎡(首层) 建筑层数 磨煤框架 7 气化 1329.6 ㎡(首层) 气化框架 5 建筑层高 建筑高度(m) 磨煤:56;气化42 抗震设防烈度 6 度 主体结构 气化:1F:10.97m(基础顶-一层顶板标高);2F:8.5m;3F:7.5m;4F:10m;5F:8m 磨煤:1F:9.5m;2F:8.5m;3F:9m;4F:7m;5F:8m;6F:6m;7F:4m;8F:4m 建筑高程 ±0.000 相当于绝对标高936.50m 建筑生产类别 甲类 安全等级 一级 设计使用年限 50 年 地基设计等级 甲级 建筑耐火等级 二级 结构类型 气化框架:型钢混凝土组合结构;磨煤框架:钢筋混凝土框架 2.2 脚手架的总体设计 2.2.1、脚手架地基 确保脚手架钢管基础承载力,满足外围护架体及支模架承重要求,保证设计要求的楼面承载力≤地基承载力标准值120 kPa(fgk)。结合较大模板支撑体系施工经验,首层为回填土,回填土压 实 系数为0.94,回填时严 格 按 照 规 范 要求进 行 回填、试 验,保证压 实 系数。地基处 理 ,拟 采用C15 砼 浇 筑150 厚 垫 层形 中石化工建设有限公司 成外围护架体及支撑架的可靠地基,砼垫层要振捣密实。脚手架立杆的垫木, 均采用50×200×3000 的木脚手板,外侧设500mm 宽、200mm 深排水沟。详见下图: 2.2.1-1 脚手架地基做法 2.2.2、外排脚手架 2.2.2.1、结合本工程结构形式、实际施工特点,建筑物四周搭设封闭的扣件式双排钢管脚手架,作为外围安全防护。考虑一层、二层施...

1、当您付费下载文档后,您只拥有了使用权限,并不意味着购买了版权,文档只能用于自身使用,不得用于其他商业用途(如 [转卖]进行直接盈利或[编辑后售卖]进行间接盈利)。
2、本站所有内容均由合作方或网友上传,本站不对文档的完整性、权威性及其观点立场正确性做任何保证或承诺!文档内容仅供研究参考,付费前请自行鉴别。
3、如文档内容存在违规,或者侵犯商业秘密、侵犯著作权等,请点击“违规举报”。

碎片内容

脚手架危险源辨识与评价

您可能关注的文档

确认删除?
VIP
微信客服
  • 扫码咨询
会员Q群
  • 会员专属群点击这里加入QQ群
客服邮箱
回到顶部