电脑桌面
添加小米粒文库到电脑桌面
安装后可以在桌面快捷访问

脚手架计算示例

脚手架计算示例_第1页
1/20
脚手架计算示例_第2页
2/20
脚手架计算示例_第3页
3/20
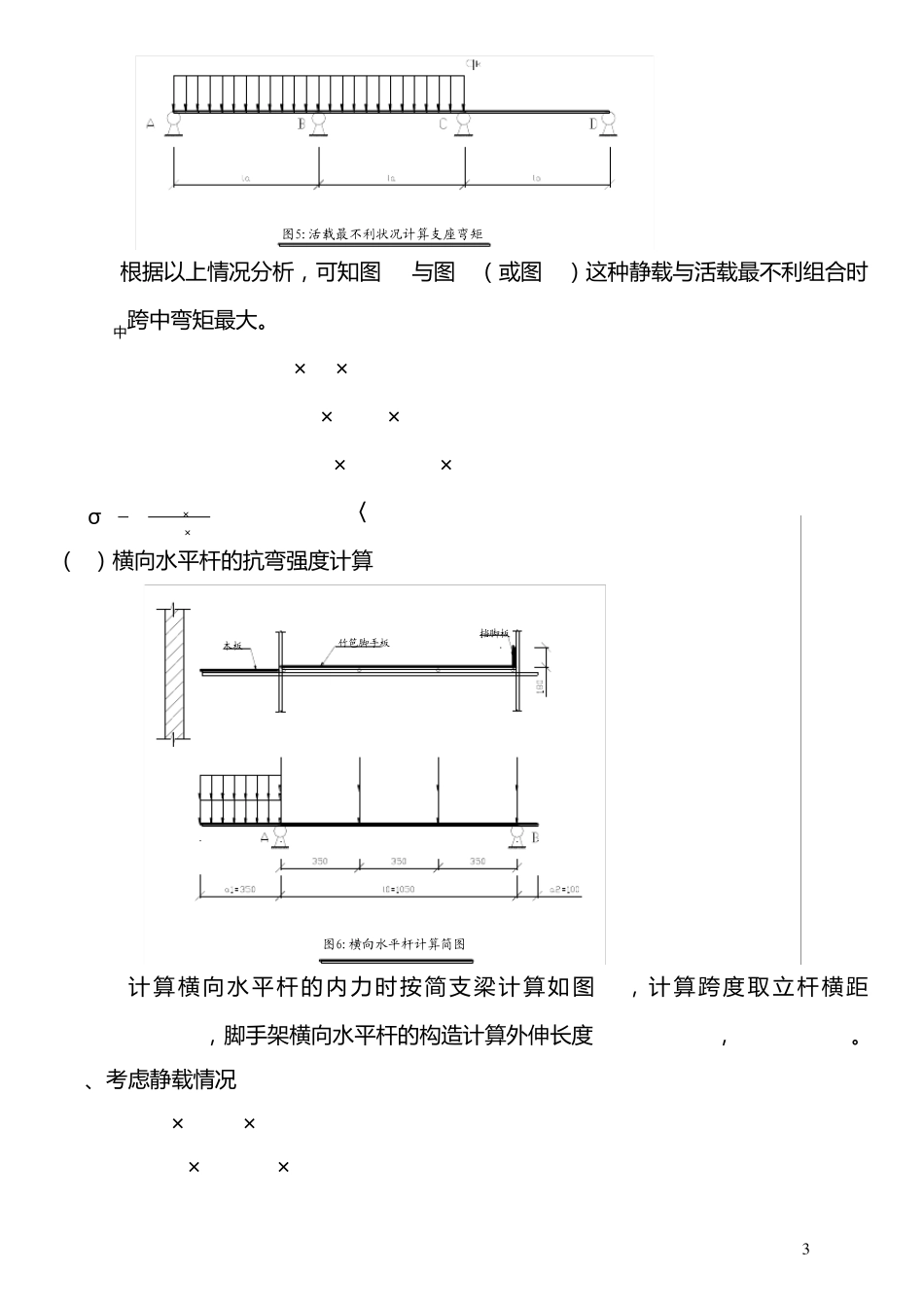
1 脚手架计算书(1 ) 本 工 程 脚 步 手 架 采 用 Φ48×3.5无 缝 钢 管 , 立 杆 横 距 为 1.05m, 立 杆 纵 距 为 1.8m, 步 距 为 1.8m,共9步16.2m; 施 工 作 业 层 按 一 层 计 , 则 脚 手 片 满 铺 三 层 , 自 重 标 准 值 为0.1KN/m2; 脚 手 架 外 立杆 里 侧 挂 密 目 安 全 网 封 闭 施 工 , 自 重 标 准 值 为0.1KN/m2。 一、横向、纵向水平杆计算 1、横 向 、纵 向 水 平 杆 的 抗 弯 强 度 按 下 式 计 算 : σ=M W≤f 式 中 M—弯 矩设计 值 , 按 M=1.2MGK+1.4 MGK计 算 ; MGK 为 脚 手 板自 重 标 准 值 产生的 弯 矩; MQK为 施 工 荷载标 准 值 产生的 弯 矩; W—截面模量, 查表Φ48×3.5mm钢 管 W=5.08cm3; f—钢 材的 抗 弯 强 度 计 算 值 , f=205N/mm2。 (1)纵 向 水 平 杆 的 抗 弯 强 度 按 图 1三 跨连续梁计 算 , 计 算 跨度 取纵 距 la=1800mm。 图1:纵向水平杆计算简图 a、考虑静载情况 gk=0.1×1.05/3=0.035KN/m=35N/m 按 图 2静载布置情况考虑跨中 和支座最大弯 矩。 2 图2:静载状况下计算简图 M1中 =0.08gKla2 MB=MC=-0.1gKla2 b、考 虑 活 载 情 况 qk=3kN/m2×1.05m/3=1050N/m 按 图 3、4两 种 活 载 最 不 利 位 置 考 虑 跨 中 最 大 弯 矩 。 图3:活载最不利状况计算简图之(1) 图4:活载最不利状况计算简图之(2) M1中 =0.101qKla2 按 图 5种 活 载 最 不 利 位 置 考 虑 支 座 最 大 弯 矩 。 MB=MC=-0.177qKla2 3 图5:活载最不利状况计算支座弯矩 根 据 以 上 情 况 分 析 , 可 知 图2与 图3( 或 图4) 这 种 静 载 与 活 载 最 不 利 组 合 时M1中 跨 中 弯 矩 最 大 。 MGK=0.08gKla2=0.08×35×1.82=9.07N.m MQK=0.101qKla2=0.101×1050×1.82=343.6 N.m M=1.2MGK+1.4MQK=1.2×9.07+1.4×343.6= 491.92N.m σ=M W=491.92×103 5.08×103=96.8N/mm2〈 f=205N/mm2 ( 2) 横 向 水 平 杆 的 抗 弯 强 度 计 算 图6:横向水平杆计算简图P/2PPP/2挡脚板竹笆脚手板Q/2QQQ/2木板qp 计 算 横 向 水 平 杆 的 内 力 时 按 简 支 梁 计 算 如 图6, 计 算 跨 ...

1、当您付费下载文档后,您只拥有了使用权限,并不意味着购买了版权,文档只能用于自身使用,不得用于其他商业用途(如 [转卖]进行直接盈利或[编辑后售卖]进行间接盈利)。
2、本站所有内容均由合作方或网友上传,本站不对文档的完整性、权威性及其观点立场正确性做任何保证或承诺!文档内容仅供研究参考,付费前请自行鉴别。
3、如文档内容存在违规,或者侵犯商业秘密、侵犯著作权等,请点击“违规举报”。

碎片内容

脚手架计算示例

小辰4+ 关注
实名认证
内容提供者

出售各种资料和文档

确认删除?
VIP
微信客服
  • 扫码咨询
会员Q群
  • 会员专属群点击这里加入QQ群
客服邮箱
回到顶部