电脑桌面
添加小米粒文库到电脑桌面
安装后可以在桌面快捷访问

膜系统故障排除指南

膜系统故障排除指南_第1页
1/6
膜系统故障排除指南_第2页
2/6
膜系统故障排除指南_第3页
3/6
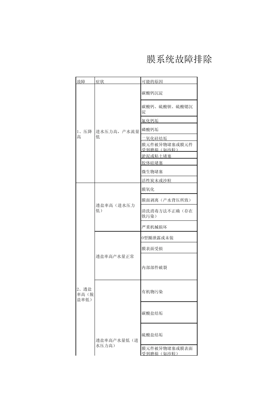
故障症状可能的原因碳酸钙沉淀碳酸钙、硫酸钡、硫酸锶沉淀氟化钙垢磷酸钙垢二氧化硅结垢膜元件被异物堵塞或膜元件受到磨损(如沙粒)淤泥或粘土堵塞胶体硅堵塞微生物堵塞活性炭末或沙粒膜氧化膜面剥离(产水背压所致)清洗消毒方法不正确(存在铁污染)严重机械损坏O型圈泄露或未装膜表面受损内部部件破裂有机物污染碳酸盐结垢硫酸盐结垢膜元件被异物堵塞或膜表面受到磨损(如沙粒)透盐率高产水量正常2、透盐率高(脱盐率低)透盐率高产水量低(进水压力高)膜系统故障排除进水压力高,产水流量低1、压降高透盐率高(进水压力低)氧化铁污染其他重金属氧化物硫化亚铁污堵氟化钙污堵磷酸盐结垢二氧化硅结垢有机污染碳酸盐结垢硫酸盐结垢超极限水锤破坏微生物污堵天然有机物保护液失效(投运前或投运后)活性炭粉末和沙砾油类有机物污染淤泥或粘土堵塞胶体硅污堵氧化铁污堵其他重金属氧化物污堵硫化亚铁碳酸钙沉淀硫酸钙、硫酸钡、硫酸锶沉淀氟化钙污堵磷酸盐结垢二氧化硅结垢膜氧化膜面剥离(产水背压所致)清洗消毒方法不正确(存在铁污染)严重机械损坏产水量低(操作压力高)透盐率低产水量低(进水压力高)透盐率正常产水量低(进水压力高)透盐率高产水量低(操作压力高)产水量高(进水压力降低)产水量增加(进水压力降低)透盐率增加水压力高)有机污染物碳酸盐结垢硫酸钙、硫酸钡、硫酸锶沉淀超极限水锤破坏透盐率低 透盐率产水量低(进水压力高)解 决 方 法按 照 清 洗 导 则 在 PH1的 条 件 下 对 系 统 进 行 清 洗 , 如 果 结垢 严 重 , 需 要 重 复 清 洗 : 一 般 情 况 下 把 系 统 最 后 的 元 件取 出 称 重 就 可 以 了 解 结 构 程 度 。按 照 清 洗 导 则 在 PH13的 条 件 下 对 系 统 进 行 清 洗 , 如 果 结垢 严 重 , 需 要 重 复 清 洗 : 一 般 情 况 下 把 系 统 最 后 的 元 件取 出 称 重 就 可 以 了 解 结 构 程 度 ( 但 钡 和 锶 除 外 ) 。用 HCI在 PH1的 情 况 下 按 照 清 洗 导 则 进 行 清 洗 。过 量 投 加 含 磷 酸 根 的 化 学 品 , 通 常 很 难 清 洗 , 建 议 更 换元 件 。按 照 导 则 在 PH13的 条 件 下 进 行 清 洗用 探 测 法 找 到 膜 元 件 , 改 造 与 处 理 , 更 换 膜 ...

1、当您付费下载文档后,您只拥有了使用权限,并不意味着购买了版权,文档只能用于自身使用,不得用于其他商业用途(如 [转卖]进行直接盈利或[编辑后售卖]进行间接盈利)。
2、本站所有内容均由合作方或网友上传,本站不对文档的完整性、权威性及其观点立场正确性做任何保证或承诺!文档内容仅供研究参考,付费前请自行鉴别。
3、如文档内容存在违规,或者侵犯商业秘密、侵犯著作权等,请点击“违规举报”。

碎片内容

膜系统故障排除指南

确认删除?
VIP
微信客服
  • 扫码咨询
会员Q群
  • 会员专属群点击这里加入QQ群
客服邮箱
回到顶部