电脑桌面
添加小米粒文库到电脑桌面
安装后可以在桌面快捷访问

自动控制原理(非自动化类)答案_第二版(孟庆明)

自动控制原理(非自动化类)答案_第二版(孟庆明)_第1页
1/31
自动控制原理(非自动化类)答案_第二版(孟庆明)_第2页
2/31
自动控制原理(非自动化类)答案_第二版(孟庆明)_第3页
3/31
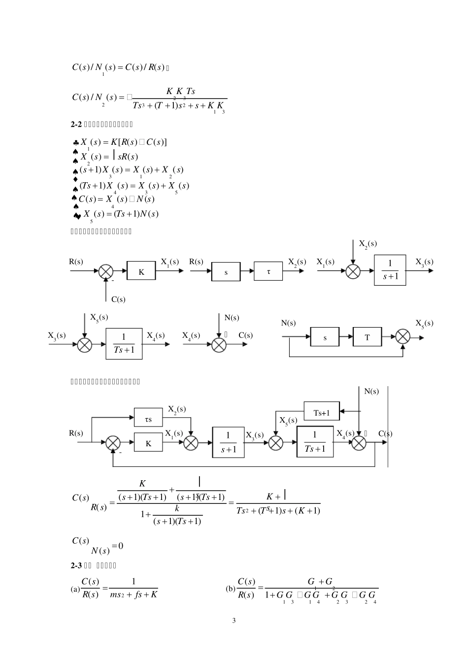
自动控制原理(非自动化类)习题答案 第一章 习题 1 -1(略) 1 -2(略) 1 -3 解: 受控对象:水箱液面。 被控量:水箱的实际水位 h c 执行元件:通过电机控制进水阀门开度,控制进水流量。 比较计算元件:电位器。 测量元件:浮子,杠杆。 放大元件:放大器。 工作原理:系统的被控对象为水箱。被控量为水箱的实际水位 h 。给定值为希望水位 h (与电位器设定 c r 电压 ur 相对应,此时电位器电刷位于中点位置)。 当 hc  hr 时,电位器电刷位于中点位置,电动机不工作。一但 hc  hr 时,浮子位置相应升高(或 降低),通过杠杆作用使电位器电刷从中点位置下移(或上移),从而给电动机提供一定的工作电压,驱动 电动机通过减速器使阀门的开度减小(或增大),以使水箱水位达到希望值 hr 。 出 水 hr h c 水位自动控制系统的职能方框图 1 -4 解: 受控对象:门。 执行元件:电动机,绞盘。 放大元件:放大器。 受控量:门的位置 测量比较元件:电位计 工作原理:系统的被控对象为大门。被控量为大门的实际位置。输入量为希望的大门位置。 当合上开门开关时,桥式电位器测量电路产生偏差电压,经放大器放大后,驱动电动机带动绞盘转动, 使大门向上提起。同时,与大门连在一起的电位器电刷上移,直到桥式电位器达到平衡,电动机停转,开 门开关自动断开。反之,当合上关门开关时,电动机带动绞盘反转,使大门关闭。 开 闭 门 的位置 门实际 仓库大门自动控制开(闭)的职能方框图 1 -5 解: 系统的输出量:电炉炉温 给定输入量:加热器电压 被控对象:电炉 1 _ 大门 位置 绞盘 电动机 放大器 电位器 _ 浮子 杠杆 水箱 阀门 减速器 电动机 放大器 电位器 放大元件:电压放大器,功率放大器,减速器 比较元件:电位计 测量元件:热电偶 职能方框图: 给定 炉温 炉温 — 第二章 习题 2 -1 解:对微分方程做拉氏变换:  X1 (s)  R(s)  C (s)  N1 (s)  X 2 (s)  K1 X1 (s)  X 3 (s)  X 2 (s)  X 5 (s)TsX 4 (s)  X 3 (s)  X 5 (s)  X 4 (s)  K2 N2 (s)K X (s)  s2C (s)  sC (s)  3 5 绘制上式各子方程的方块图如下图所示: N1(s) R(s) + X1(s) X2(s) X3(s) X1(s) X2(s) - - C(s) X5(s) N2(s) X3(s) X4(s...

1、当您付费下载文档后,您只拥有了使用权限,并不意味着购买了版权,文档只能用于自身使用,不得用于其他商业用途(如 [转卖]进行直接盈利或[编辑后售卖]进行间接盈利)。
2、本站所有内容均由合作方或网友上传,本站不对文档的完整性、权威性及其观点立场正确性做任何保证或承诺!文档内容仅供研究参考,付费前请自行鉴别。
3、如文档内容存在违规,或者侵犯商业秘密、侵犯著作权等,请点击“违规举报”。

碎片内容

自动控制原理(非自动化类)答案_第二版(孟庆明)

您可能关注的文档

确认删除?
VIP
微信客服
  • 扫码咨询
会员Q群
  • 会员专属群点击这里加入QQ群
客服邮箱
回到顶部