电脑桌面
添加小米粒文库到电脑桌面
安装后可以在桌面快捷访问

排水管道养护标准(新)VIP专享

排水管道养护标准(新)_第1页
1/15
排水管道养护标准(新)_第2页
2/15
排水管道养护标准(新)_第3页
3/15
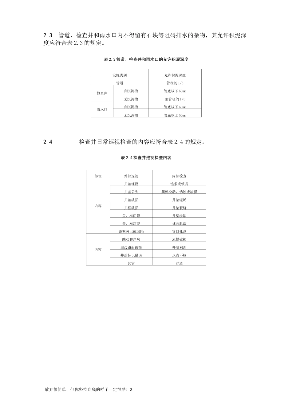
放弃很简单,但你坚持到底的样子一定很酷!1连云港市雨水排水管道养护标准为了提高我市市政绿化养护管理中心对全市雨水排水管道养护能力,保障国家和人民的生命财产安全,按照高效、安全、节约、科学的原则,建立标准化规程,保证雨水排水管网正常运行,特制定本办法。1一般规定1.1排水管渠应定期检查、定期维护,保持良好的水力功能和结构状况。1.2排水管理部门应定期对排水户进行水质、水量检测,并应建立管理档案;排放水质应符合国家现行标准《污水排入城市下水道水质标准》CJ3082 的规定。医院排水还应符合《医院污水排放标准》GBJ48 的规定。1.3 管渠维护必须执行国家现行标准《排水管道维护安全技术规程》CJJ6 的规定。1.4排水管渠维护宜采用机械作业。1.5排水管渠应明确其雨水管渠、污水管渠或合流管渠的类型属性。1.6在分流制排水地区,严禁雨污水混接。1.7污水管道的正常运行水位不应高于设计充满度所对应的水位。1.8排水管道应按表 1.8 的规定进行管径划分。表 1.8 排水管道的管径划分(mm)类型小型管中型管大型管特大型管管径<600600〜1000>1000〜1500>15002管道养护2.1排水管道应定期巡视,巡视内容应包括污水冒溢、晴天雨水口积水、井盖和雨水箅缺损、管道塌陷、违章占压、违章排放、私自接管以及影响管道排水的工程施工等情况。2.2排水管理部门应制定本地区的排水管道养护质量检查办法,并定期对排水管道的运行状况等进行抽查,养护质量检查不应少于 3 个月一次。放弃很简单,但你坚持到底的样子一定很酷!22.3管道、检查井和雨水口内不得留有石块等阻碍排水的杂物,其允许积泥深度应符合表 2.3 的规定。表 2.3 管道、检查井和雨水口的允许积泥深度设施类别允许积泥深度管道管径的 1/5检查井有沉泥槽管底以下 50mm无沉泥槽主管径的 1/5雨水口有沉泥槽管底以下 50mm无沉泥槽管底以上 50mm2.4检查井日常巡视检查的内容应符合表 2.4 的规定。表 2.4 检查井巡视检查内容部位外部巡视内部检查内容井盖埋没链条或锁具井盖丢失爬梯松动、锈蚀或缺损井盖破损井壁泥垢井框破损井壁裂缝盖、框间隙井壁渗漏盖、框高差抹面脱落盖框突出或凹陷管口孔洞内容跳动和声响流槽破损周边路面破损井底积泥井盖标识错误水流不畅其它浮渣放弃很简单,但你坚持到底的样子一定很酷!32.5检查井盖和雨水箅的维护应符合下列规定:1井盖和雨水箅的选用应符合表 2.5-1 的规定。表 2.5-1 井盖和雨水箅技术标准井盖种类标准名称标准编...

1、当您付费下载文档后,您只拥有了使用权限,并不意味着购买了版权,文档只能用于自身使用,不得用于其他商业用途(如 [转卖]进行直接盈利或[编辑后售卖]进行间接盈利)。
2、本站所有内容均由合作方或网友上传,本站不对文档的完整性、权威性及其观点立场正确性做任何保证或承诺!文档内容仅供研究参考,付费前请自行鉴别。
3、如文档内容存在违规,或者侵犯商业秘密、侵犯著作权等,请点击“违规举报”。

碎片内容

排水管道养护标准(新)

确认删除?
VIP
微信客服
  • 扫码咨询
会员Q群
  • 会员专属群点击这里加入QQ群
客服邮箱
回到顶部