电脑桌面
添加小米粒文库到电脑桌面
安装后可以在桌面快捷访问

关键技术施工的重点、难点及解决方案

关键技术施工的重点、难点及解决方案_第1页
1/8
关键技术施工的重点、难点及解决方案_第2页
2/8
关键技术施工的重点、难点及解决方案_第3页
3/8
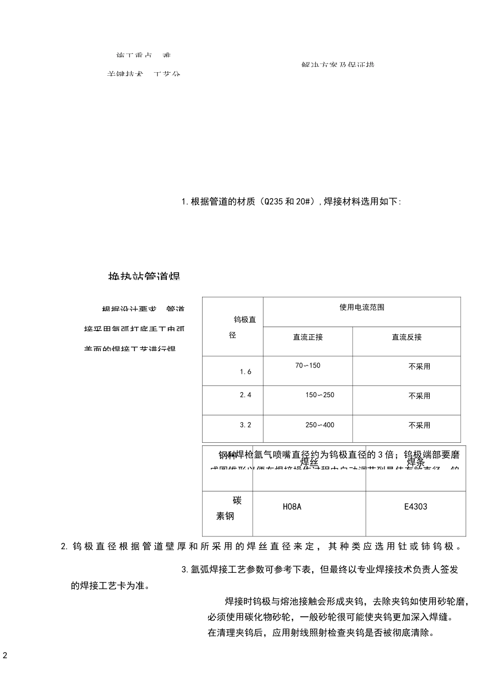
1施工的重点、难点、关键技术工艺分析及解决方案序号施工重点、难点关键技术、工艺分析解决方案及保证措施做好管道施工图的1施工深化设计1.施工前先要全面清楚了解设计图纸内容要求,做好图纸会审准备工作,积极协助设计单位发现存在设计中的错、漏、碰、缺等问题,及时纠正,以保证本工程施工进度和工程质量。2.利用管道仿真技术,绘制管道立体模型,方便施工管理,及时发现管道之间冲突干涉等问题。施工进度计划的保证1. 根据现场具体情况,对业主给定的工期目标进行深入的分析和论证,对总体工期目标进行分解,进一步落实实现工期目标所需的资源条件。2. 在充分调杳研究的基础上编制切实可行的总体和分阶段的施工进度计划,并逐项落实到施工区段中去。3. 在工程实施过程中,要不断的对计划进行跟踪和调整,定期或不定期的跟踪检杳进度计划的执行情况,如计划执行出现偏差,及时采取纠正措施或进行必要的调整。4. 实施进度计划控制要充分利用计算机,采用适宜的工程管理软件,利用工程网络计划原理和计算机网络资源,及时的获取业主和项目各参与方的进度控制信息,实现多级网络计划控制。2施工重点、难关键技术、工艺分解决方案及保证措换热站管道焊根据设计要求,管道接采用氩弧打底手工电弧盖面的焊接工艺进行焊钨极直径使用电流范围直流正接直流反接1.670〜150不采用2.4150〜250不采用3.2250〜400不采用1.根据管道的材质(Q235 和 20#),焊接材料选用如下:钢种焊丝焊条碳素钢H08AE43032. 钨 极 直 径 根 据 管 道 壁 厚 和 所 采 用 的 焊 丝 直 径 来 定 , 其 种 类 应 选 用 钍 或 铈 钨 极 。3.氩弧焊接工艺参数可参考下表,但最终以专业焊接技术负责人签发的焊接工艺卡为准。焊接时钨极与熔池接触会形成夹钨,去除夹钨如使用砂轮磨,必须使用碳化物砂轮,一般砂轮很可能使夹钨更加深入焊缝。在清理夹钨后,应用射线照射检查夹钨是否被彻底清除。4•焊枪氩气喷嘴直径约为钨极直径的 3 倍;钨极端部要磨成圆锥形以便在焊接操作过程中自动调节到最佳有效直径。钨3序号施工重点、难点关键技术、工艺分析解决方案及保证措施管道组对、焊接1.管口的坡口必须符合标准,坡口角度 60°〜75°,钝边 0〜2.0mm,预留间隙 1.0〜2.0mm。2.为保证焊口的平直度,管口组对时应采用对称点焊固定,对于口径较大的管道,固定不少于六点,沿管子圆周均布3.焊接采用手工电弧焊盖面的焊接工艺,焊条烘干,焊工携带...

1、当您付费下载文档后,您只拥有了使用权限,并不意味着购买了版权,文档只能用于自身使用,不得用于其他商业用途(如 [转卖]进行直接盈利或[编辑后售卖]进行间接盈利)。
2、本站所有内容均由合作方或网友上传,本站不对文档的完整性、权威性及其观点立场正确性做任何保证或承诺!文档内容仅供研究参考,付费前请自行鉴别。
3、如文档内容存在违规,或者侵犯商业秘密、侵犯著作权等,请点击“违规举报”。

碎片内容

关键技术施工的重点、难点及解决方案

您可能关注的文档

wxg+ 关注
实名认证
内容提供者

该用户很懒,什么也没介绍

确认删除?
VIP
微信客服
  • 扫码咨询
会员Q群
  • 会员专属群点击这里加入QQ群
客服邮箱
回到顶部