电脑桌面
添加小米粒文库到电脑桌面
安装后可以在桌面快捷访问

人工挖孔桩技术交底(完整资料)VIP专享

人工挖孔桩技术交底(完整资料)_第1页
1/9
人工挖孔桩技术交底(完整资料)_第2页
2/9
人工挖孔桩技术交底(完整资料)_第3页
3/9
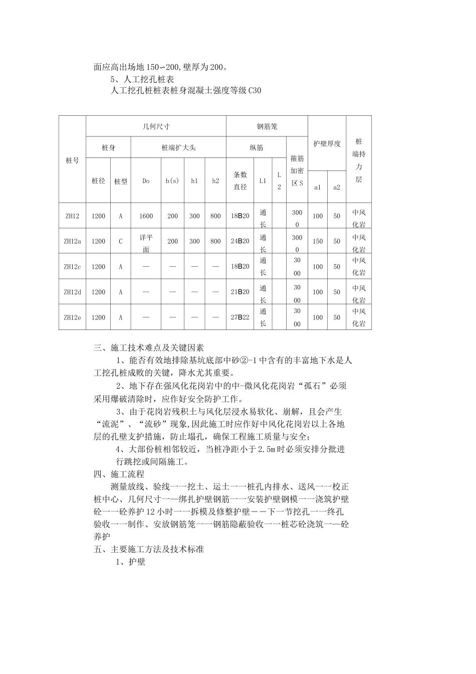
此文档下载后即可编辑人工挖孔桩工程 技术交底卡施工单位广东腾越建筑工程有限公司主要内容:一、施工准备(一)作业条件1、开挖场地前完成三通一平。2、熟悉施工图纸及场地内地下土质、水文资料。3、按基础平面图,根据总平面图,完成桩位定点放线,并办理完验线手续。4、人工挖孔桩操作安全至关重要,开孔前应对工人进行全面的安全技术交底。(二)材质条件1、水泥:采用 32.5 级以上的普通硅酸盐水泥,有出厂材质证明,复试报告。2、砂:采用河砂,颗粒为中砂。3、石子:碎石。4、水:自来水或不含有害物质的洁净水。5、钢筋:钢筋级别、直径须符合设计要求,并有出厂证明书及复试报告,表面无老锈和油污。6、垫块:采和 1:3 水泥砂浆埋 22 号火烧丝提前预制或塑料卡。(三)设备条件主要设备:电动葫芦或手动卷扬机、手推车、空压机、搅拌机、镐、锹、粗麻绳、振动力器、导管、电焊机、通风设备、活动爬梯、定型钢模、安全活动盖板、水泵、防水照明灯(36V)、等等。二、工程概况(一)一般说明1、根据揭露的岩土工程性质评估,本地块基础桩型选用人工挖孔灌注桩为端承桩,以中-微风化花岗岩作为桩端持力层,中风化岩天然强度 fr=15Mpa,微风化岩天然强度 fr=30Mpa,桩径为 1200mm,桩型分圆形与椭圆形两种,桩长约 13〜25 米。2、混凝土强度等级:护壁 C30、桩身 C30。3、当桩净距小于 2.5m 时必须采用间隔开挖。4、第一节井圈护壁中心线与设计轴线的偏差不得大于 20,井圈顶工程名称GD2301003□口惠东碧桂园十里银滩二期山林海1 标段分部工程地基与基础工程交底部位 1、3 号楼及地下室日期2012 年 11 月 9 日面应高出场地 150〜200,壁厚为 200。5、人工挖孔桩表人工挖孔桩桩表桩身混凝土强度等级 C30桩号几何尺寸钢筋笼护壁厚度桩端持力层桩身桩端扩大头纵筋箍筋加密区 S桩径桩型Dob(s)h1h2条数直径L1L2a1a2ZH121200A160020030080018B20通长300010050中风化岩ZH12a1200C详平面20030080024B20通长300015050中风化岩ZH12c1200A————18B20通长300010050中风化岩ZH12d1200A————21B20通长300010050中风化岩ZH12e1200A————27B22通长300010050中风化岩三、施工技术难点及关键因素1、能否有效地排除基坑底部中砂②-1 中含有的丰富地下水是人工挖孔桩成败的关键,降水尤其重要。2、地下存在强风化花岗岩中的中-微风化花岗岩“孤石”必须采用爆破清除时,应作好安全防护工作。3、由于花岗岩残积土与风化层浸水...

1、当您付费下载文档后,您只拥有了使用权限,并不意味着购买了版权,文档只能用于自身使用,不得用于其他商业用途(如 [转卖]进行直接盈利或[编辑后售卖]进行间接盈利)。
2、本站所有内容均由合作方或网友上传,本站不对文档的完整性、权威性及其观点立场正确性做任何保证或承诺!文档内容仅供研究参考,付费前请自行鉴别。
3、如文档内容存在违规,或者侵犯商业秘密、侵犯著作权等,请点击“违规举报”。

碎片内容

人工挖孔桩技术交底(完整资料)

确认删除?
VIP
微信客服
  • 扫码咨询
会员Q群
  • 会员专属群点击这里加入QQ群
客服邮箱
回到顶部